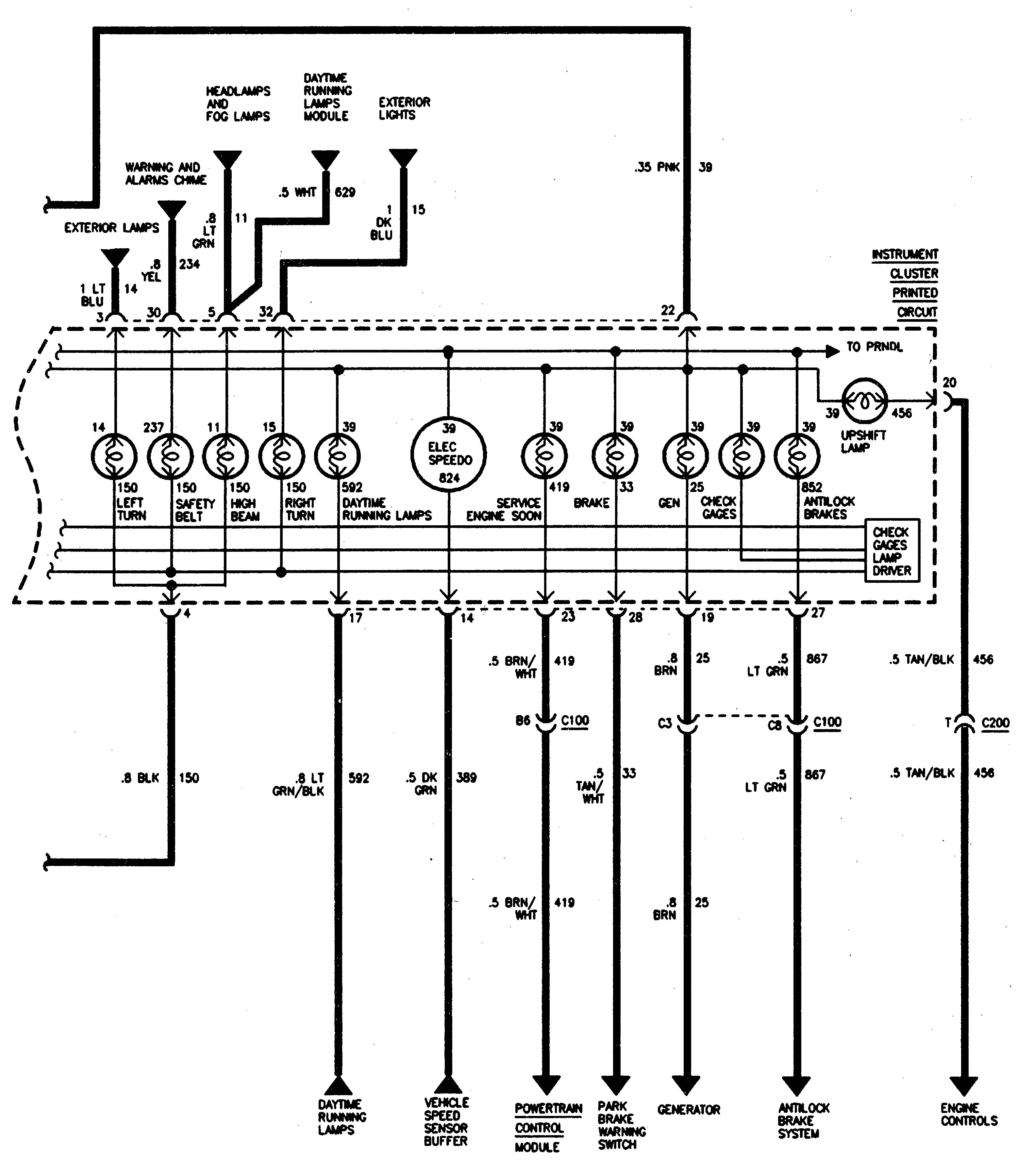
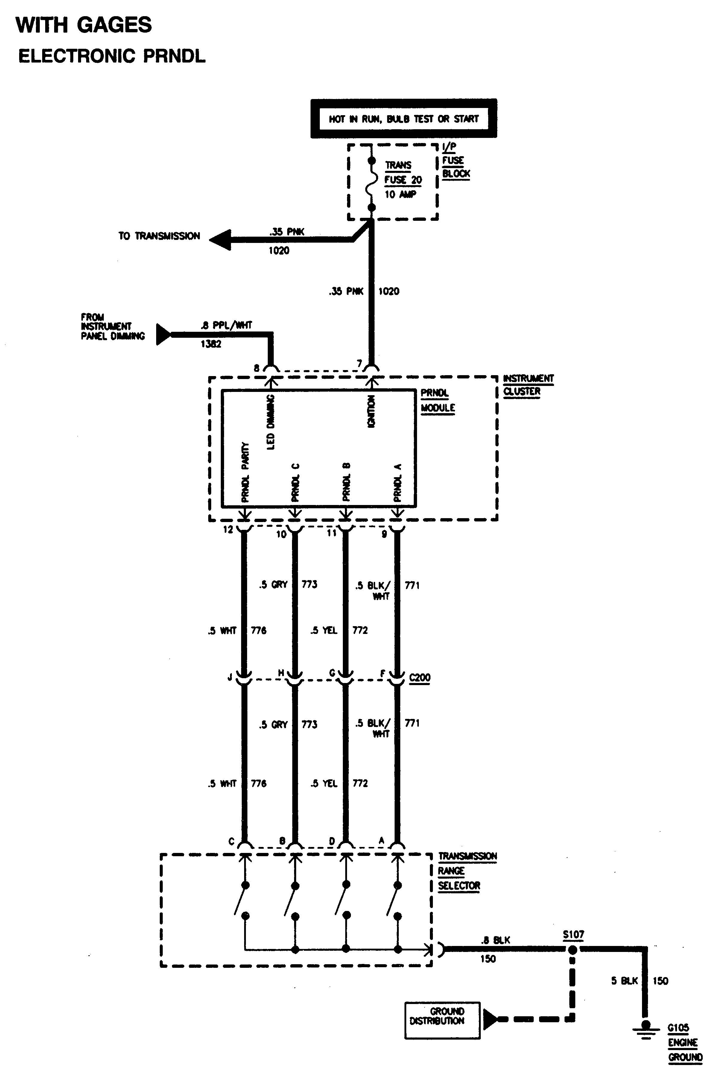
GMC Sierra 1500 (1995) – wiring diagrams – instrument panel
Year of productions: 1995
Instrument panel
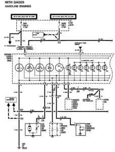
With gages (gasoline engine)
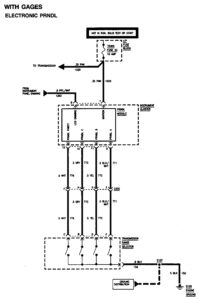
With gages (electronic PRNDL)
WARNING: Terminal and harness assignments for individual connectors will vary depending on vehicle equipment level, model, and market.



