GMC Canyon mk1 (First Generation; 2009 – 2010) – fuse box diagram
Year of production: 2009, 2010
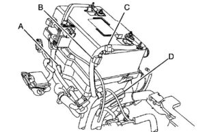
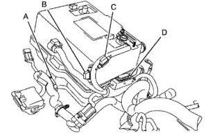
Engine compartment fuse block

The engine compartment fuse block is located on the driver side of the engine compartment.

The trailer brake relay is located on the bottom side of the battery harness.
| Fuses | Usage |
| O2 SNSR | Oxygen Sensors, Air Injection Reactor (AIR) Relay |
| A/C | Air Conditioning Control Head, Power Seats |
| A/C CMPRSR | Air Conditioning Compressor |
| ABS | Antilock Brake System (ABS), ABS Module, Four-Wheel Drive, Gravity Sensor |
| ABS 1 | ABS 1 (ABS Logic) |
| ABS 2 | ABS 2 (ABS Pump) |
| AUX PWR 1 | Accessory Power 1 |
| AUX PWR 2 | Accessory Power 2 |
| BCK/UP | Back-up Lights |
| BLWR | Climate Control Fan |
| CLSTR | Cluster |
| CNSTR VENT | Fuel Canister Vent Solenoid |
| CRUISE | Cruise Control Switch, Inside Rearview Mirror, Transfer Case Control Module, Brake Switch, Clutch Disable |
| DR/LCK | Power Door Locks (If Equipped) |
| DRL | Daylight Running Lamps |
| ERLS | Mass Air Flow (MAF) Sensor, Can Purge Solenoid, Air Injector Reactor (AIR) Relay |
| ETC | Electronic Throttle Control (ETC) |
| FOG/LAMP | Fog Lamps (If Equipped) |
| FRT PRK LAMP | Front Park/Turn Lamps, Driver and Passenger Side Power Window Switches Lighting |
| FRT/AXLE | Front Axle Actuator |
| FSCM | Fuel System Control Module |
| BACKUP LAMP | Back Up Lamp |
| HORN | Horn |
| HTD/SEAT | Heated Seat (If Equipped) |
| IGN | Ignition, Clutch Starter Switch, Neutral Safety Back-Up Switch, Ignition Coils 1-5, Air Conditioning Relay |
| INJ | Injectors |
| LT HDLP | Driver Side Headlamp |
| PCM B | Power Control Module (PCM) B |
| PCMI | Power Control Module (PCM) |
| PWR/SEAT | Power Seat Circuit Breaker (If Equipped) |
| PWR/WNDW | Power Windows (If Equipped) |
| RDO | Radio |
| REAR PRK LAMP | Rear Parking Lamp 1, Passenger Side Taillamp, License Plate Lamps |
| REAR PRK LAMP2 | Driver Side Rear Taillamp, Passenger Side Airbag Indicator Lighting, Instrument Panel Dimming Power (2WD/4WD switch lighting) |
| RT HDLP | Passenger Side Headlamp |
| RVC | Regulated Voltage Control |
| S/ROOF | Sunroof (If Equipped) |
| STOP | Stop Lamps |
| STRTR | Starter Solenoid Relay |
| TBC | Truck Body Controller |
| TCM | Transmission Control Module |
| TCCM | Transfer Case Control Module |
| TRAILER BRAKE | Trailer Brake |
| TRANS | Transmission Solenoid |
| TRN/HAZRD FRT | Turn/Hazard/Courtesy/Cargo Lamps/Mirrors |
| TRN/HAZRD REAR | Rear Turn/Hazard Lights |
| VSES | Vehicle Stability Enhancement System |
| WPR | Wiper |
| WSW | Wiper/Washer Switch |
| Relays | Usage |
| A/C CMPRSR | Air Conditioning Compressor |
| BEAM SEL | Beam Selection |
| DRL | Daylight Running Lamps |
| FOG/LAMP | Fog Lamps (If Equipped) |
| BK UP LP | Back Up Lamp |
| HDLP | Headlamps |
| HORN | Horn |
| IGN 3 HVAC | Ignition 3, Climate Control, Climate Control Head Fuse, Power Seat Fuse |
| PRK/LAMP | Front Parking Lamp Fuse, Rear Parking Lamps |
| PWR/TRN | Powertrain, Electronic Throttle Control Fuse, Oxygen Sensor Fuse |
| RAP | Retained Accessory Power (Power Window Fuse, Wiper/Washer Switch Fuse), Sunroof Fuse |
| RUN/CRNK | Run/Crank, Airbag System Fuse, Cruise Control Fuse, Ignition Fuse, Back-Up Lamps, ABS Fuse, Front Axle, PCM-1, Injectors Fuse, Transmission Fuse, ERLS |
| STRTR | Starter Relay (PCM Relay) |
| VSES | Vehicle Stability Enhancement System |
| WPR | Wipers (On/Off) |
| WPR 2 | Wiper 2 (High/Low) |
| Miscellaneous | Usage |
| A/C CLTCH | Diode — Air Conditioning, Clutch |
| MEGA FUSE | Mega Fuse |
| WPR | Diode — Wiper |


| Fuses | Usage |
| A | Trailer Park Lamp |
| B | Communication Interface Module |
| C | Supplemental Inflatable Restraint System, Sensing and Diagnostic Module |
| D | Trailer Auxiliary Maxi-Fuse |
WARNING: Terminal and harness assignments for individual connectors will vary depending on vehicle equipment level, model, and market.
