Fiat Doblo Combi/Cargo (from 2009) – fuse box diagram
Year of production: 2009, 2010, 2011, 2012, 2013, 2014, 2015, 2016
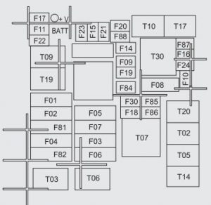
Fuse box in engine compartment
| Protected device | Fuse | Ampere rating [A] |
| BCM – Body Computer Control Unit | F01 | 60 |
| Rear window winder driver’s side manual gearbox (Doblò/Doblò Combi versions | F02 | 20 |
| Ignition switch | F03 | 20 |
| BSM Braking system control unit (electropump) | F04 | 40 |
| Additional heater PTC2 (diesel engines) | F05 | 50 |
| Radiator fan (low speed) | F06 | 30 |
| Radiator fan (high speed, 187/300/350W) | F07 | 40 |
| Radiator fan (high speed, 500W) | F07 | 60 |
| Passenger compartment fan | F08 | 40 |
| Remote control switch for opening swing door (Cargo version) | F09 | 10 |
| Single tone horn | F10 | 10 |
| Engine control system secondary loads | F11 | 10 |
| Main beams | F14 | 15 |
| Additional heater PTC1 (diesel engines) | F15 | 30 |
| ECM Engine management control unit, ignition management relay 1 with Start&Stop system | F16 | 7,5 |
| ECM Engine control unit (power supply) (1.3 Multijet Euro 4, 1.4 BZ, 1.6 Multijet – 2.0 JTD) | F17 | 10 |
| ECM Engine control unit, engine control system management main relay | F18 | 7,5 |
| Climate control compressor | F19 | 7,5 |
| Heated rear window | F20 | 30 |
| Fuel pump on tank | F21 | 15 |
| Engine management system primary loads (1.3 Multijet Euro 4, 1.4) | F22 | 15 |
| Engine management system primary loads (1.3 Multijet Euro / Euro 5, 1.6 Multijet – 2.0 JTD) | F22 | 20 |
| BSM Braking system ECU (control unit and solenoid unit) | F23 | 20 |
| BSM Braking system control unit (supply and key), steering angle sensor | F24 | 5 |
| Fog lights | F30 | 15 |
| Glow plug pre-heating control unit (1.3 Multijet Euro 4, 1.3 Multijet Euro 5, 1.6 Multijet – 2.0 JTD Euro 4 – Euro 5) | F81 | 60 |
| Rear window winder passenger’s side (Doblò/Doblò Combi versions with manual gearbox) | F82 | 20 |
| Headlight washer pump | F83 | 20 |
| Passenger compartment socket, rear socket | F85 | 30 |
| Cigarette lighter, heated seats | F86 | 30 |
| IBS Battery charge status sensor for Start&Stop system | F87 | 5 |
| Wing mirror defrosters | F88 | 7,5 |
Fuse box in passeneger compartment
| Protected device | Fuse | Ampere rating [A] |
| Right low beam | F12 | 7,5 |
| Front courtesy light, rear courtesy light, lights on sun visors, door clearance lights, boot light | F32 | 7,5 |
| Instrument panel | F53 | 5 |
| Door lock/unlock motors, dead lock actuator motors, tailgate lock motor | F38 | 20 |
| Power + battery for EOBD diagnostic socket, automatic climate control unit, alarm siren, sound system, convergence control unit Blue&Me™, tyre pressure detector control unit | F36 | 10 |
| Windscreen/rear window washer pump | F43 | 15 |
| Left low beam, headlight corrector | F48 | 20 |
| Światło mijania lewe, korektor ustawienia reflektora | F13 | 7,5 |
| Centralka air bag | F50 | 7,5 |
| Int. power for brake pedal switch, clutch pedal switch, interior heater, convergence control unit Blue&Me™, sound system set-up | F51 | 7,5 |
| Int. power for instrument panel, brake pedal switch, third brake light | F37 | 5 |
| Int. power for control panel lights, parking control unit, tyre pressure detector control unit, electric door mirror motor, rain sensor, electric top control unit, My-port infotainment socket | F49 | 5 |
| Int. power for engine fusebox relay coils and body computer relay coils | F31 | 5 |
| Window winder motor for front door driver’s side | F47 | 20 |
| Rear socket | F94 | 15 |
| Cigarette lighter/Passenger compartment socket | F95 | 15 |
| Cigarette lighter/Passenger compartment socket | F96 | 15 |
| Heated driver seat | F97 | 10 |
| Heated passenger seat | F98 | 10 |
WARNING: Terminal and harness assignments for individual connectors will vary depending on vehicle equipment level, model, and market.


