Eagle Premier (1992) – fuse box diagram
Year of production: 1992
Fuse box diagram

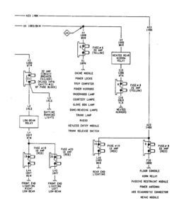
| No | Color | A | Description |
| 1 | Violet | 3 | LEFT AND RIGHT PODS, CLUSTER ILLUMINATION CONSOLE, RADIO, COMPACT DISC PLAYER |
| 2 | Violet | 3 | TRIP COMPUTER, VMM, CLIMATE CONTROL DISPLAY, RADIO, COMPACT PLAYER |
| 3 | Yellow | 20 | INTERMITTENT WIPER MODULE, WINDSHIELD WIPERS |
| 4 | Red | 10 | RADIO, COMPACT DISC |
| 5 | Violet | 3 | LIGHTING CONTROL MODULE |
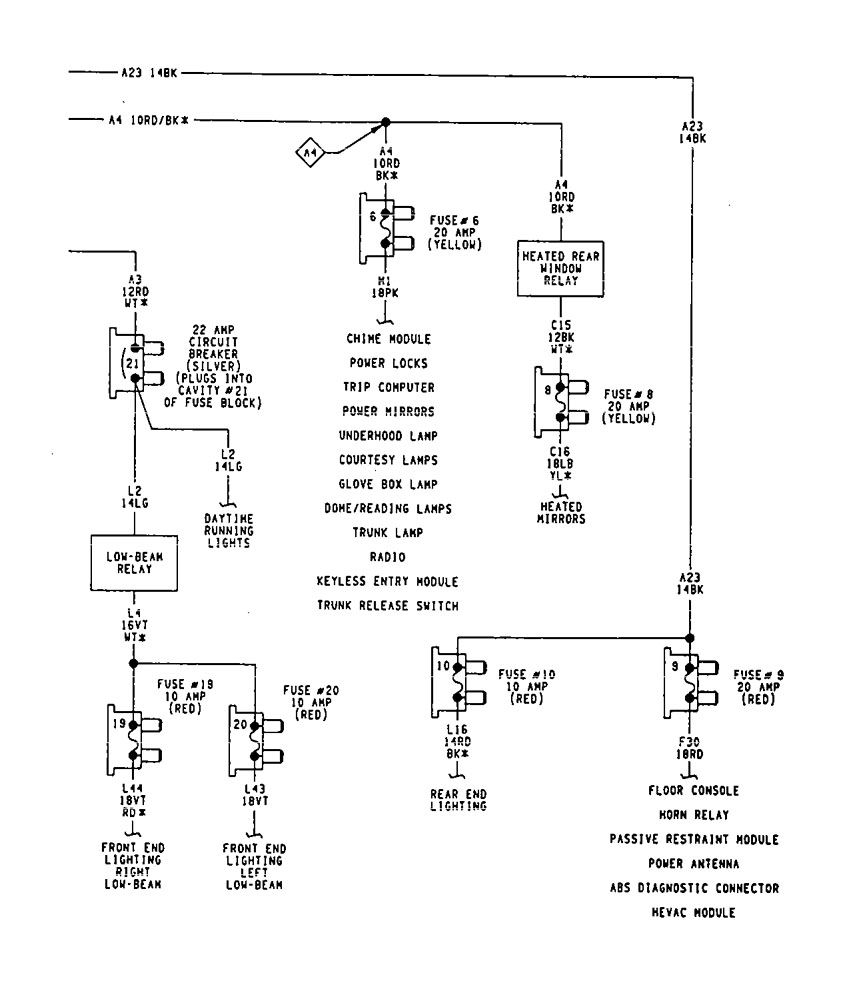
| 6 | Yellow | 20 | CHIME, CLOCK KEYLESS ENTRY, VMM, TRIP COMPUTER, POWER MIRRORS, UNDERHOOD; COURTESY, REAR, GLOVE BOX, DOME/READING, TRUNK, VANITY LAMPS; POWER DOOR LOCKS, ATC CONTROL MODULE, RADIO, POWER MIRRORS, ILLUMINATED ENTRY, DECK LID RELEASE SOLENOID |
| 7 | Yellow | 20 | CHIME, CLOCK, INSTRUMENT CLUSTER, CRUSIE, INDICATOR, VMM, ILLUMINATED ENTRY RELAY MODULE, TRIP COMPUTER, CRUSIE CONTROL, SERVO |
| 8 | Yellow | 20 | POWER MIRRORS |
| 9 | Yellow | 20 | ANTI-LOCK, CONSOLE, HORNS, PASSIVE RESTRAINT MODULE, POWER ANTENNA, DIAGNOSTIC CONNECTOR |
| 10 | Brown | 7,5 | RIGHT SIDE FRONT AND REAR EXTERIOR LAMPS |
| 11 | — | — | — |
| 12 | Red | 10 | CHMSL, BRAKE SWITCH |
| 13 | — | — | — |
| 14 | Blue | 15 | CLIMATE CONTROL MODULE AND DISPLAY |
| 15 | Red | 10 | LAMP OUTAGE MODULE, LEFT SIDE FRONT AND REAR EXTERIOR LAMPS |
| 16 | — | — | — |
| 17 | — | — | — |
| 18 | — | — | — |
| 19 | Red | 10 | RIGHT LOW BEAM HEADLAMP |
| 20 | Red | 10 | LEFT LOW BEAM HEADLAMP |
| 21 | Circuit Breaker | 22 | DAYTIME RUNNING LIGHTS (CANADA ONLY) |
| 22 | Circuit Breaker | 30 | POWER SEAT, POWER DOOR LOOCKS, PASSIVE RESTRAINT MOTORS |
| 23 | — | — | — |
| 24 | Circuit Breaker | 30 | POWER WINDOWS |
| 25 | — | — | — |
Relay


| Relay location | Function |
| A | Power antenna |
| B | Heated rear window |
| C | Low beam headlamp |
| D | High beam headlamp |
| E | — |
| F | Illuminated entry |
| G | Horn |
| J | Park lamps |
| K | — |


WARNING: Terminal and harness assignments for individual connectors will vary depending on vehicle equipment level, model, and market.
