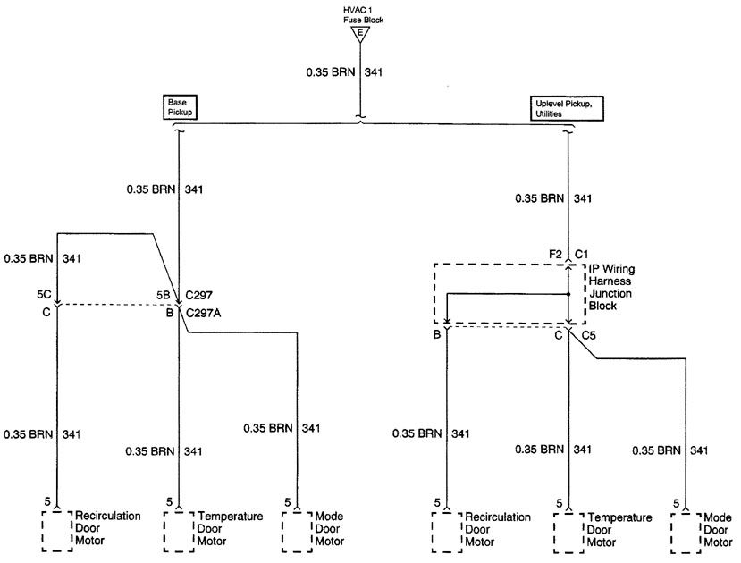
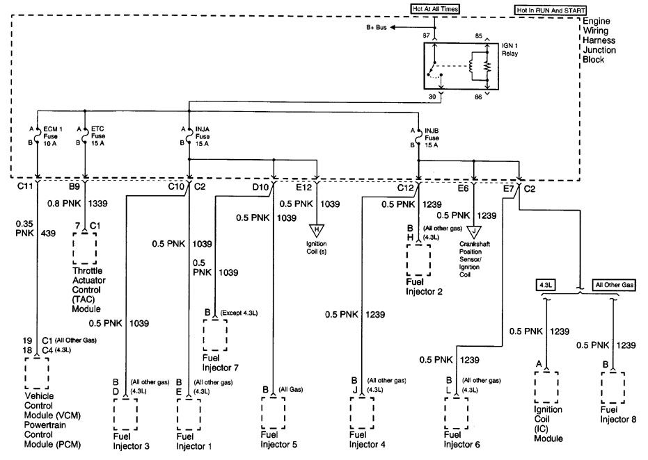
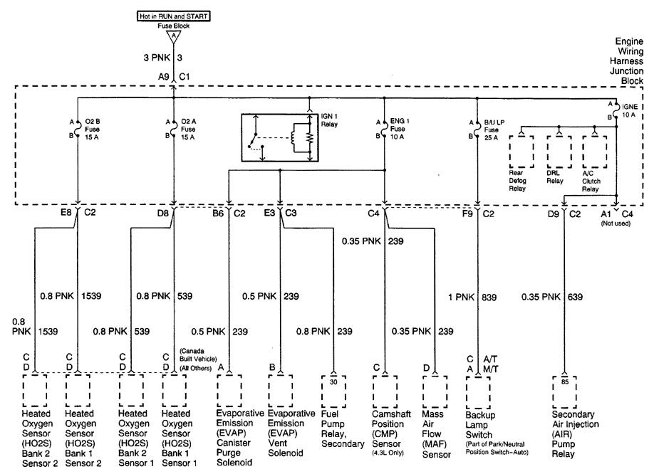
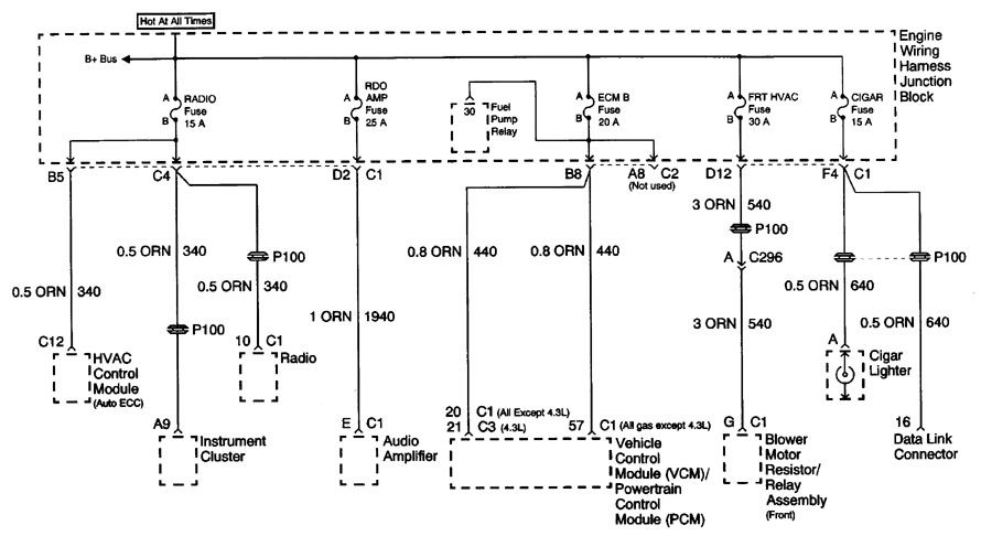
Cadillac Escalade (2000) – wiring diagrams – power distribution
Year of productions: 2000
Power distribution
Cadillac Escalade – wiring diagrams – power distribution (part 1)
Cadillac Escalade – wiring diagrams – power distribution (part 2)
Cadillac Escalade – wiring diagrams – power distribution (part 3)
Cadillac Escalade – wiring diagrams – power distribution (part 4)
Cadillac Escalade – wiring diagrams – power distribution (part 5)
Cadillac Escalade – wiring diagrams – power distribution (part 6)
Cadillac Escalade – wiring diagrams – power distribution (part 7)
Cadillac Escalade – wiring diagrams – power distribution (part 8)
Cadillac Escalade – wiring diagrams – power distribution (part 9)
Cadillac Escalade – wiring diagrams – power distribution (part 10)
WARNING: Terminal and harness assignments for individual connectors will vary depending on vehicle equipment level, model, and market.
