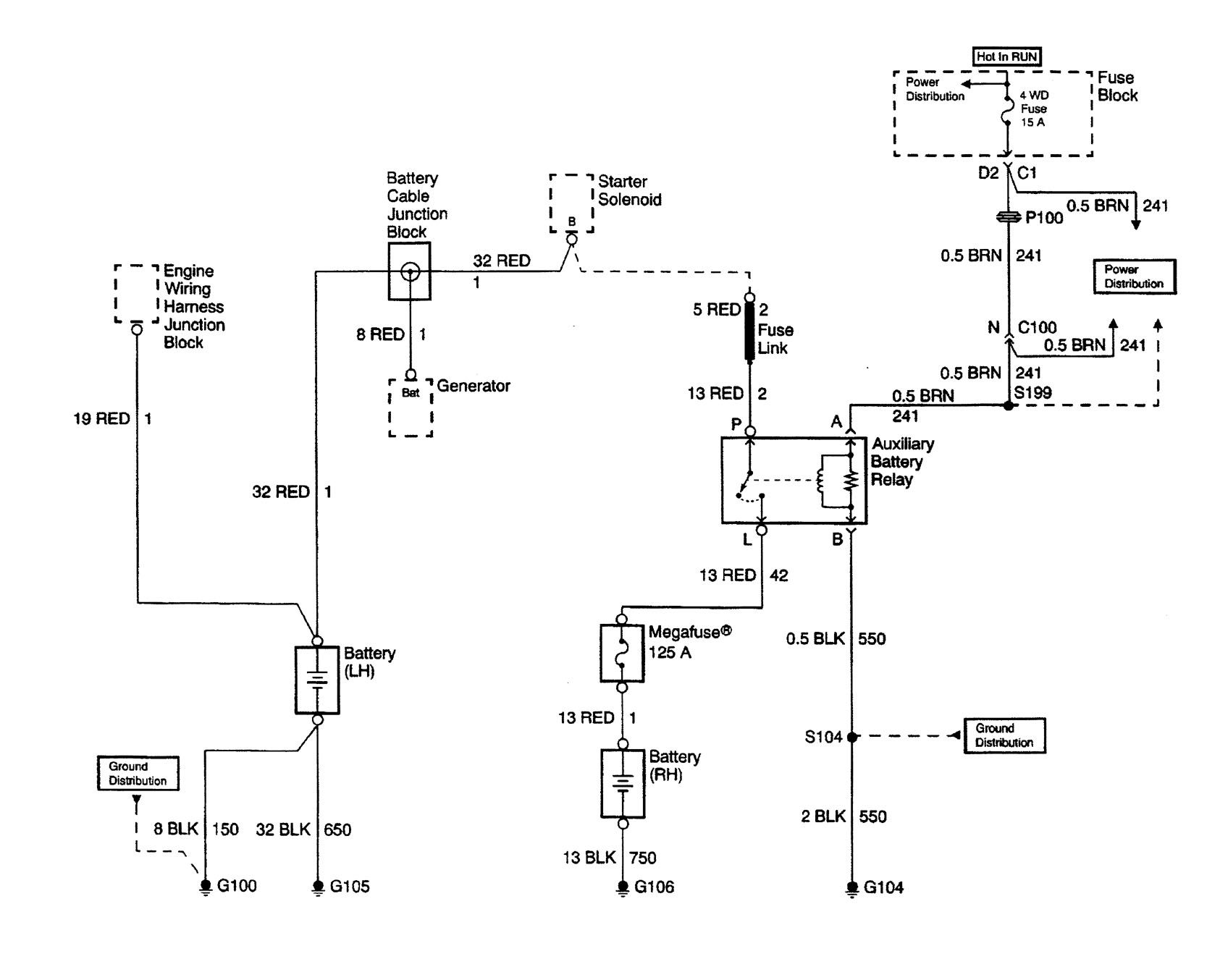
Cadillac Escalade (2000) – wiring diagrams – auxiliary battery
Year of productions: 2000
Auxiliary battery

Cadillac Escalade – wiring diagrams – auxiliary battery
WARNING: Terminal and harness assignments for individual connectors will vary depending on vehicle equipment level, model, and market.
