Cadillac Commercial Chassis (1993) – fuse box diagram
Year of production: 1993
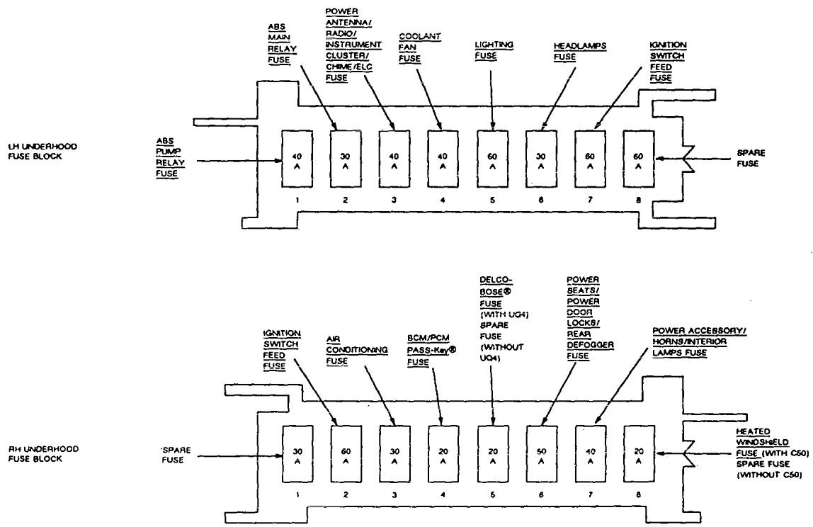
Engine compartment

Cadillac Commercial Chassis – fuse box diagram – engine compartment
Passenger compartment

Cadillac Commercial Chassis – fuse box diagram – passenger compartment
WARNING: Terminal and harness assignments for individual connectors will vary depending on vehicle equipment level, model, and market.
