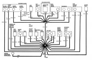
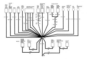
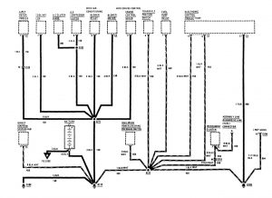
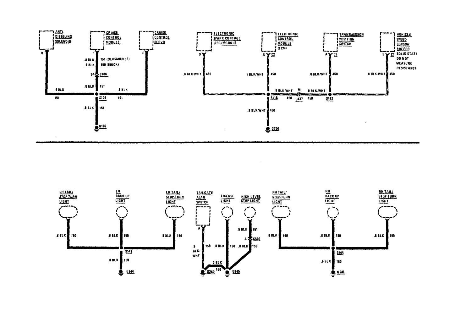
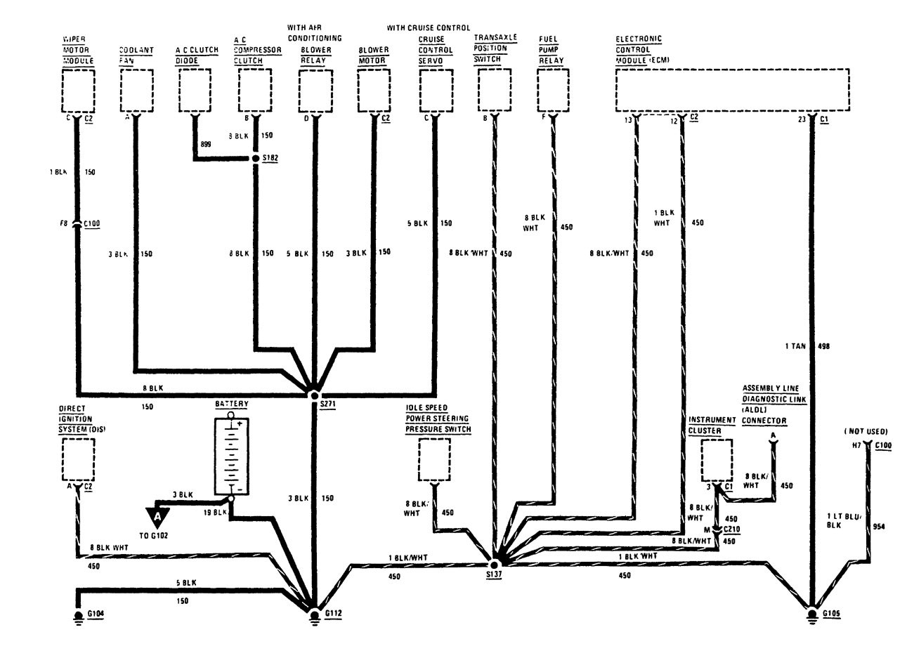
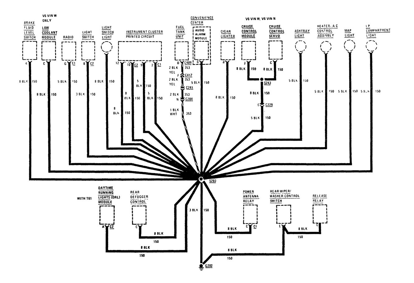
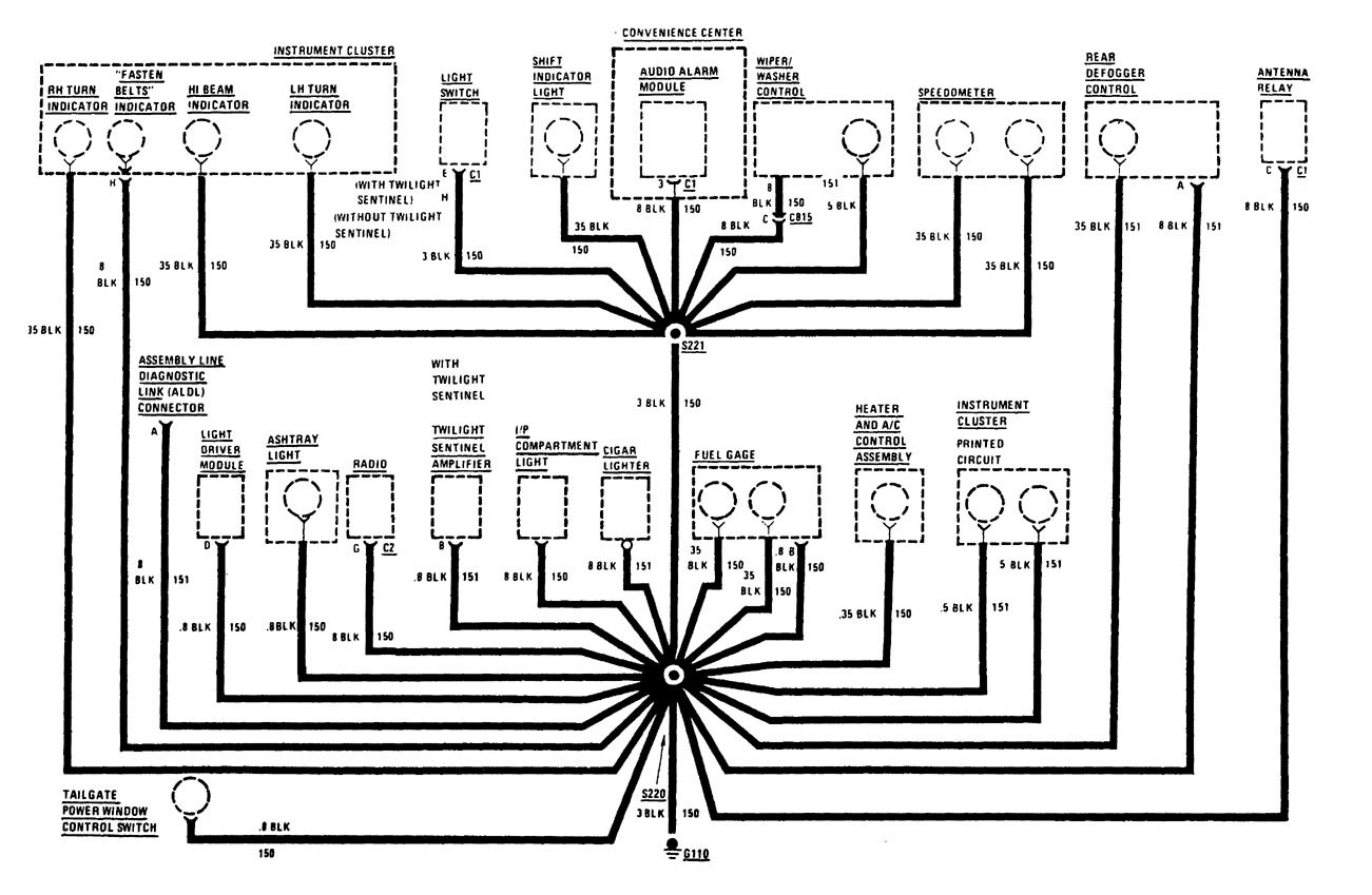
Buick Century (1989) – wiring diagrams – ground distribution
Year of productions: 1988
Ground distribution
Version 1

ground distribution (part 1)

ground distribution (part 2)
Version 2

ground distribution
Version 3

ground distribution (part 1)

ground distribution (part 2)
Version 4

ground distribution
Version 5

ground distribution
Version 6

ground distribution
WARNING: Terminal and harness assignments for individual connectors will vary depending on vehicle equipment level, model, and market.
