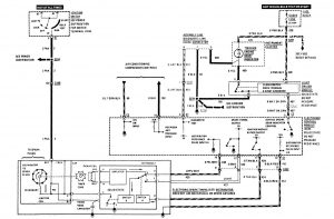
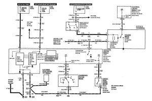
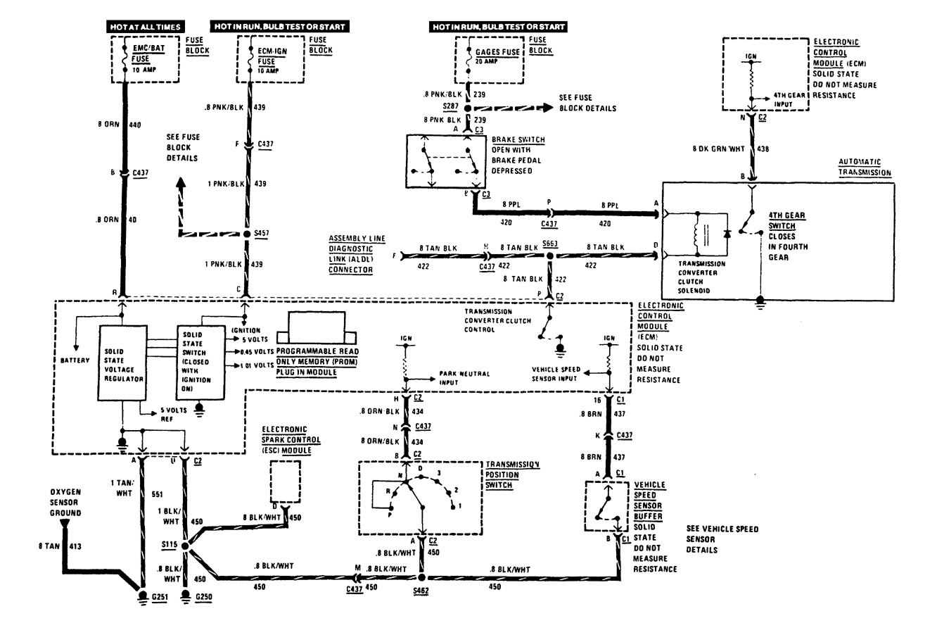
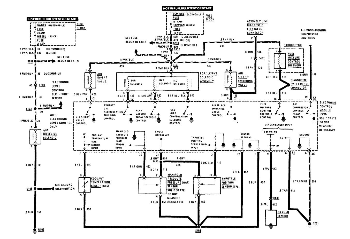
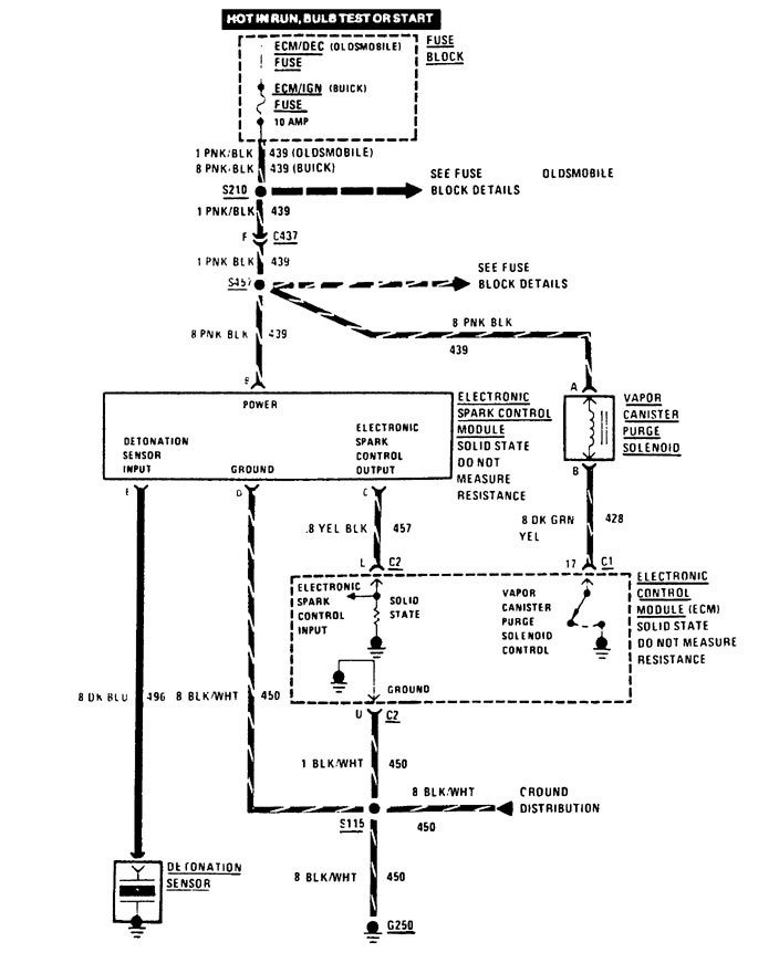
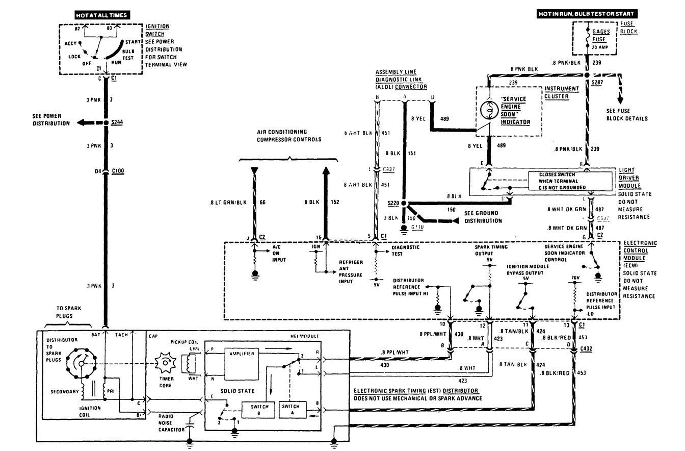
Buick Century (1989) – wiring diagrams – computer data lines
Year of productions: 1989
Computer data lines
Version 1

computer date lines (part 1)

computer date lines (part 2)
Version 2

computer date lines (part 1)

computer date lines (part 2)
WARNING: Terminal and harness assignments for individual connectors will vary depending on vehicle equipment level, model, and market.
