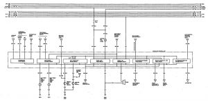
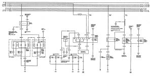
Acura Vigor (1993) – wiring diagrams – side marker lamp
Year of productions: 1993
Side marker lamp
Version 1

Version 2

WARNING: Terminal and harness assignments for individual connectors will vary depending on vehicle equipment level, model, and market.
