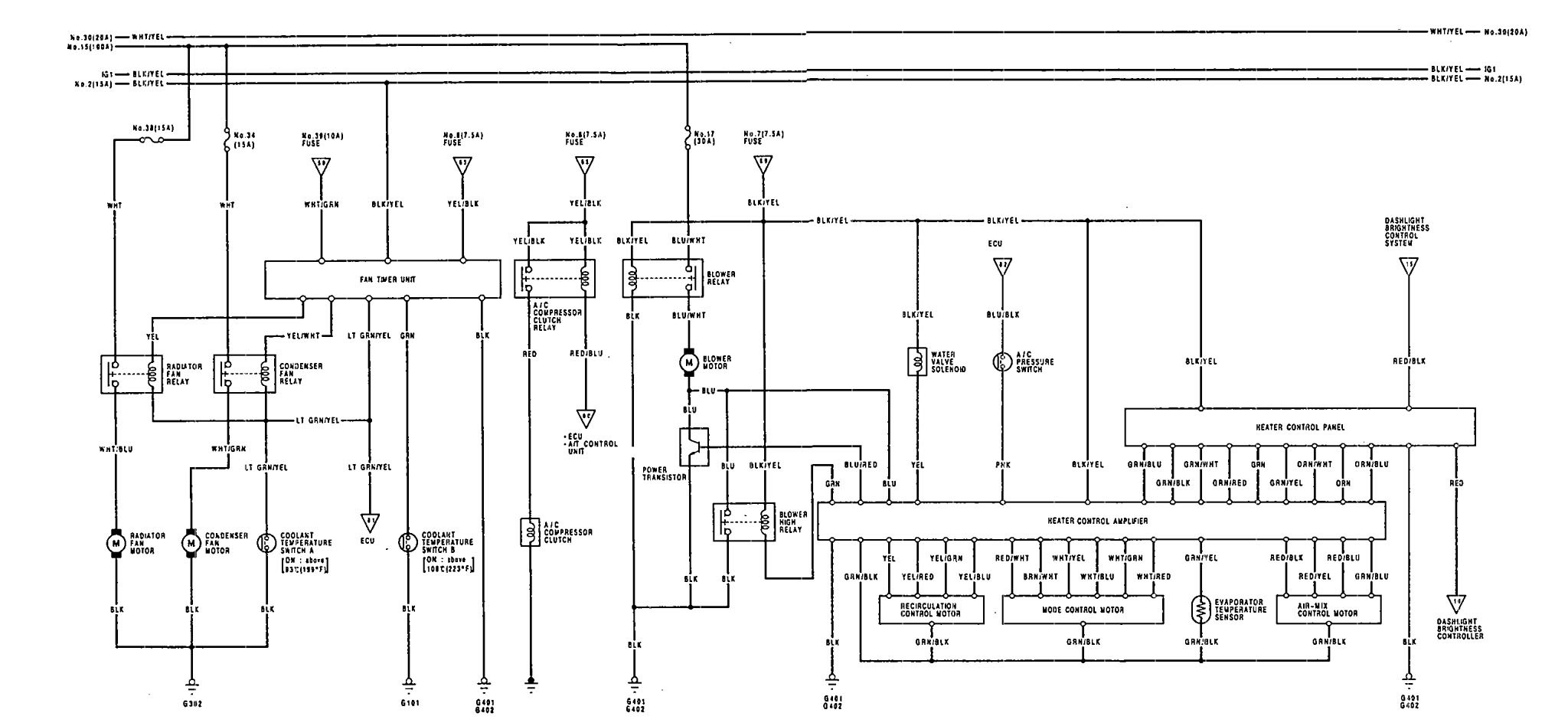
Acura Vigor (1992) – wiring diagrams – heater 14 May 2017 admin Acura, Vigor 0 Acura Vigor (1992) – wiring diagrams – heater Year of productions: 1992 Heater Acura Vigor – wiring diagram – heater WARNING: Terminal and harness assignments for individual connectors will vary depending on vehicle equipment level, model, and market. HVACWiring diagrams
Acura Acura NSX (1997 – 2005) – wiring diagrams – wiper/washer 21 January 2018 admin 0 Acura NSX (1997 – 2005) – wiring diagrams – wiper/washer Year of productions: 1997, 1998, 1999, 2000, 2001, 2002, 2003, 2004, 2005 Wiper/washer WARNING: Terminal and harness assignments for individual connectors will vary depending on […]
S70 Volvo S70 (1998 – 2000) – wiring diagrams – parking lamp 4 July 2017 admin 0 Volvo S70 (1998 – 2000) – wiring diagrams – parking lamp Year of productions: 1998, 1999, 2000 Parking lamp WARNING: Terminal and harness assignments for individual connectors will vary depending on vehicle equipment level, model, […]
Acura Acura RL (1996 – 1998) – wiring diagrams – ground distribution 8 September 2017 admin 0 Acura RL (1996 – 1998) – wiring diagrams – ground distribution Year of productions: 1996, 1997, 1998 Ground distribution Version 1 Version 2 WARNING: Terminal and harness assignments for individual connectors will vary depending on […]