Acura Vigor (1992 – 1993) – wiring diagrams – wiper/washer
Year of productions: 1992, 1993
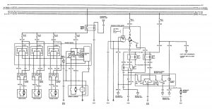
Wiper/washer

WARNING: Terminal and harness assignments for individual connectors will vary depending on vehicle equipment level, model, and market.
Copyright © 2026 | MH Magazine WordPress Theme by MH Themes