Acura TL (2014) – wiring diagrams – keyless entry
Year of productions: 2014
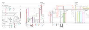
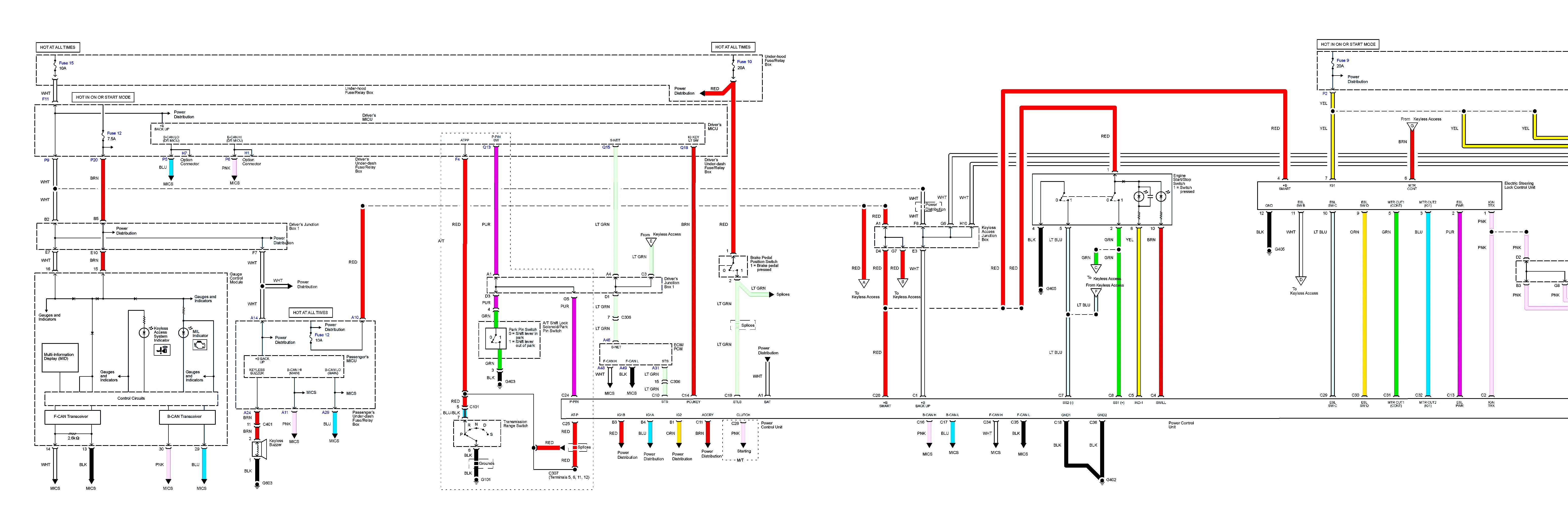
Keyless entry
Version 1



Version 2


WARNING: Terminal and harness assignments for individual connectors will vary depending on vehicle equipment level, model, and market.
Year of productions: 2014





WARNING: Terminal and harness assignments for individual connectors will vary depending on vehicle equipment level, model, and market.
Copyright © 2026 | MH Magazine WordPress Theme by MH Themes