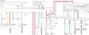
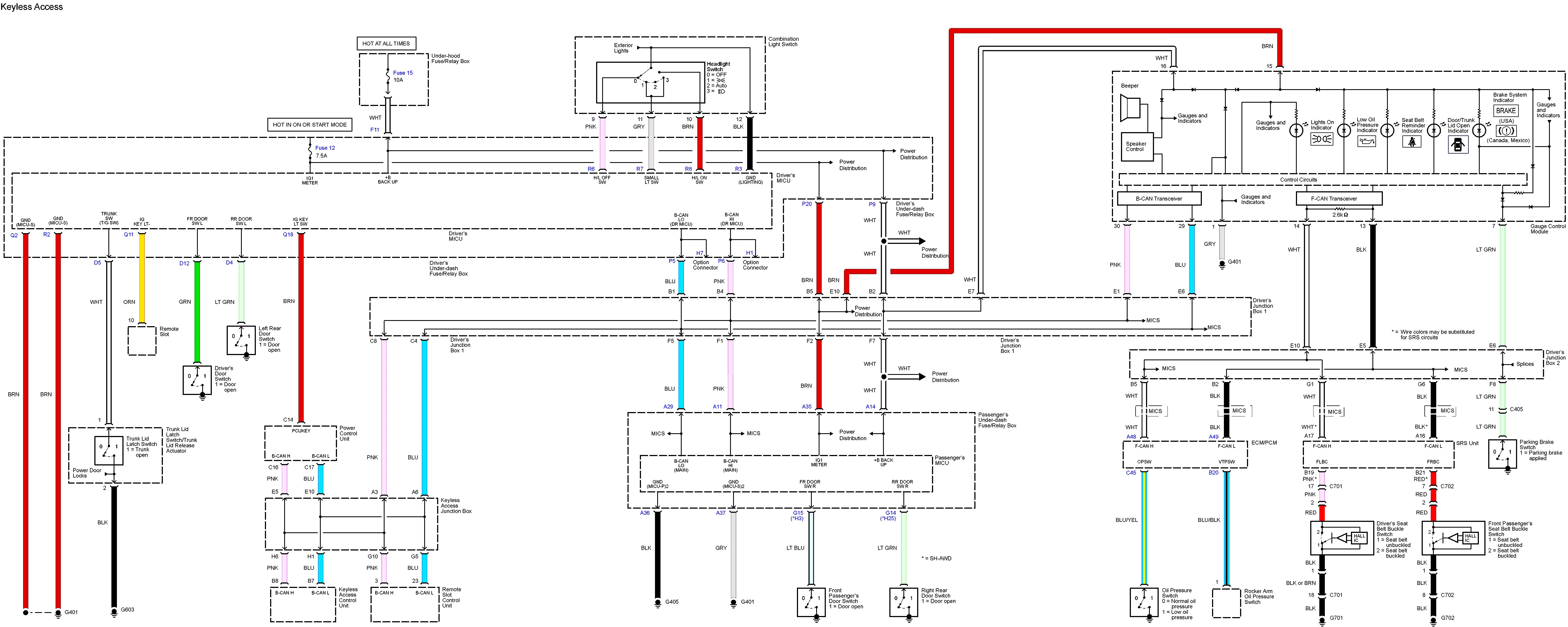
Acura TL (2013 – 2014) – wiring diagrams – warning indicators
Year of productions: 2013, 2014
Warning indicators
Without keyless access

With keyless access

WARNING: Terminal and harness assignments for individual connectors will vary depending on vehicle equipment level, model, and market.
