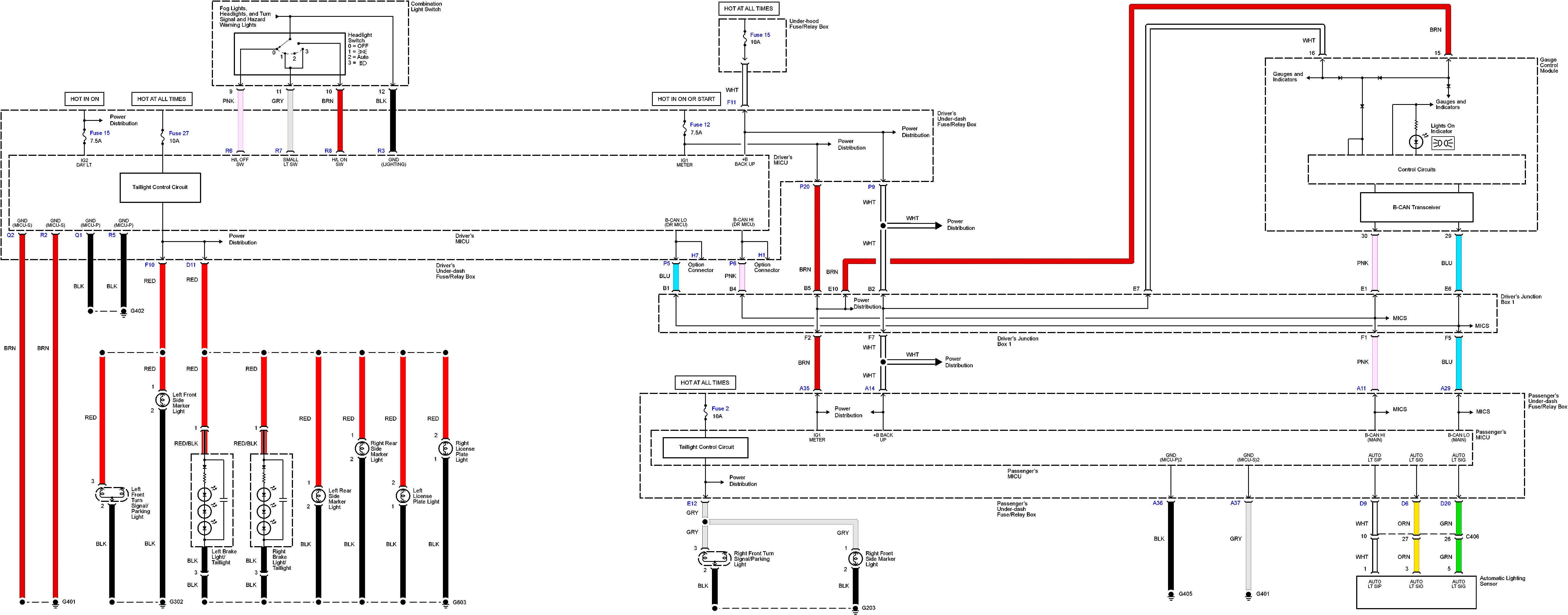
Acura TL (2013 – 2014) – wiring diagrams – tail lamps
Year of productions: 2013, 2014
Tail lamps

WARNING: Terminal and harness assignments for individual connectors will vary depending on vehicle equipment level, model, and market.
Copyright © 2026 | MH Magazine WordPress Theme by MH Themes