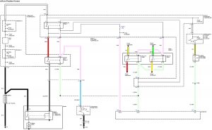
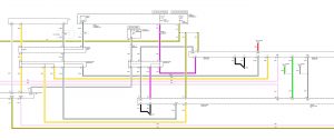
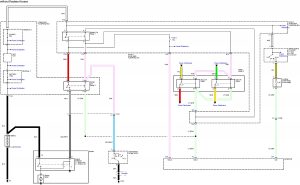
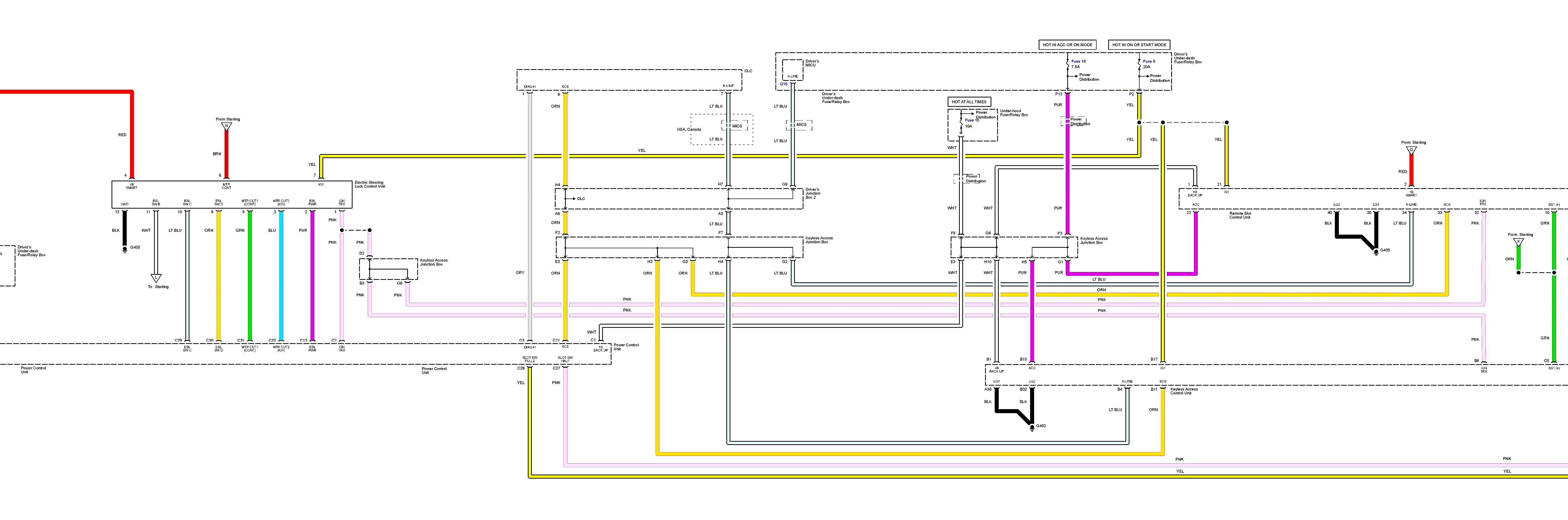
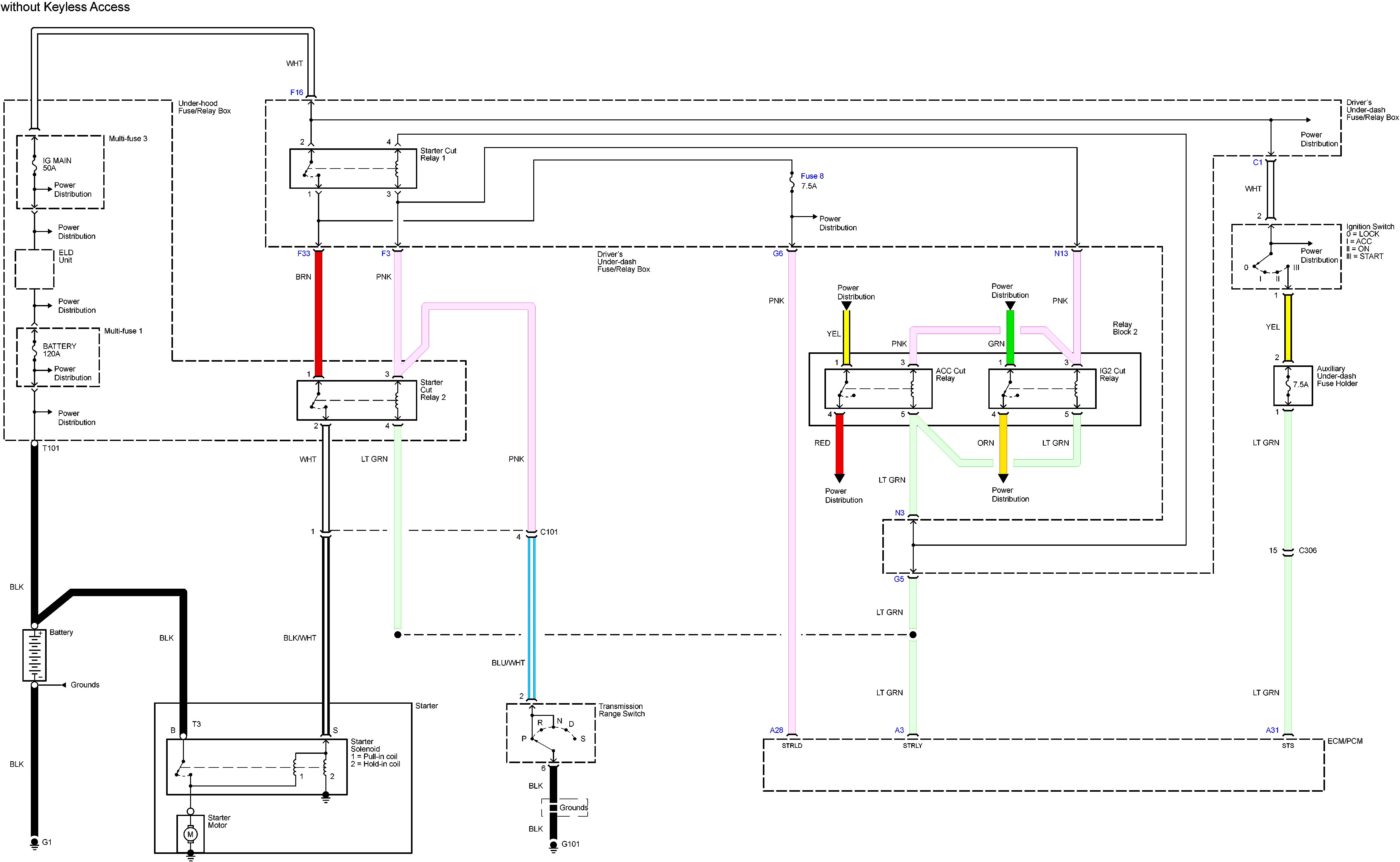
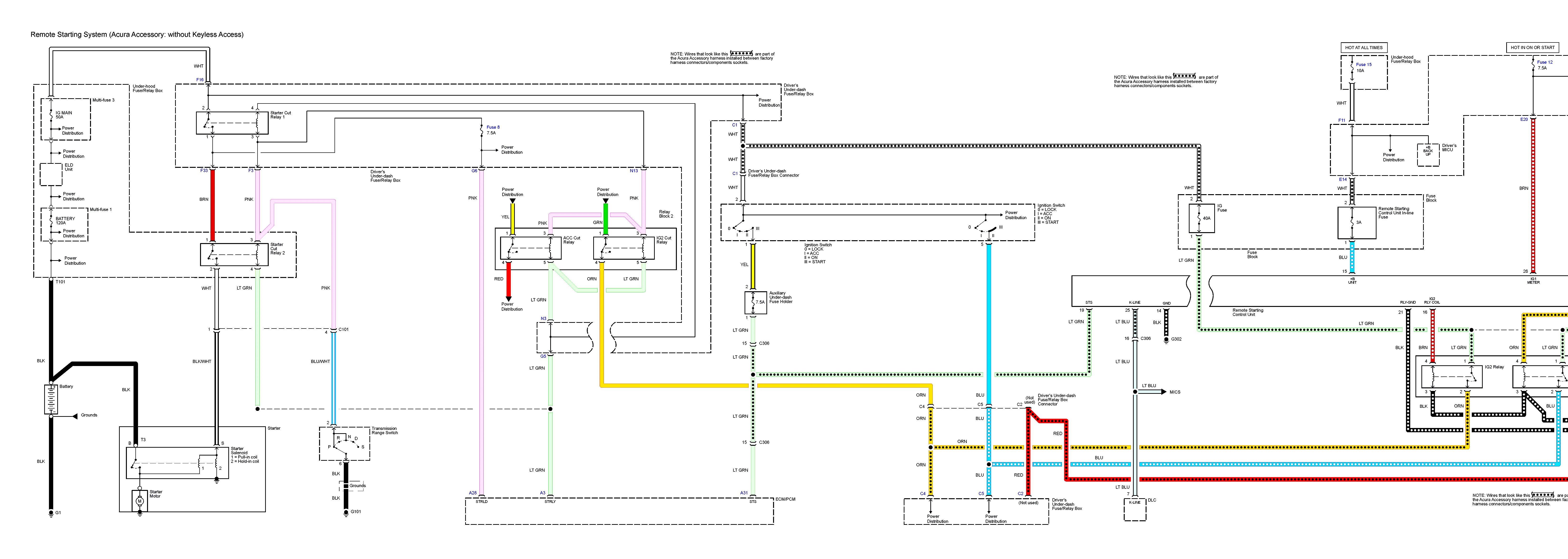
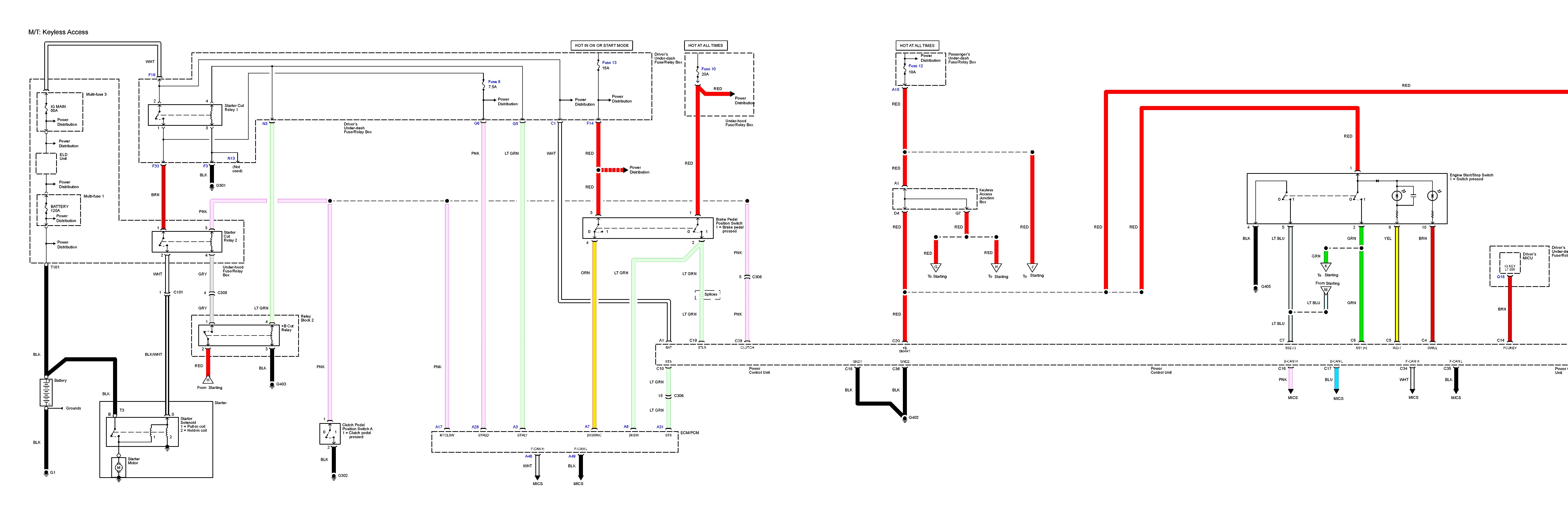
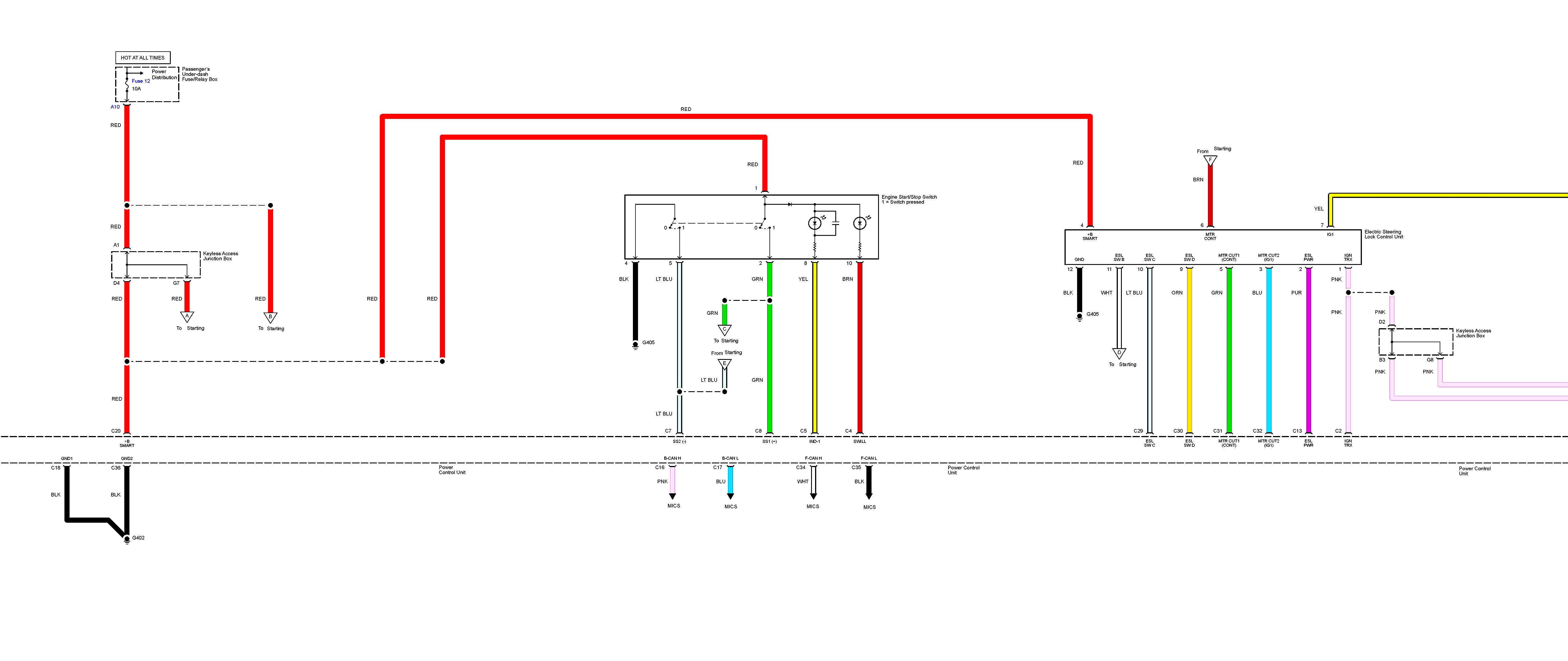
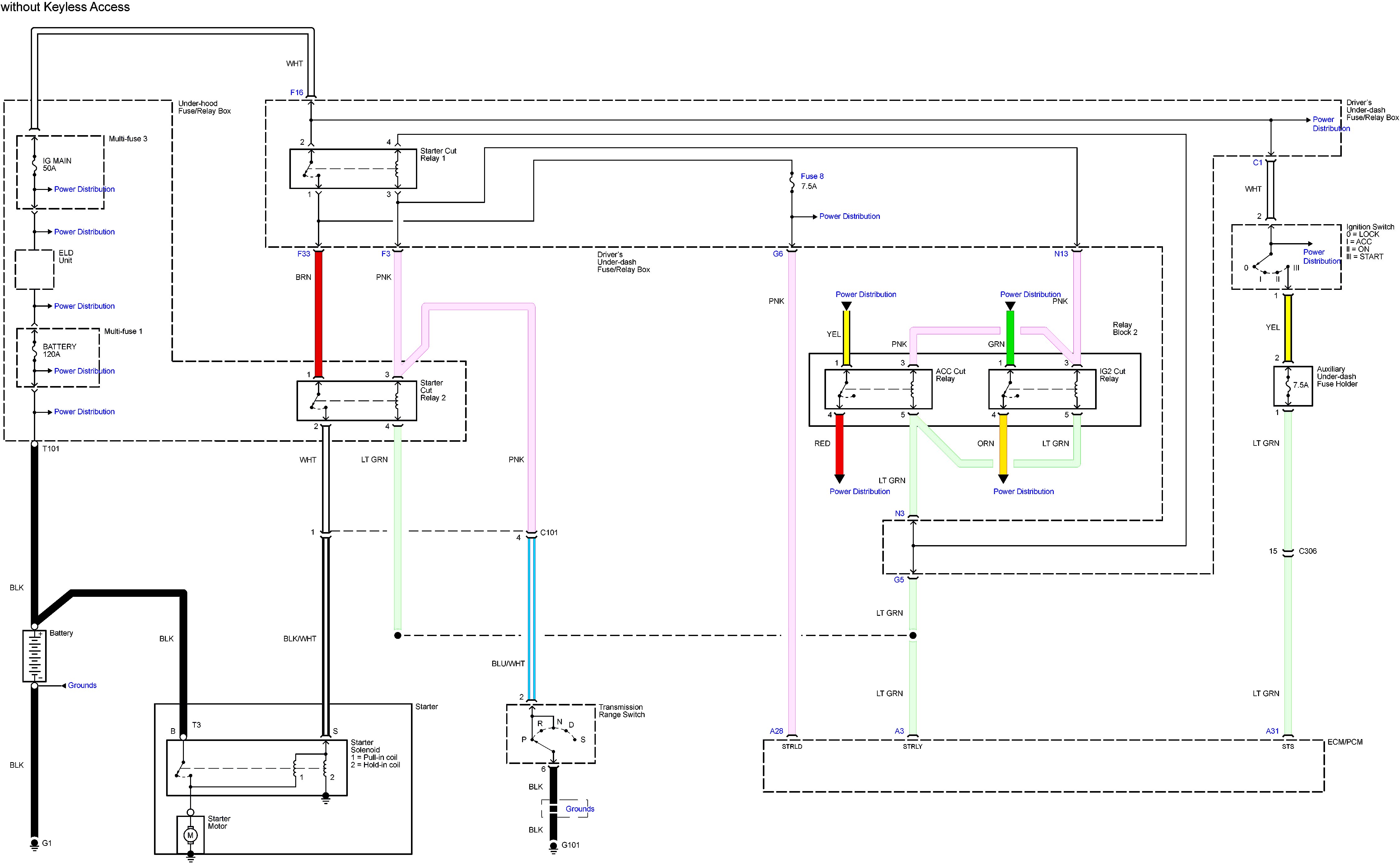
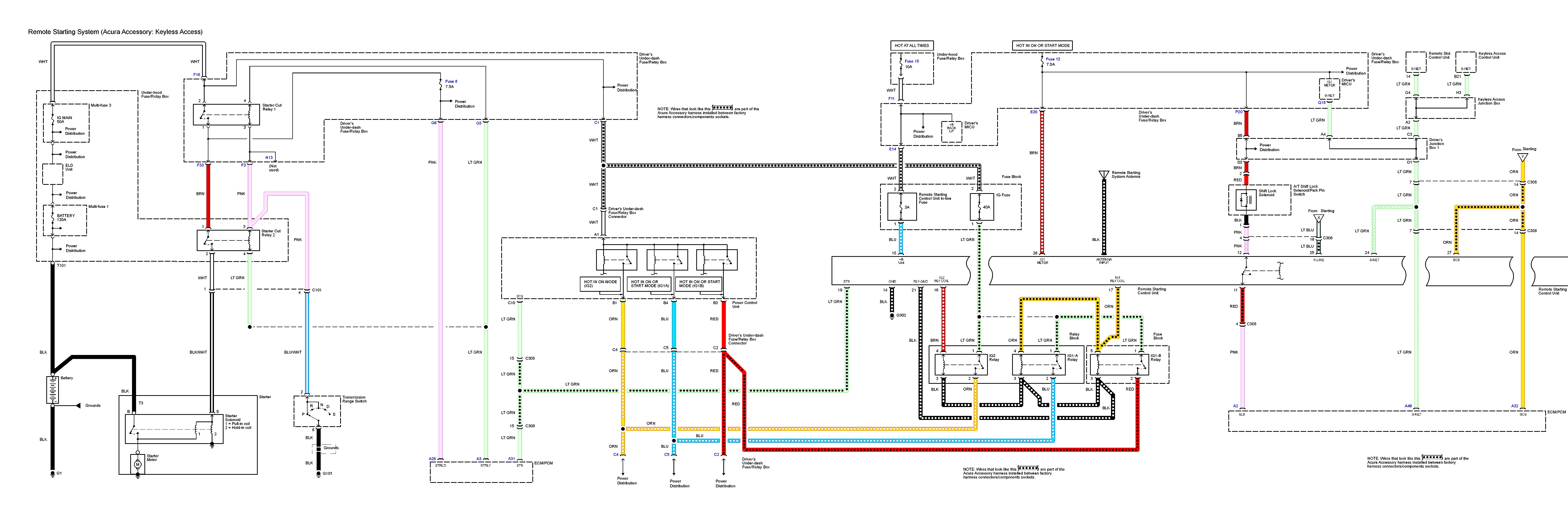
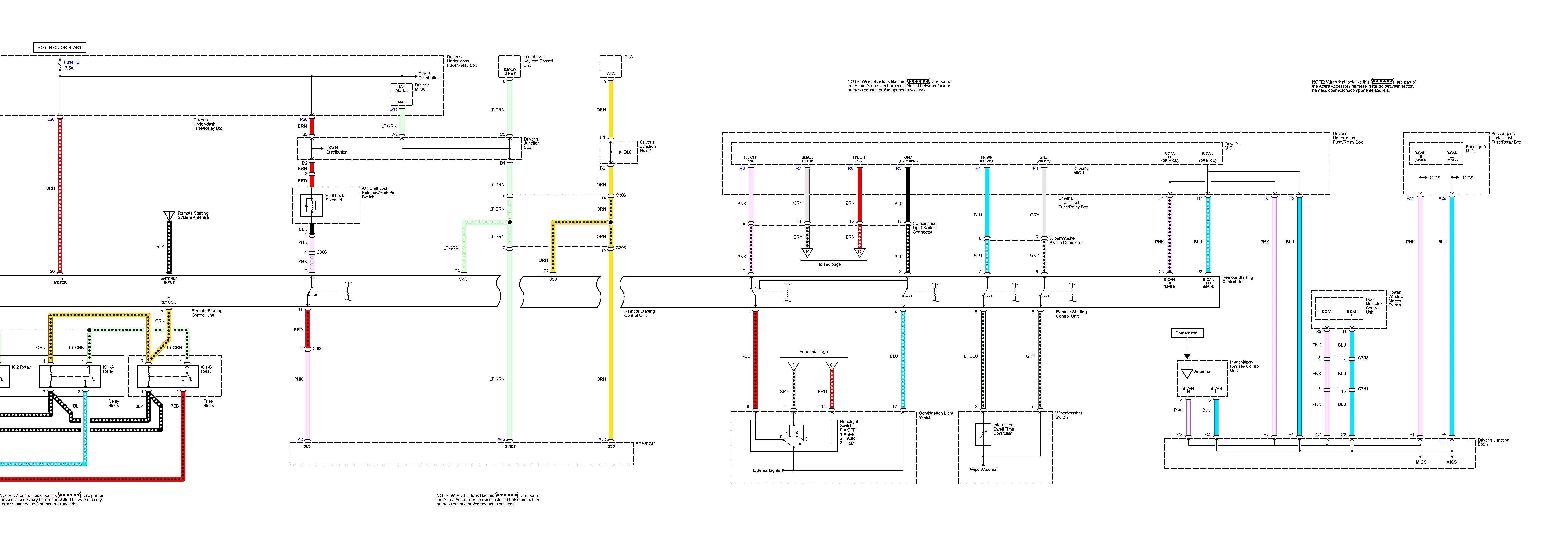
Acura TL (2013 – 2014) – wiring diagrams – starting
Year of productions: 2013, 2014
Starting
Version 1

starting (part 1)

starting (part 2)

starting (part 3)

starting (part 4)

starting (part 5)
Version 2

starting (part 1)

starting (part 2)
Version 3

Version 4

starting (part 1)

starting (part 2)

starting (part 3)

starting (part 4)
Version 5

starting (part 1)

starting (part 2)

starting (part 3)
Version 6

WARNING: Terminal and harness assignments for individual connectors will vary depending on vehicle equipment level, model, and market.
