Acura TL (2013 – 2014) – wiring diagrams – maintenance reminder system
Year of productions: 2013, 2014
Maintenance reminder system
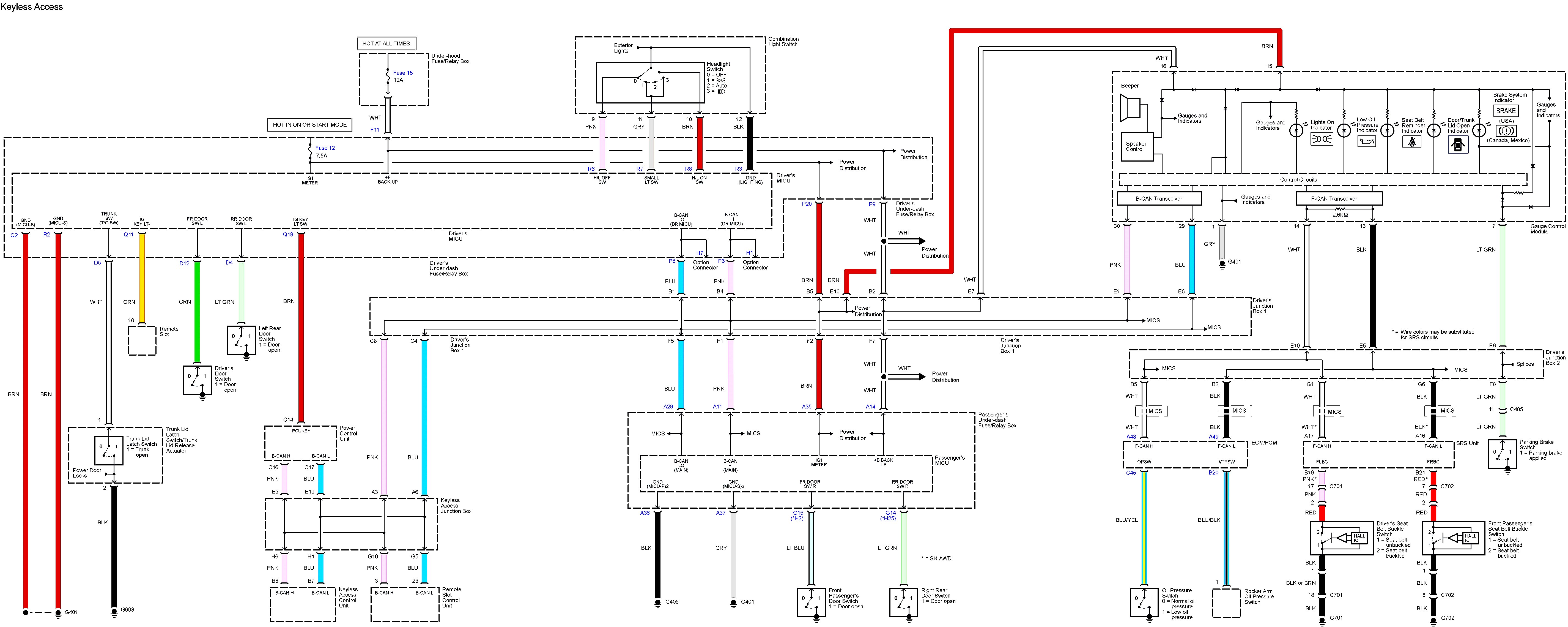
With keyless access

Without keyless access

WARNING: Terminal and harness assignments for individual connectors will vary depending on vehicle equipment level, model, and market.
