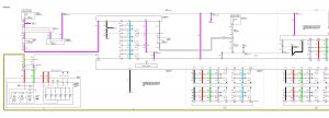
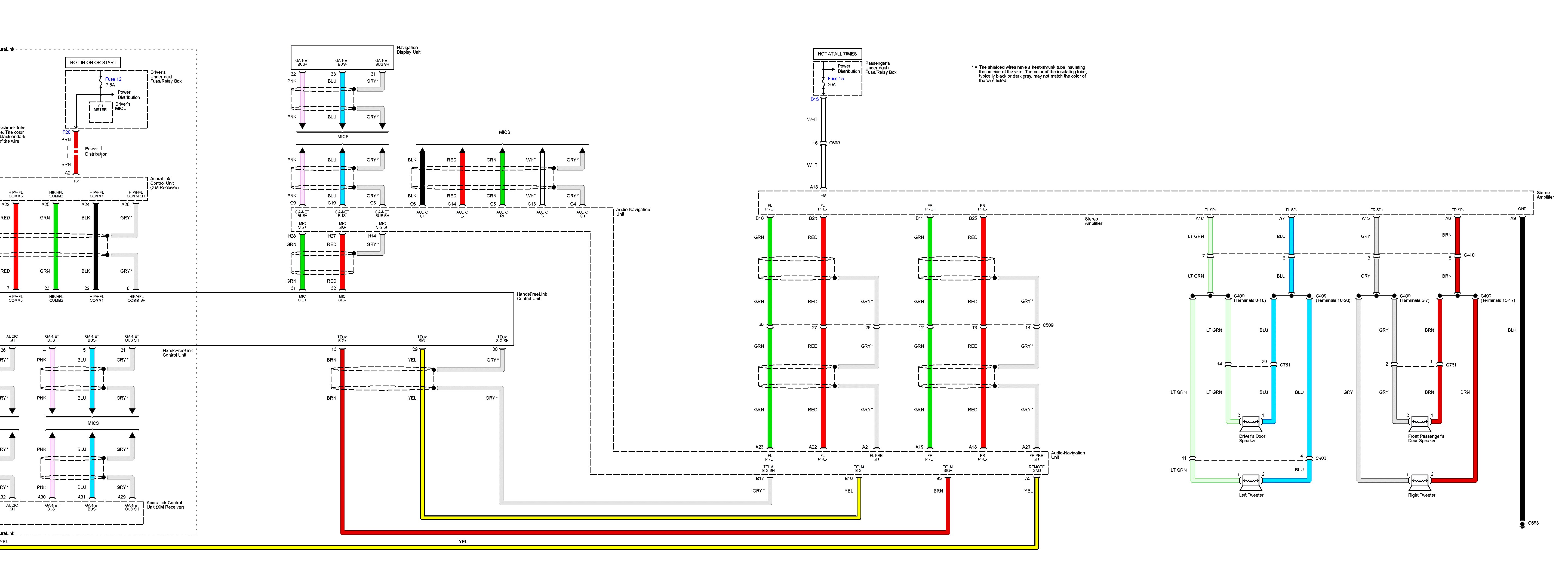
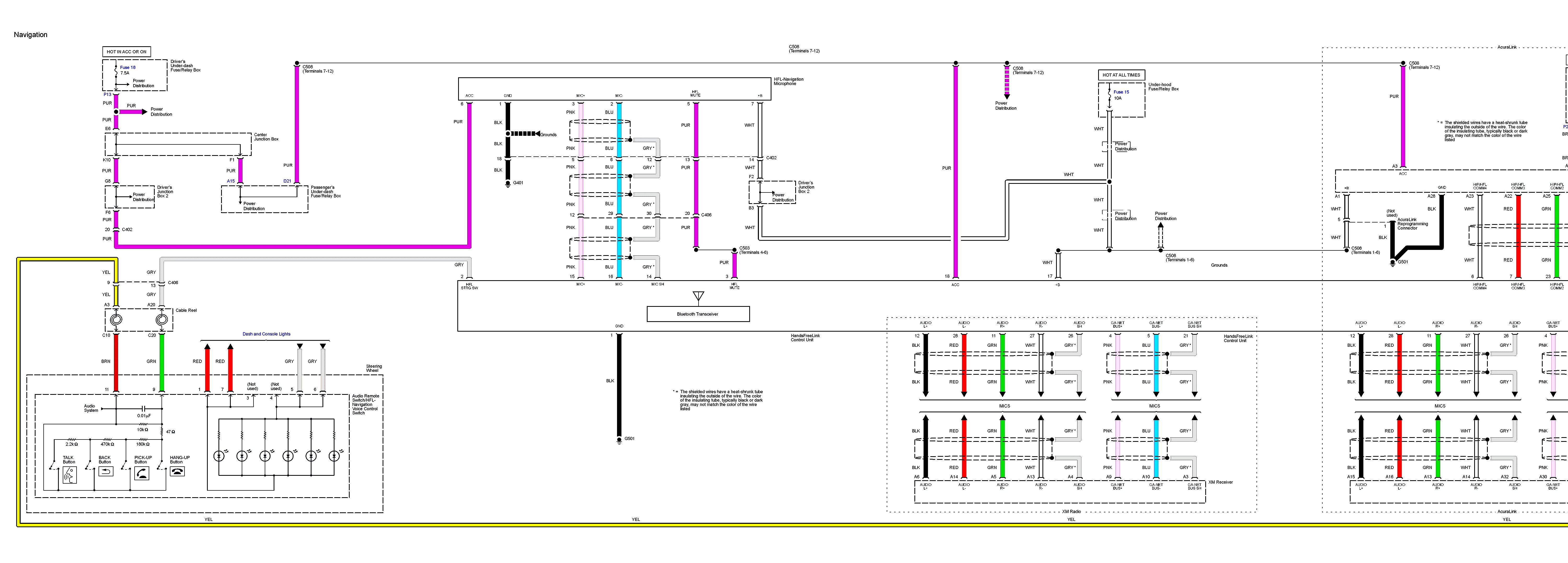
Acura TL (2013 – 2014) – wiring diagrams – hands free link system
Year of productions: 2013, 2014
Hands free link system
With navigation


Without navigation


WARNING: Terminal and harness assignments for individual connectors will vary depending on vehicle equipment level, model, and market.
