Acura TL (2013 – 2014) – wiring diagrams – audio
Year of productions: 2013, 2014
Audio
Version 1 – Audio without navigation




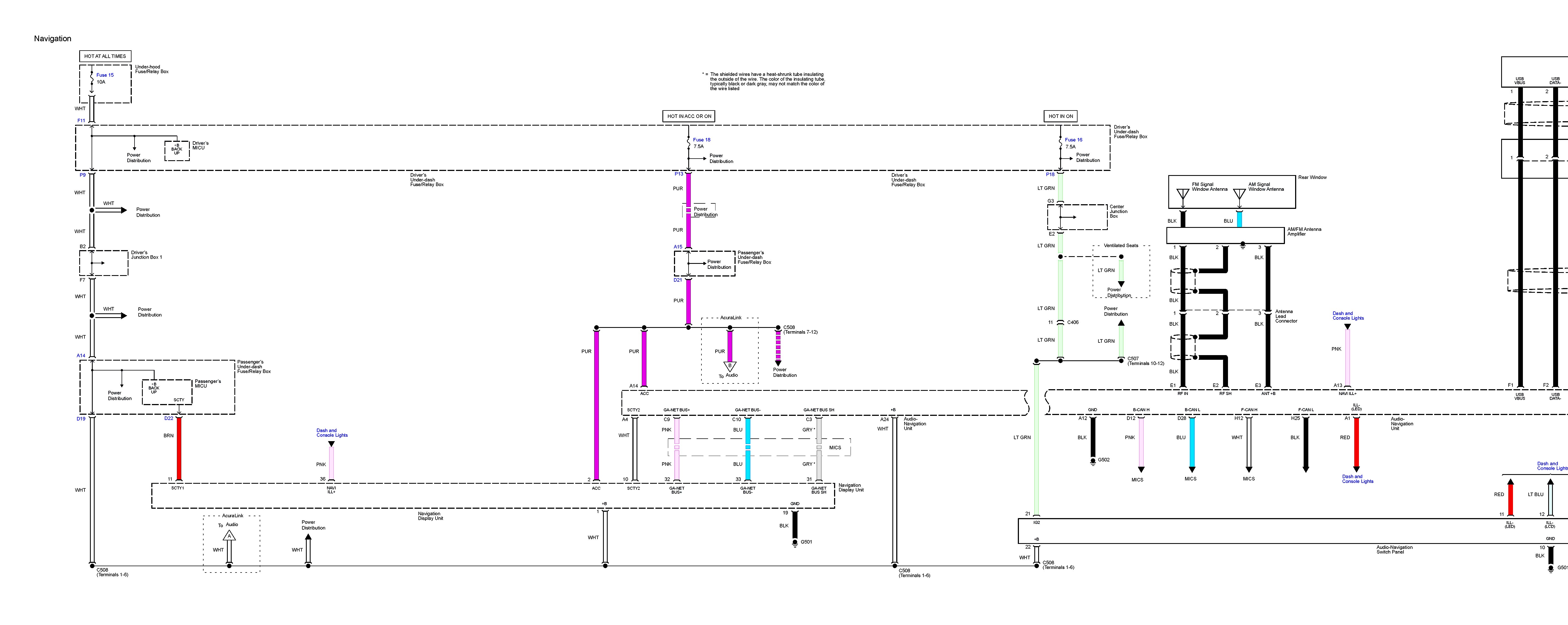
Version 2 – Audio with navigation





WARNING: Terminal and harness assignments for individual connectors will vary depending on vehicle equipment level, model, and market.
