Acura TL (2011) – wiring diagrams – starting
Year of productions: 2011
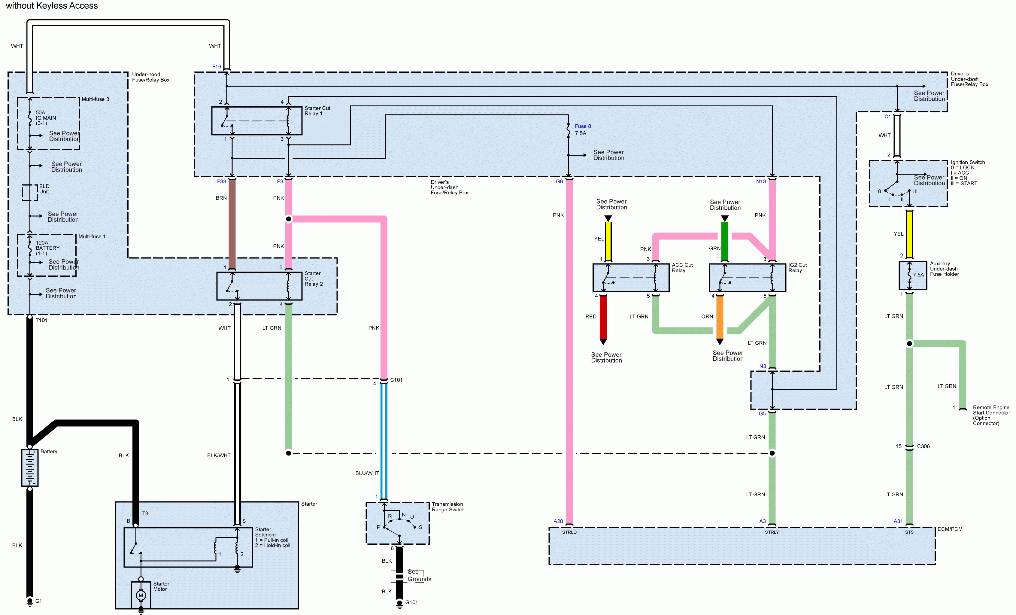
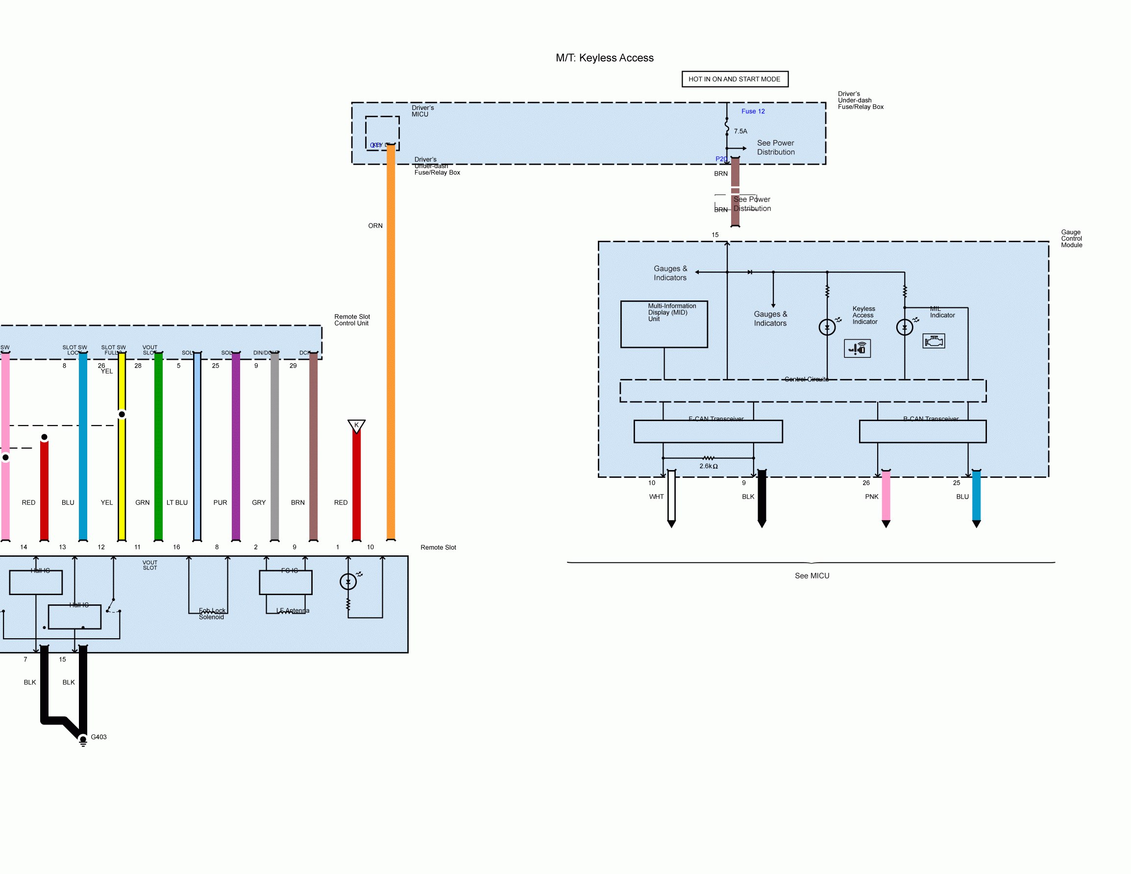
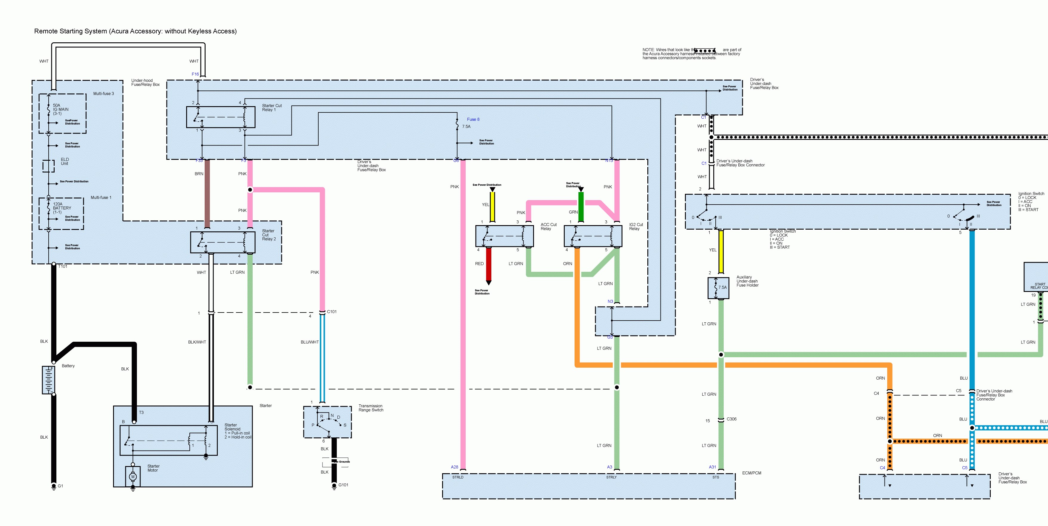
Starting
Version 1

Version 2





Version 3





Version 4



Version 5









WARNING: Terminal and harness assignments for individual connectors will vary depending on vehicle equipment level, model, and market.
