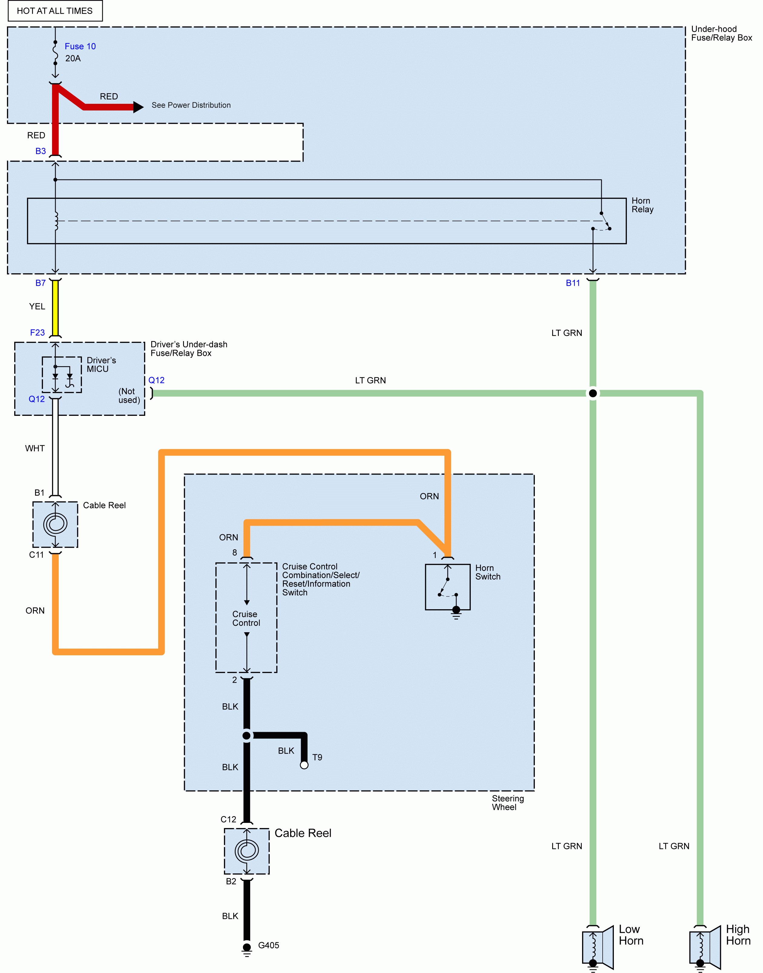
Acura TL (2011 – 2014) – wiring diagrams – horn
Year of productions: 2011, 2012, 2013, 2014
Horn

WARNING: Terminal and harness assignments for individual connectors will vary depending on vehicle equipment level, model, and market.
Copyright © 2026 | MH Magazine WordPress Theme by MH Themes