Acura TL (2011) – wiring diagrams – connector
Year of productions: 2011
Connector
Version 1 – A/T Park Position Circuit (A/T)

Version 2 – A/T Reverse Position Circuit (A/T)

Version 3 – Back Up Lamps Circuit (A/T)

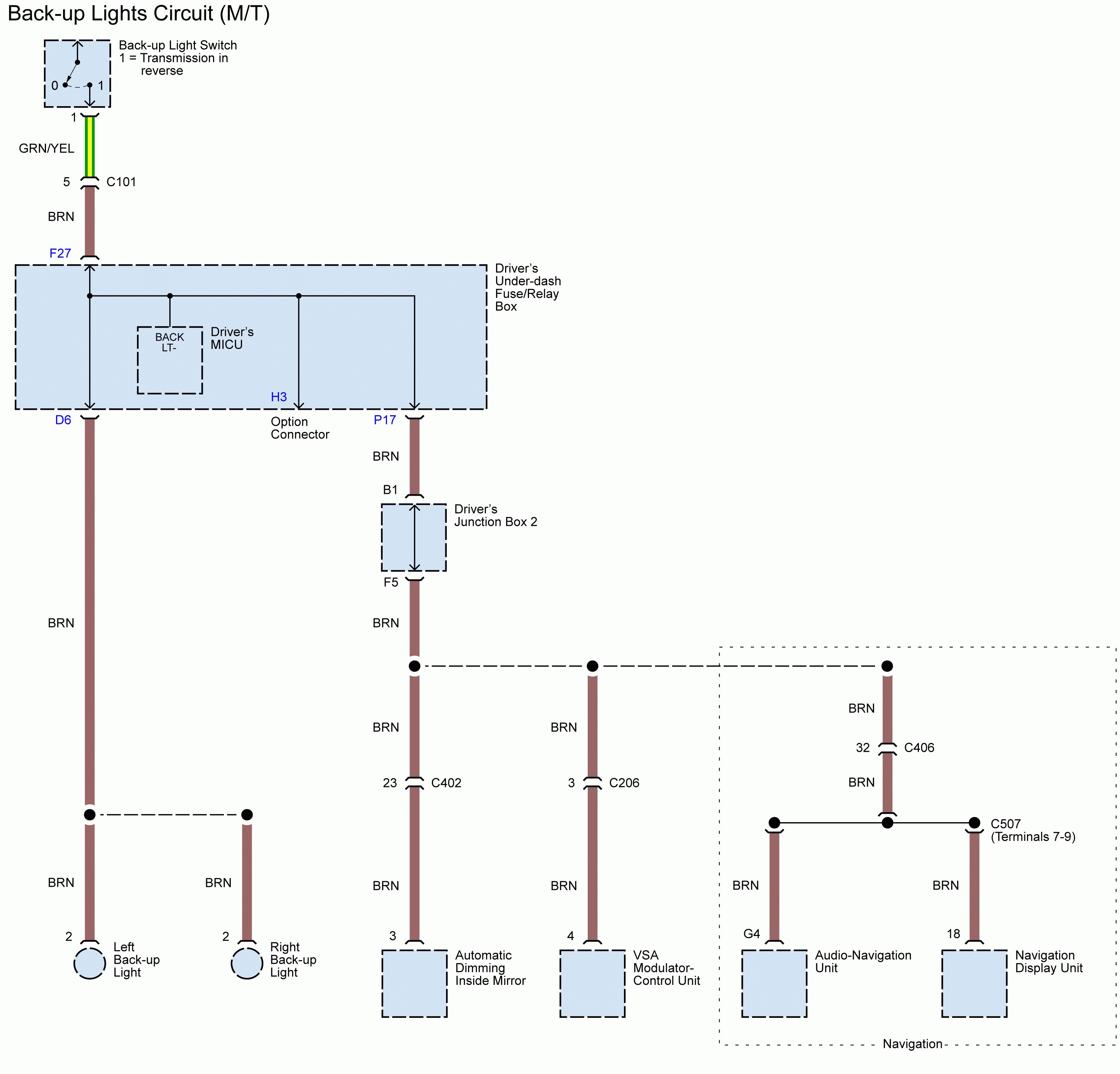
Version 4 – Back-up Lights Circuit (M/T)

Version 5 – Brake Pedal Position Circuit

Version 6 – ECM/PCM Controlled Power Source Circuit

Version 7 – ECM/PCM Relays Control Circuit

Version 8 – Engine Speed Pulse Circuit

engine speed pulse circuit
Version 9 – Ground for Climate Control Sensors Circuit

Version 10 – Ground for ECM/PCM Sensors (SG1) circuit

ground for ECM/PCM sensors (SG1) Circuit
Version 11 – Ground for ECM/PCM Sensors (SG2) circuit

ground for ECM/PCM sensors (SG2) circuit
Version 12 – Ground for ECM/PCM Sensors (SG4) circuit

ground for ECM/PCM sensors (SG4)
Version 13 – Ground for ECM/PCM Sensors (SG6) circuit

ground for ECM/PCM sensors (SG6) circuit
Version 14 – Illumination (Negative) Circuit -LEDs

illumination negative circuit LEDs (part 1)

illumination negative circuit LEDs (part 2)
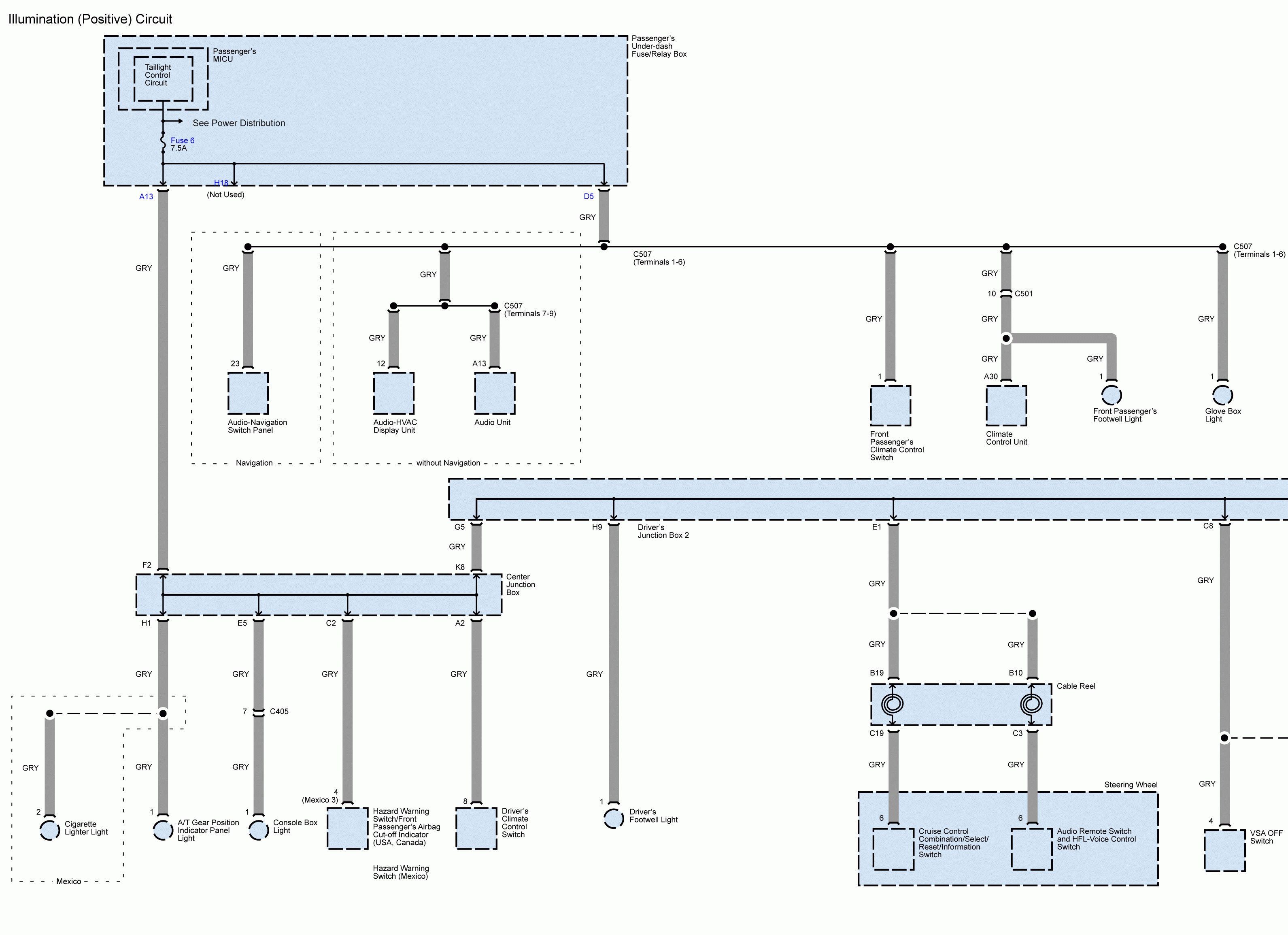
Version 15 – Illumination (Positive) Circuit

illumination (positive) circuit (part 1)

illumination (positive) circuit (part 2)
Version 16 – Left Turn Signal Circuit

left turn signal circuit (part 1)

left turn signal circuit (part 2)
Version 17 – Parking Brake Position Circuit

parking brake position circuit
Version 18 – Power source for ECM/PCM Circuit

Version 19 – Reference Voltage for Climate Control Sensor Circuit

reference voltage for climate control sensors circuit
Version 20 – Reference Voltage for ECM/PCM Sensor Circuit (VCC1)

reference voltage for ECM/PCM sensors circuit (VCC1)
Version 21 – Reference Voltage for ECM/PCM Sensor Circuit (VCC2)

reference voltage for ECM/PCM sensors circuit (VCC2)
Version 22 – Reference Voltage for ECM/PCM Sensor Circuit (VCC4)

reference voltage for ECM/PCM sensors circuit (VCC4)
Version 23 – Switch Illumination Circuit

switch illumination circuit
Version 24 – Trunk Switch Position Circuit

trunk switch position circuit
WARNING: Terminal and harness assignments for individual connectors will vary depending on vehicle equipment level, model, and market.
