Acura TL (2011) – wiring diagrams – computer data lines
Year of productions: 2011
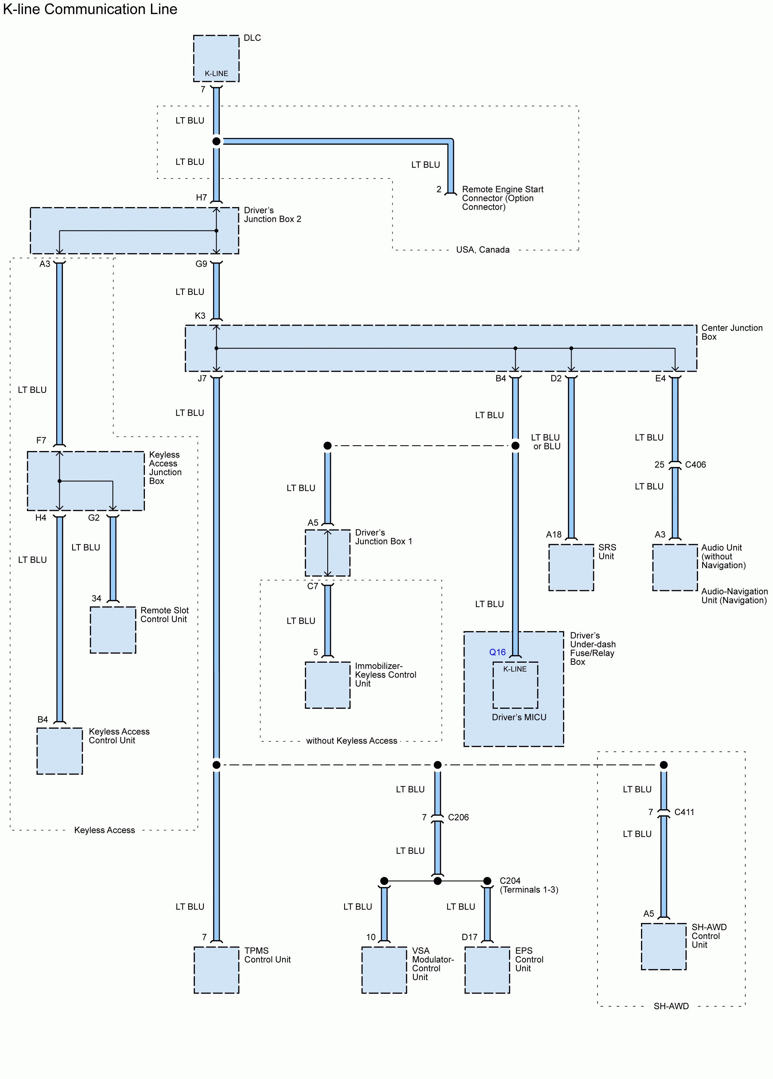
Computer data lines
Version 1







Version 2

Version 3

Version 4

Version 5

Version 6

Version 7

Version 8

Version 9

WARNING: Terminal and harness assignments for individual connectors will vary depending on vehicle equipment level, model, and market.
