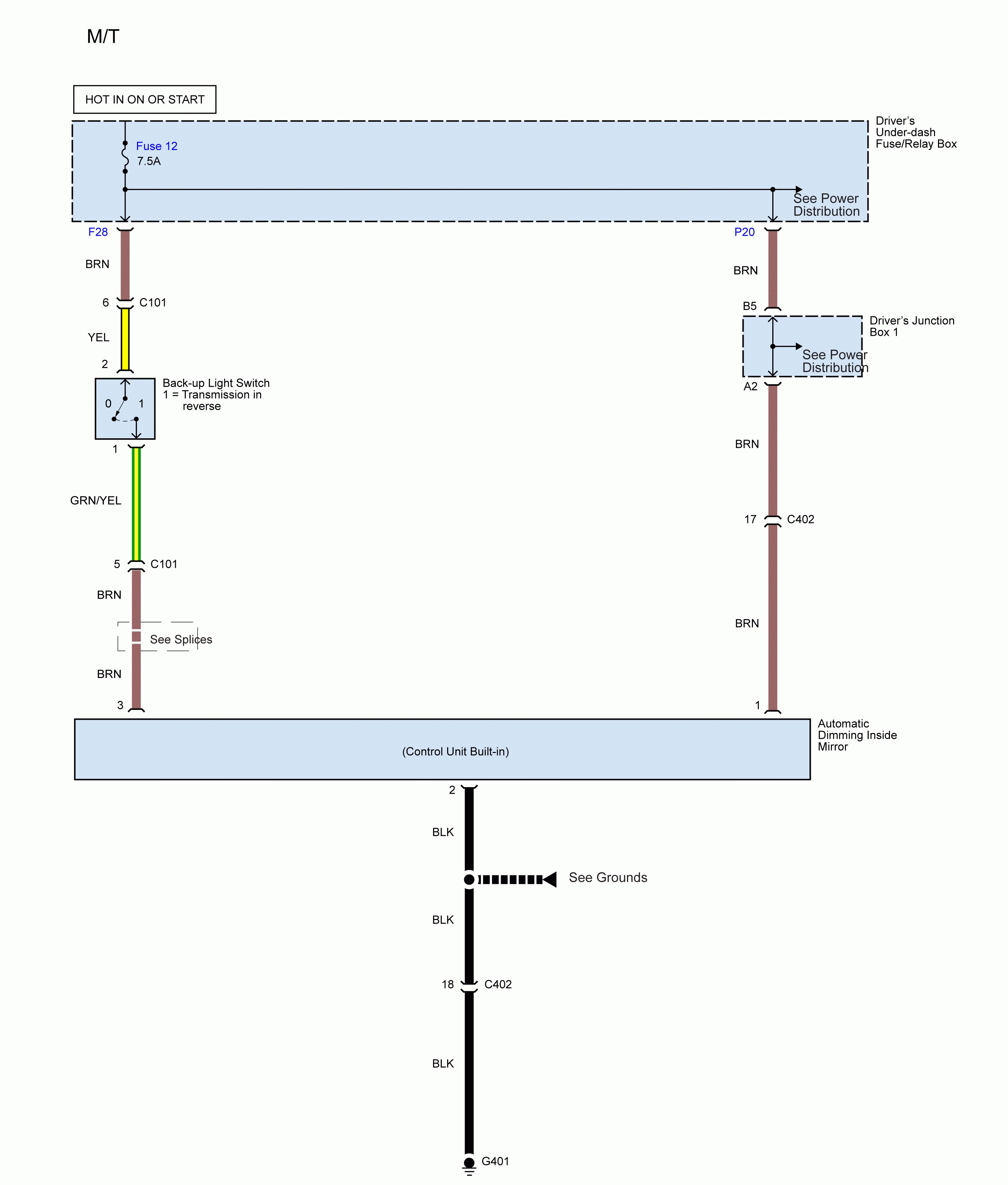
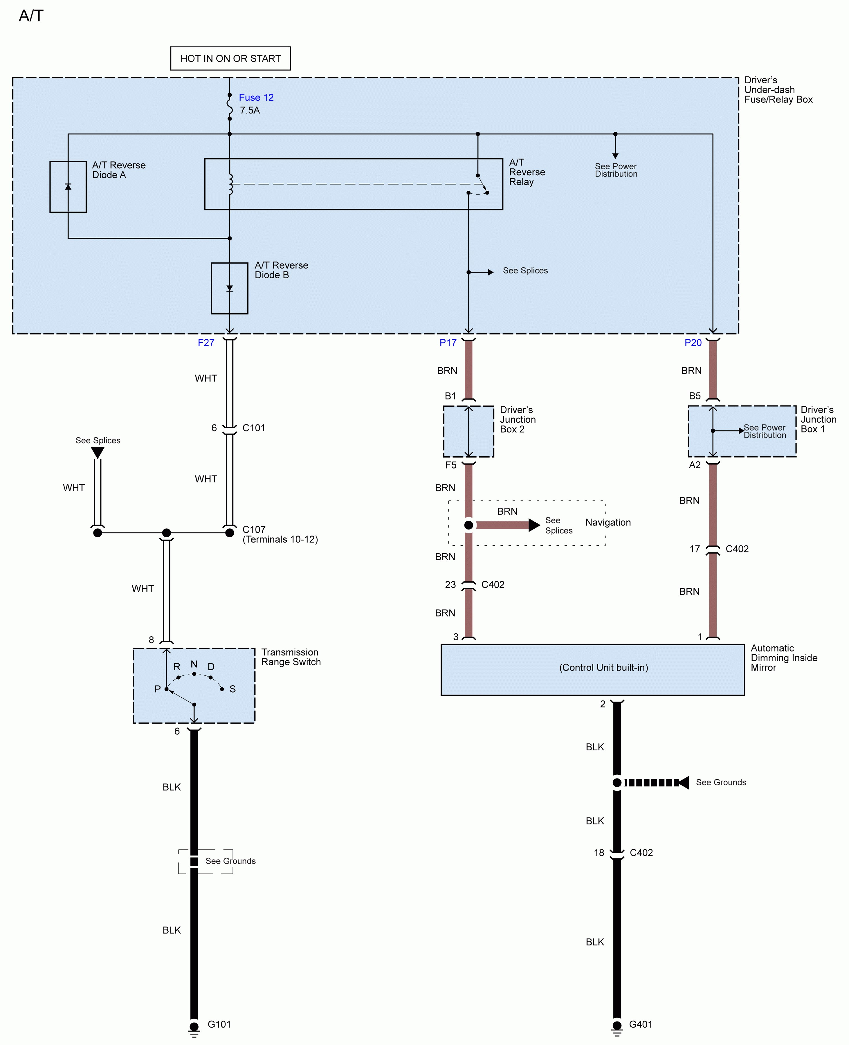
Acura TL (2011) – wiring diagrams – automatic dimming mirror
Year of productions: 2011
Automatic dimming mirror
Version 1 – Automatic dimming mirror (A/T)

Version 2 – Automatic dimming mirror (M/T)

WARNING: Terminal and harness assignments for individual connectors will vary depending on vehicle equipment level, model, and market.
