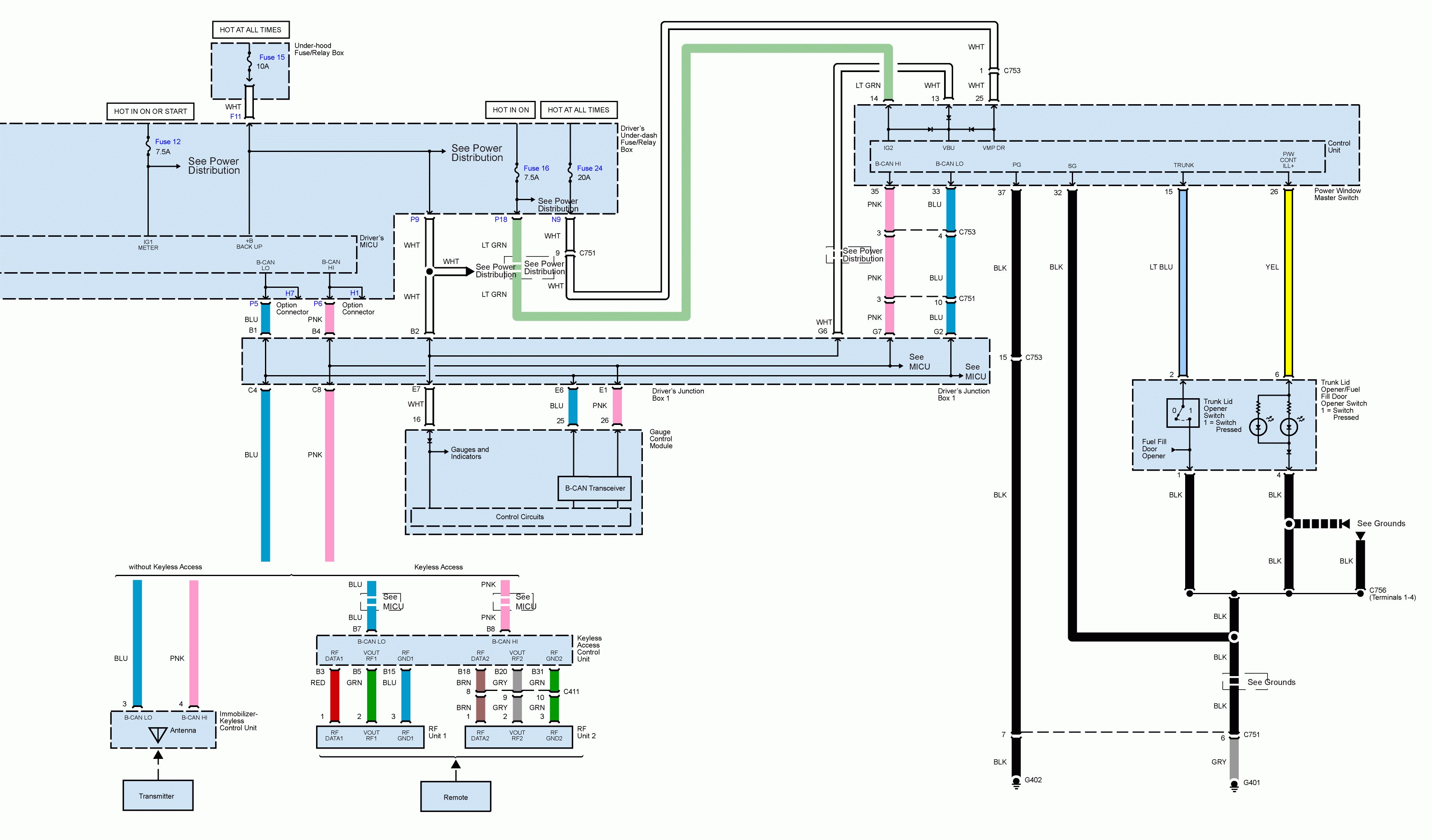
Acura TL (2011) – wiring diagram – luggage compartment release
Year of productions: 2011
Luggage compartment release


WARNING: Terminal and harness assignments for individual connectors will vary depending on vehicle equipment level, model, and market.
