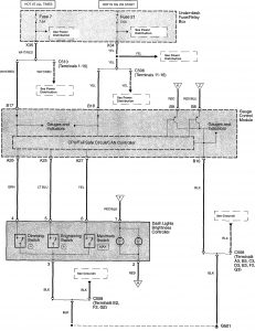
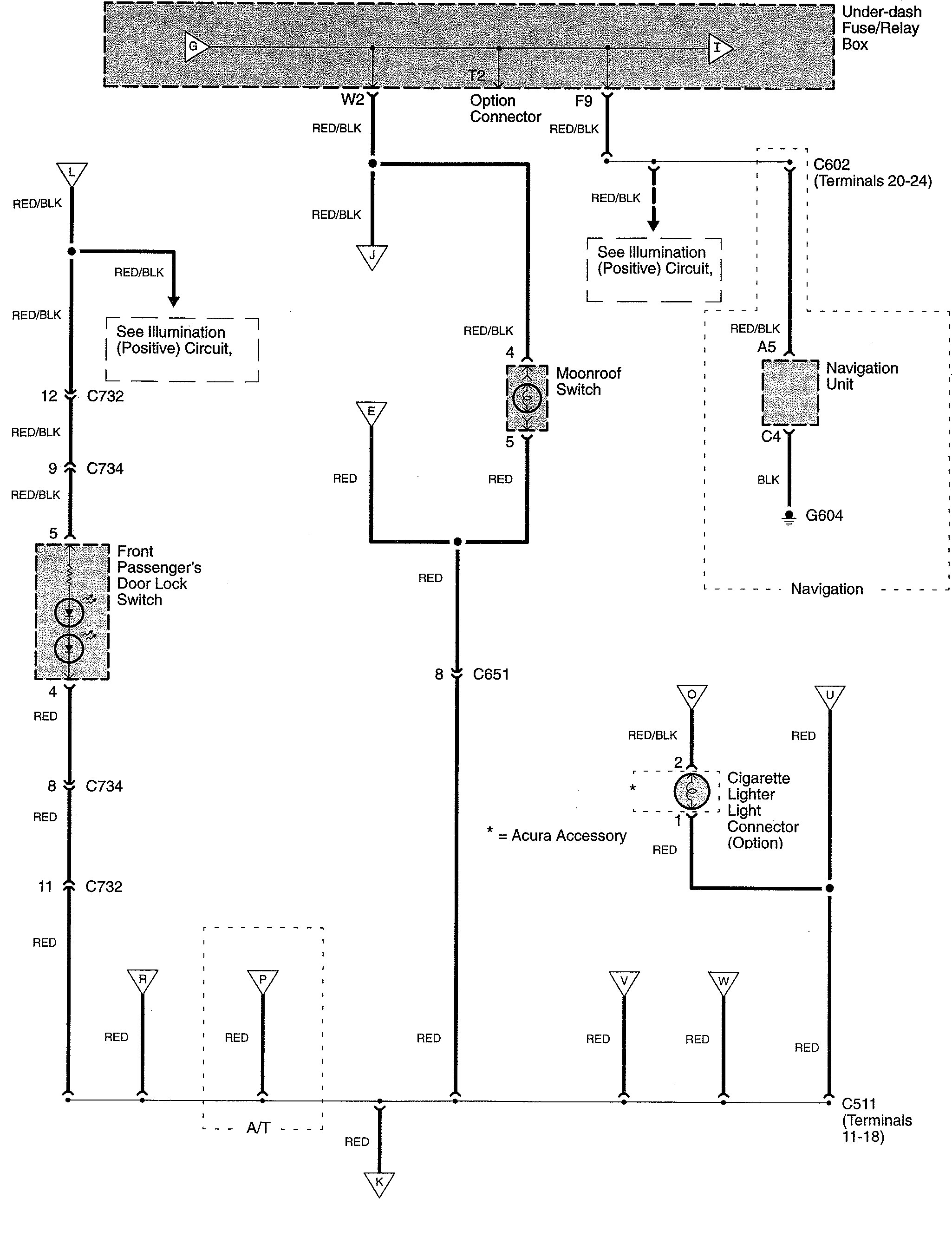
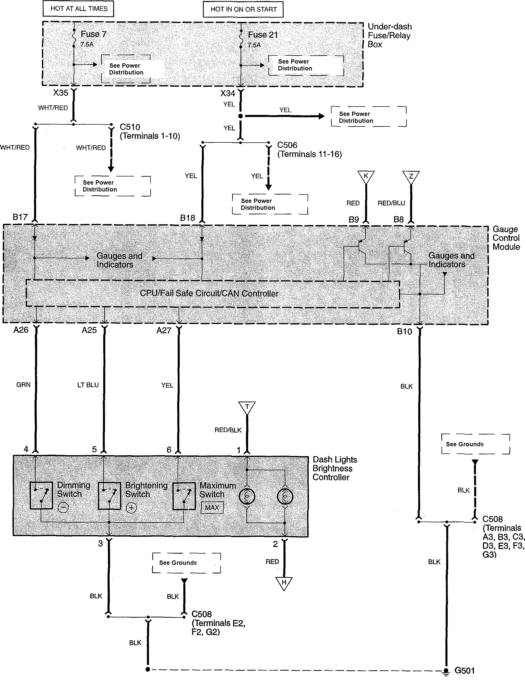
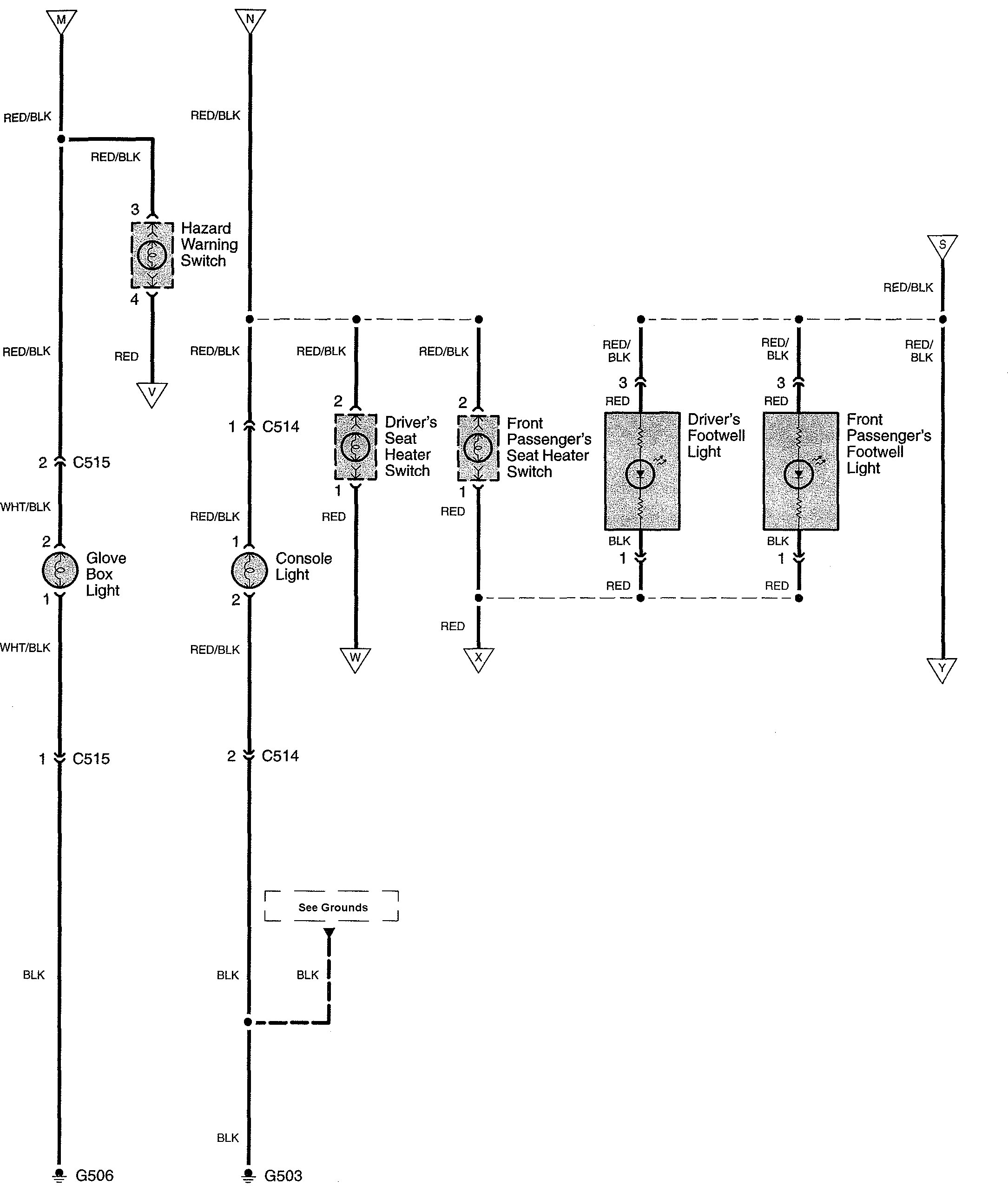
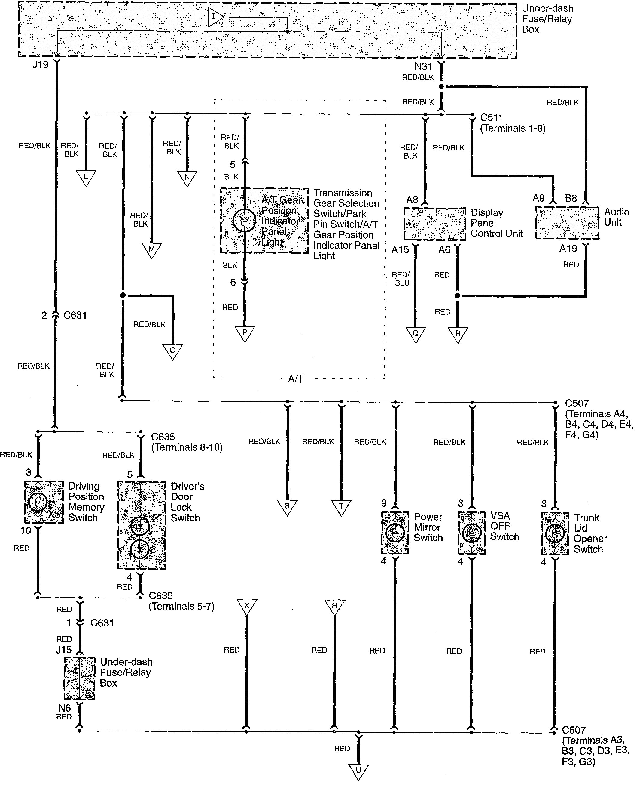
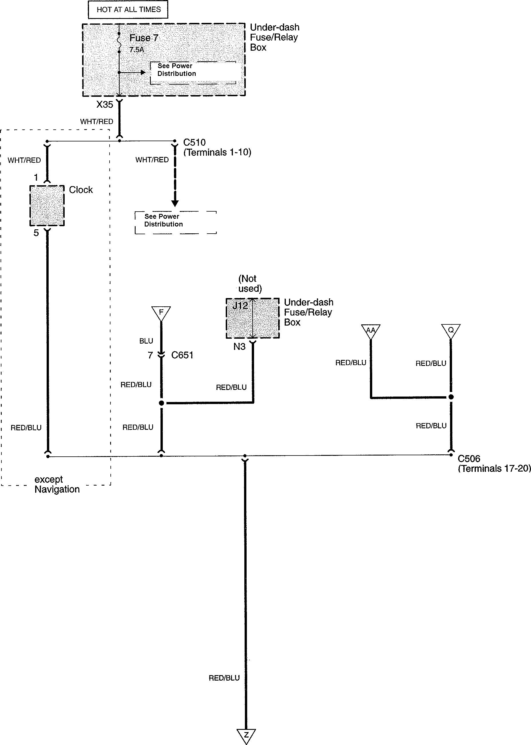
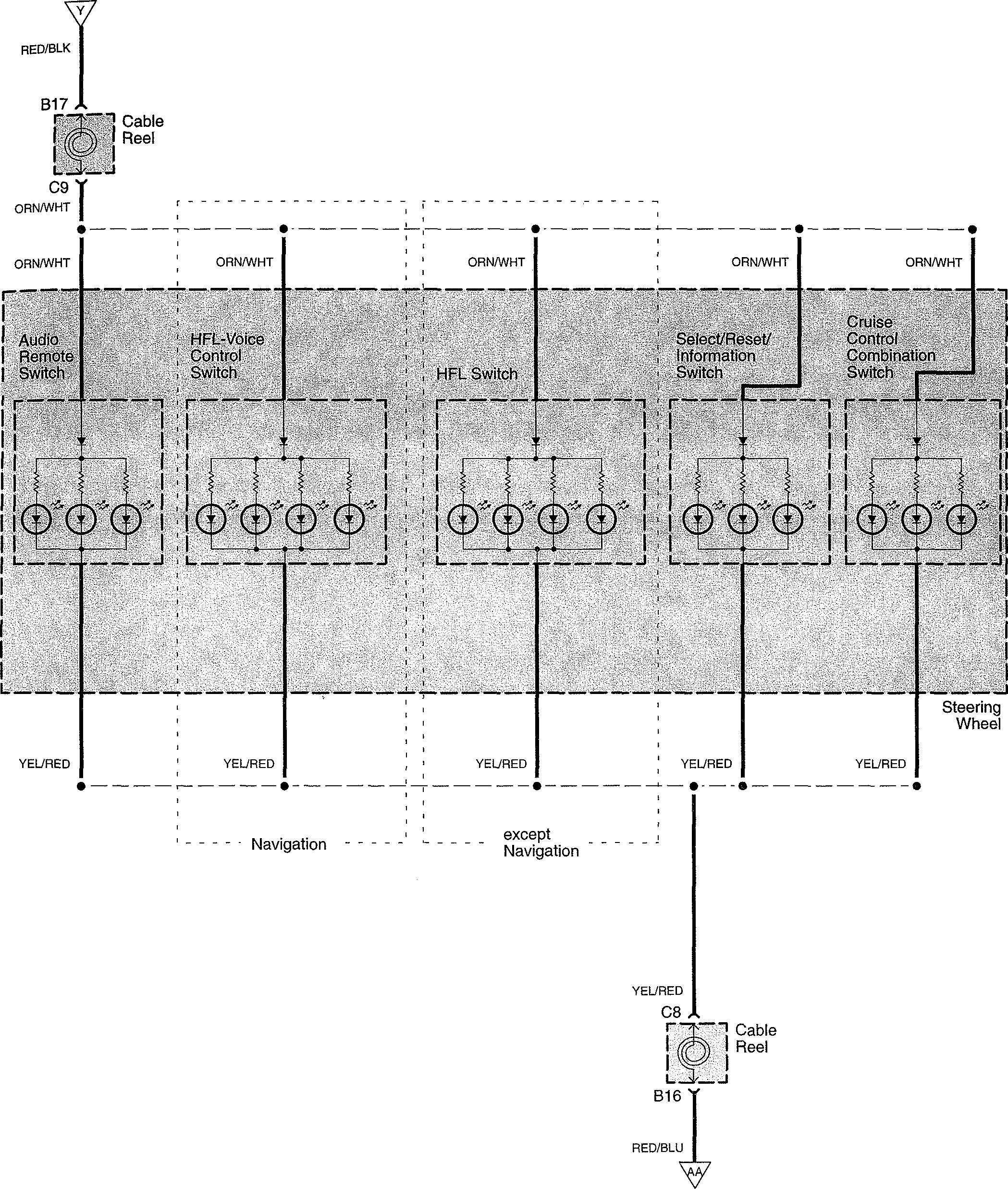
Acura TL (2008) – wiring diagrams – instrument panel lamp
Year of productions: 2008
Instrument panel lamp







WARNING: Terminal and harness assignments for individual connectors will vary depending on vehicle equipment level, model, and market.
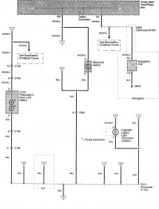
Year of productions: 2008







WARNING: Terminal and harness assignments for individual connectors will vary depending on vehicle equipment level, model, and market.
Copyright © 2026 | MH Magazine WordPress Theme by MH Themes