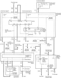
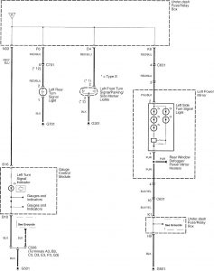
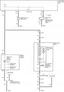
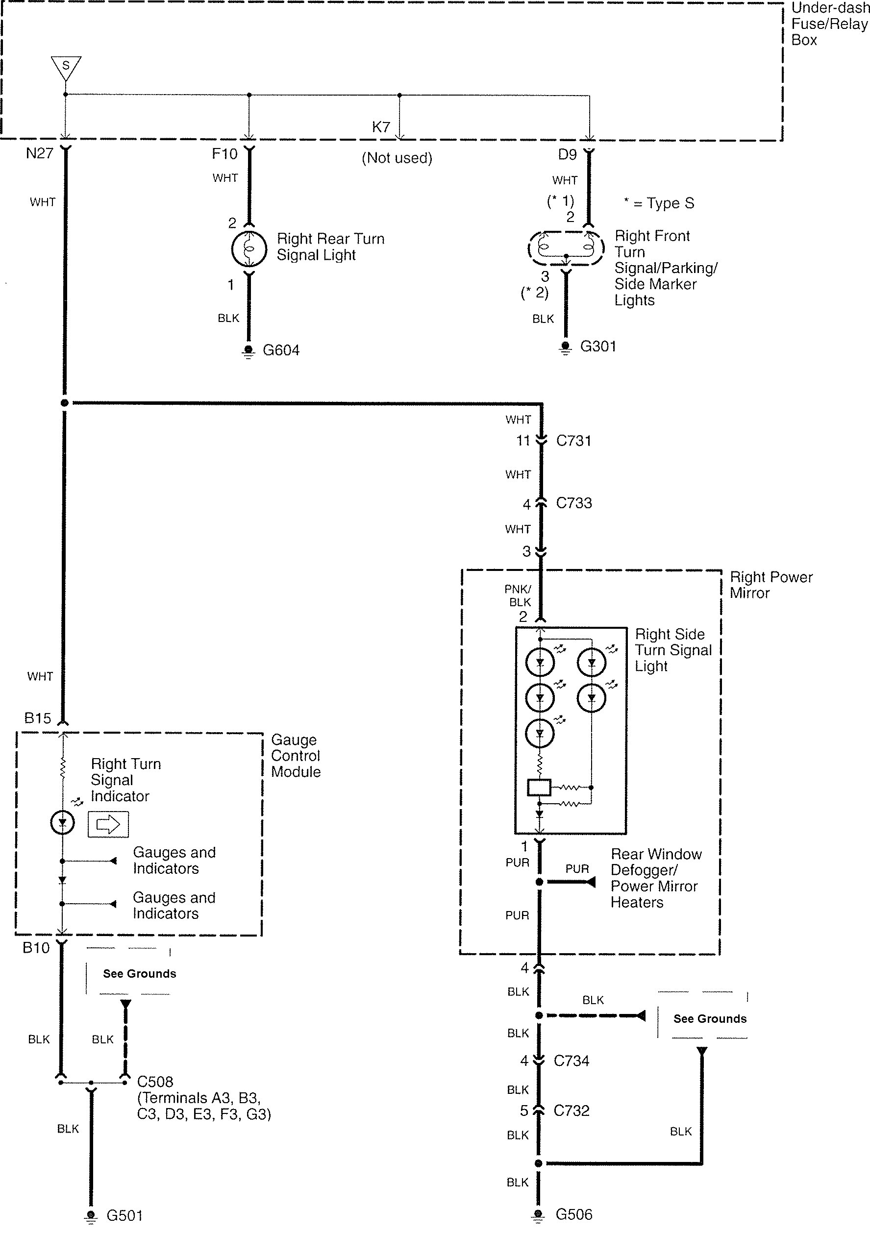
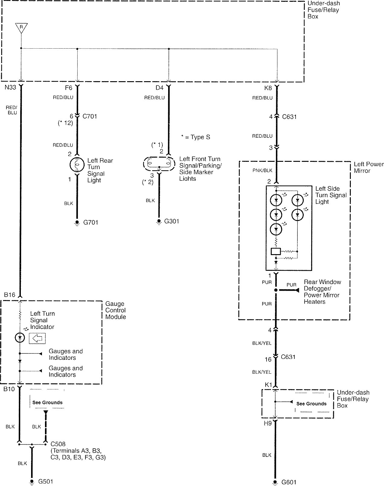
Acura TL (2007 – 2008) – wiring diagrams – turn signal lamp
Year of productions: 2007, 2008
Turn signal lamp



WARNING: Terminal and harness assignments for individual connectors will vary depending on vehicle equipment level, model, and market.
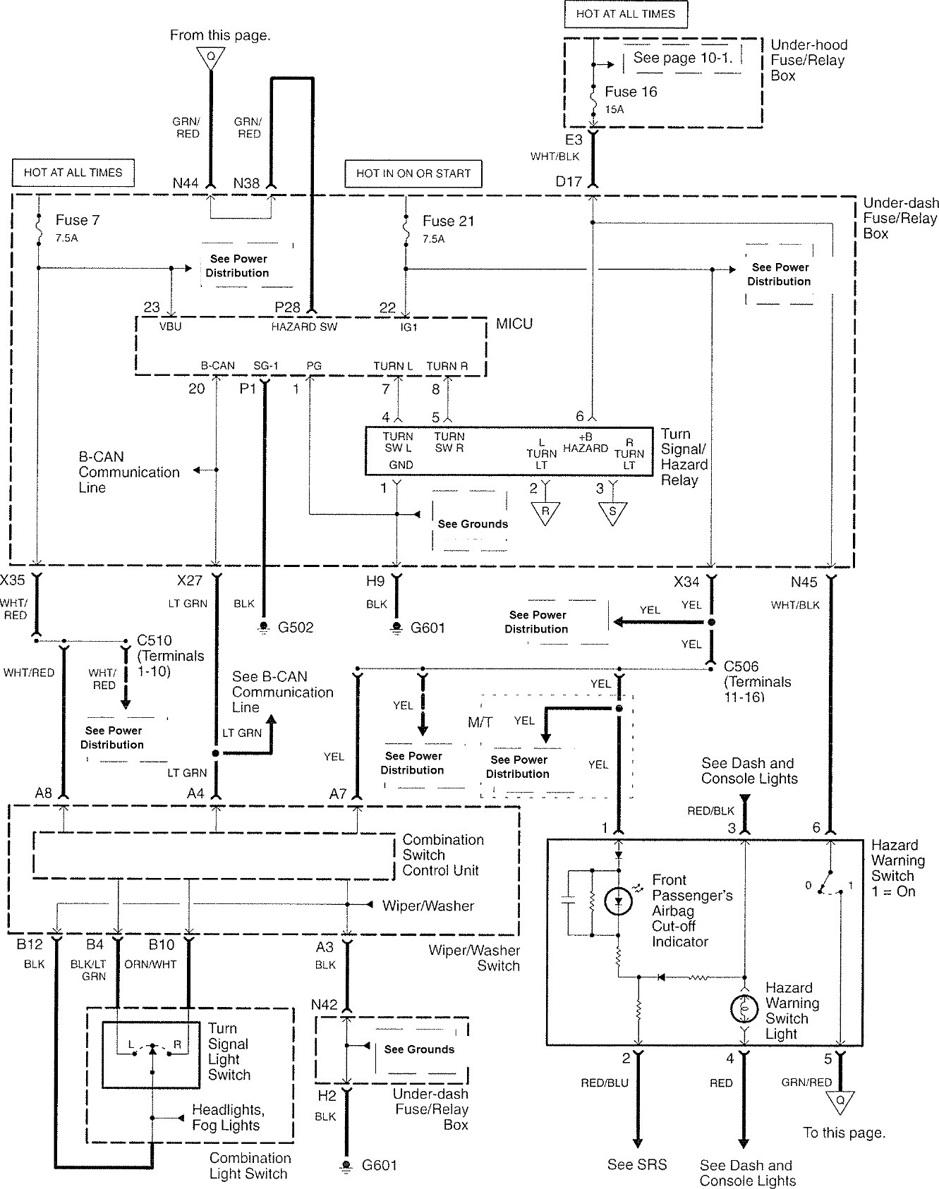
Year of productions: 2007, 2008



WARNING: Terminal and harness assignments for individual connectors will vary depending on vehicle equipment level, model, and market.
Copyright © 2025 | MH Magazine WordPress Theme by MH Themes