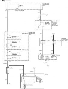
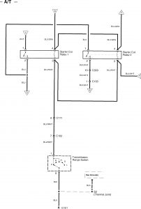
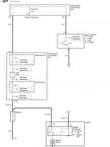
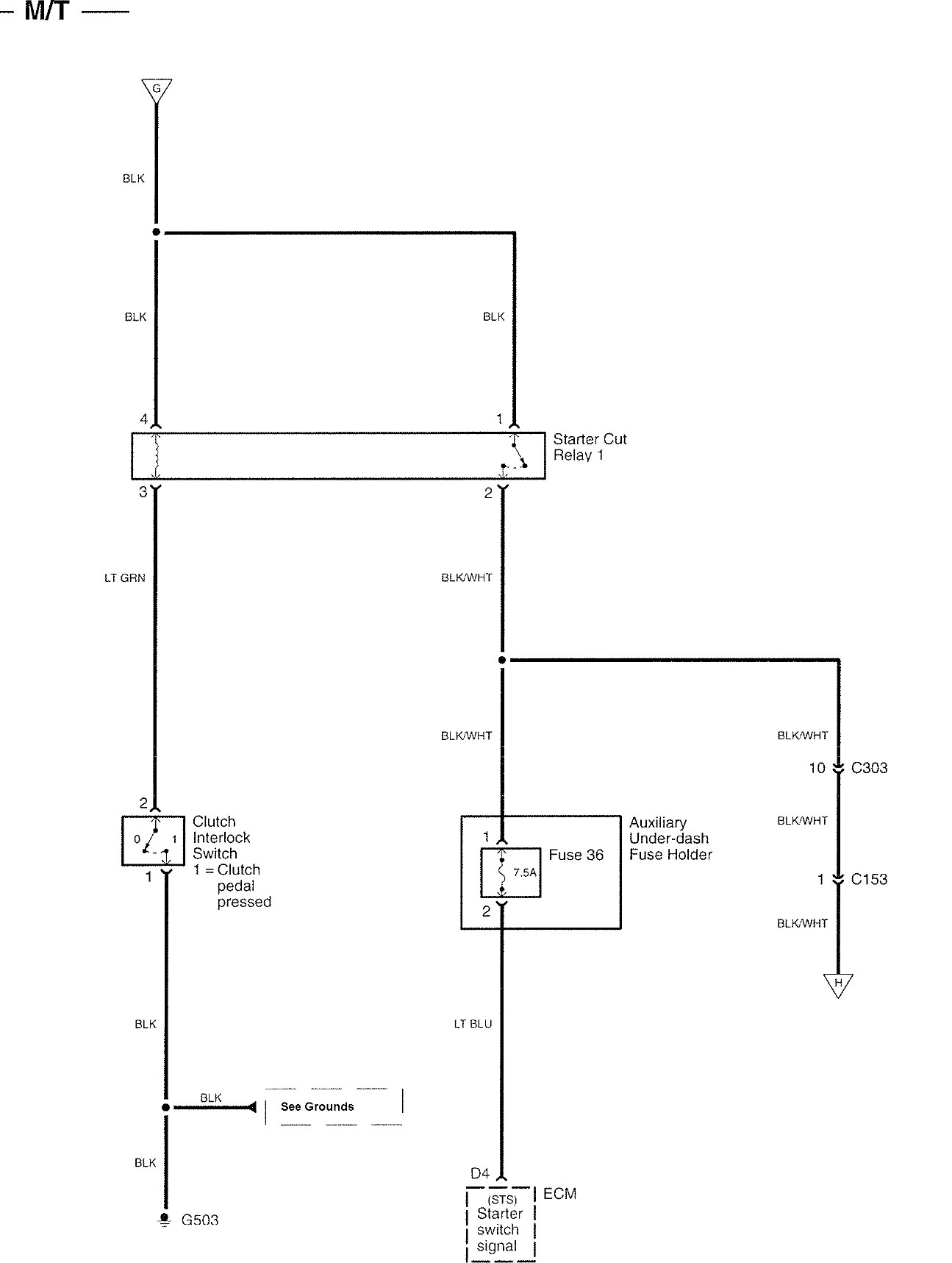
Acura TL (2007 – 2008) – wiring diagrams – starting
Year of productions: 2007, 2008
Starting
Version 1



Version 2


WARNING: Terminal and harness assignments for individual connectors will vary depending on vehicle equipment level, model, and market.
Year of productions: 2007, 2008





WARNING: Terminal and harness assignments for individual connectors will vary depending on vehicle equipment level, model, and market.
Copyright © 2026 | MH Magazine WordPress Theme by MH Themes