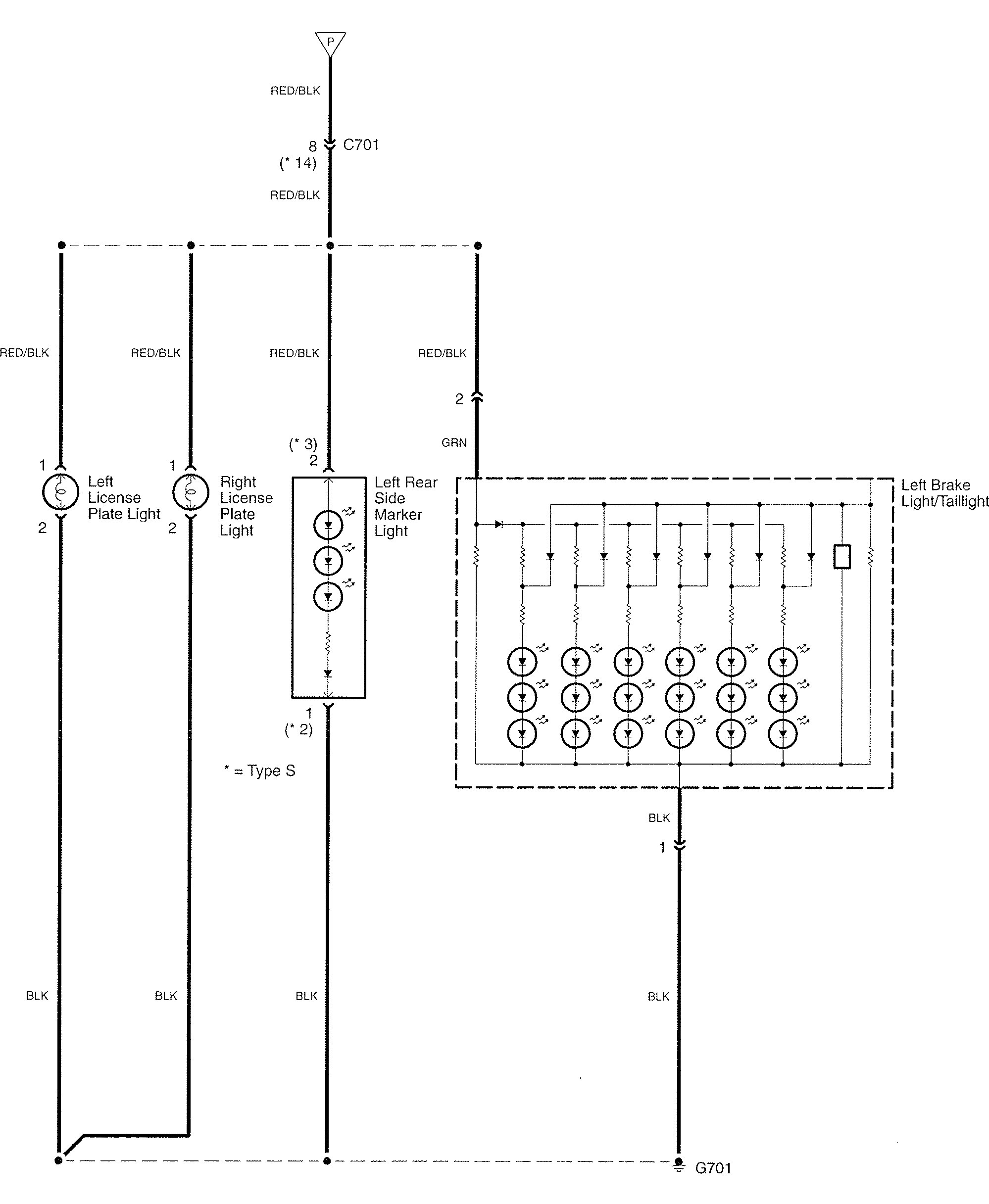
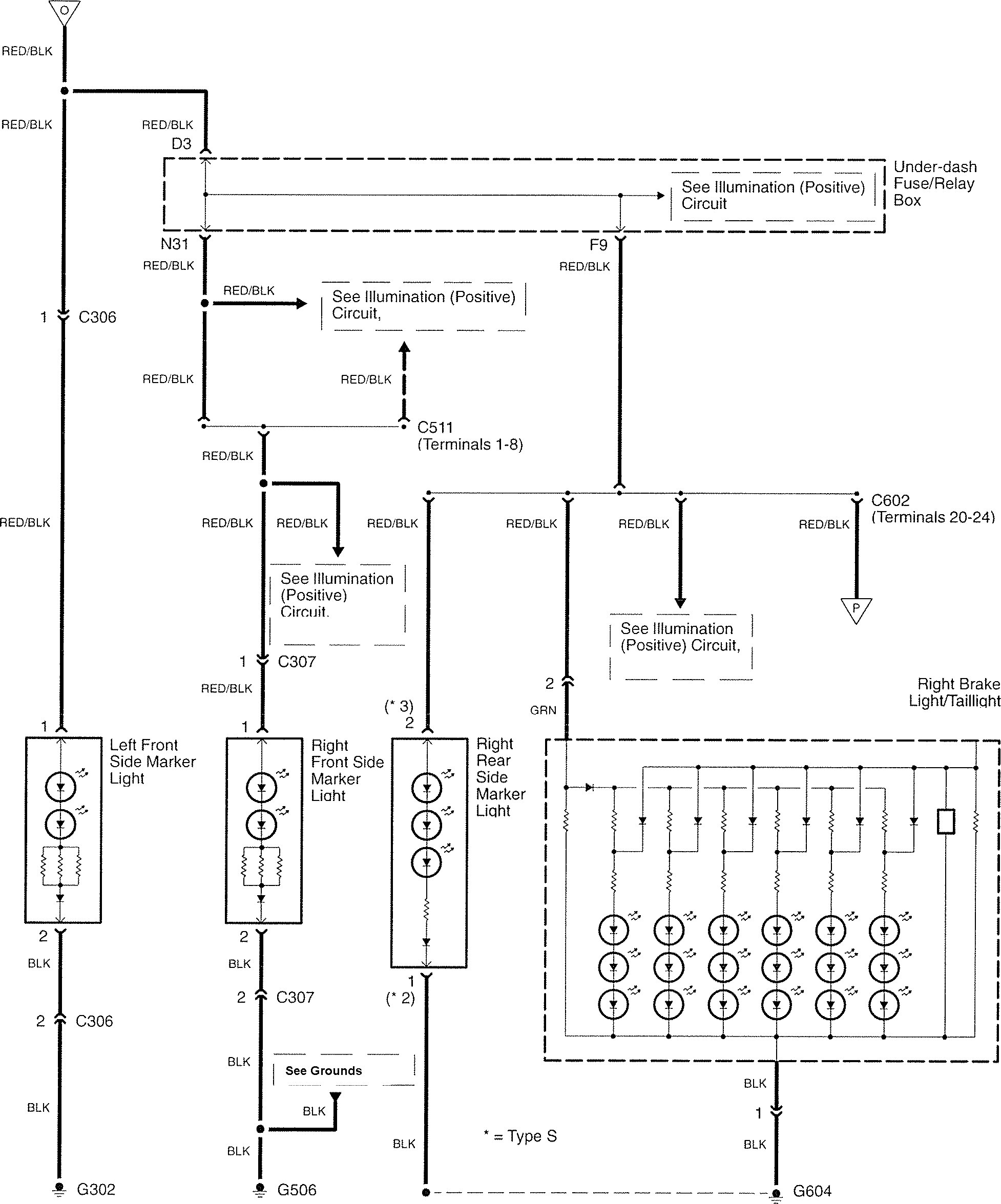
Acura TL (2007 – 2008) – wiring diagrams – license plate lamp
Year of productions: 2007, 2008
License plate lamp




4)

WARNING: Terminal and harness assignments for individual connectors will vary depending on vehicle equipment level, model, and market.
