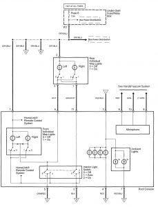
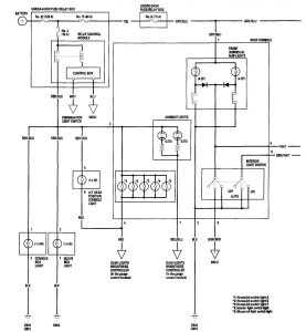
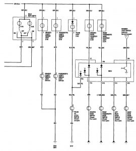
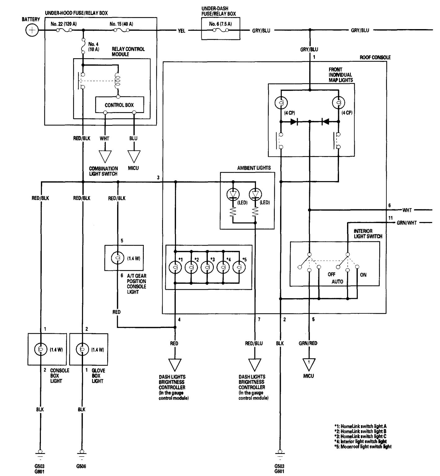
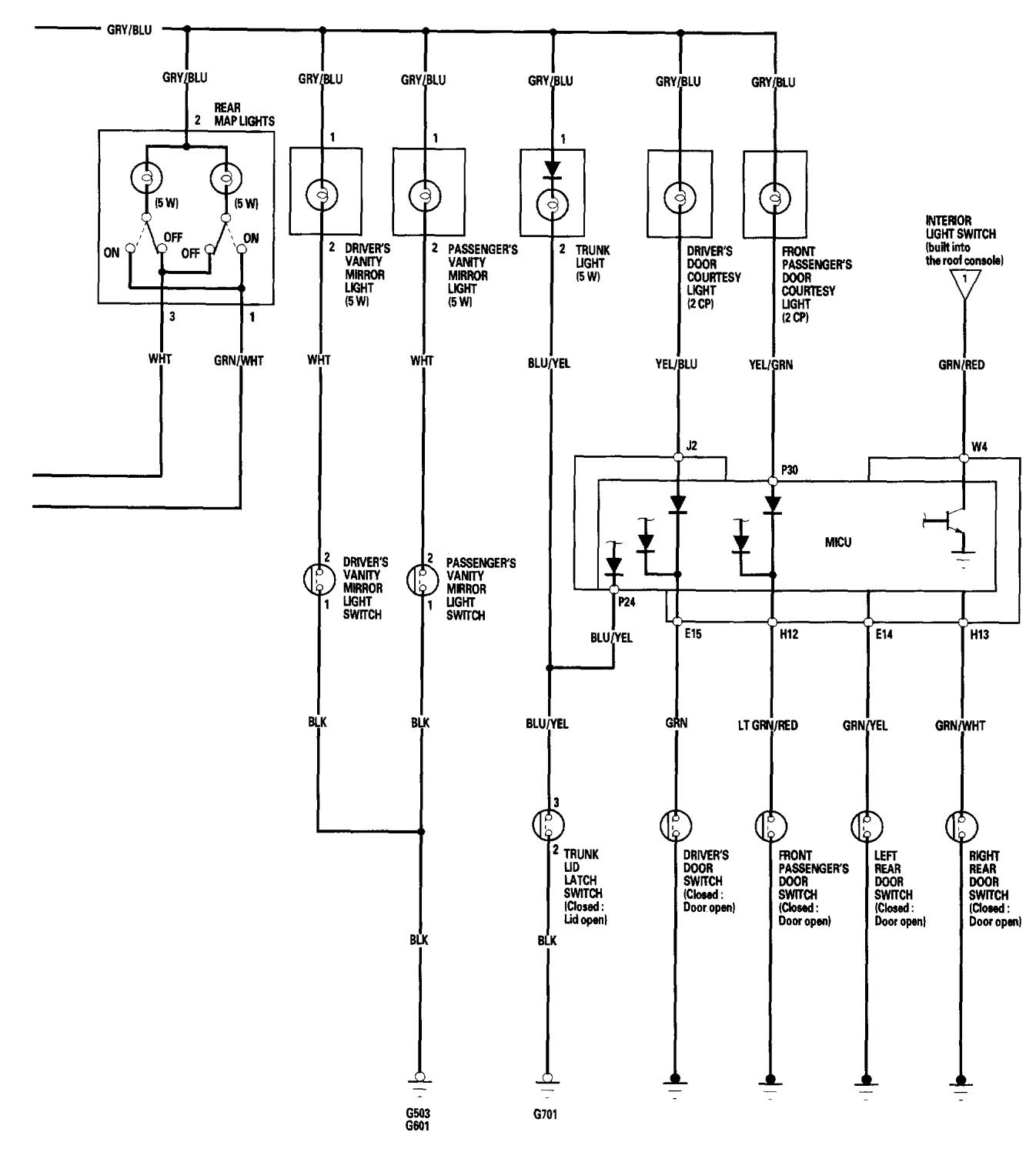
Acura TL (2006) – wiring diagrams – interior lighting
Year of productions: 2006
Interior lighting
Version 1


Version 2


WARNING: Terminal and harness assignments for individual connectors will vary depending on vehicle equipment level, model, and market.
