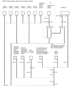
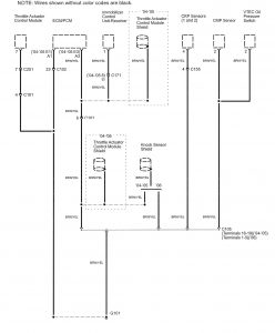
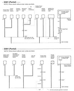
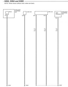
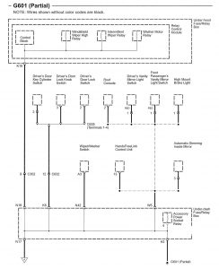
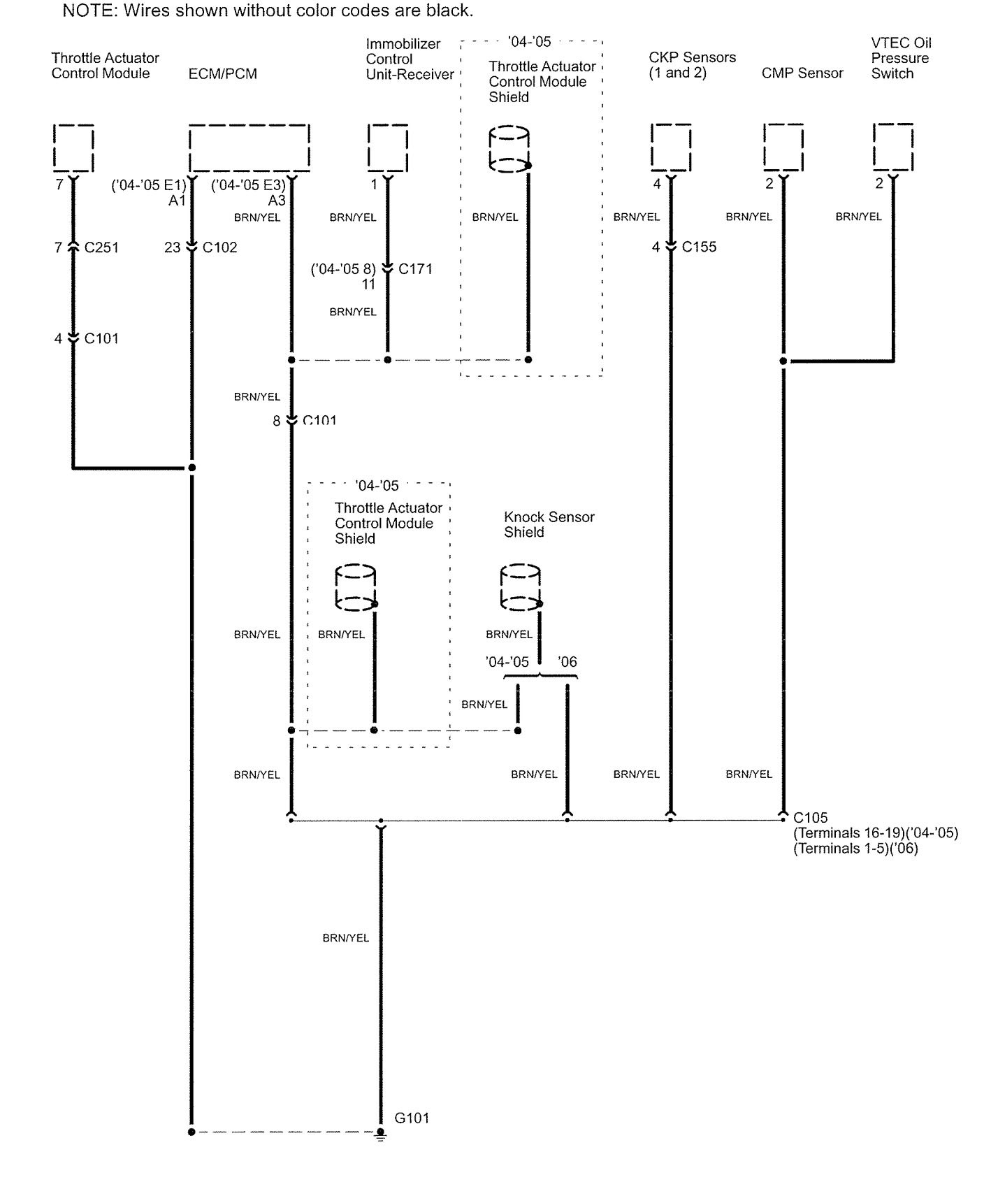
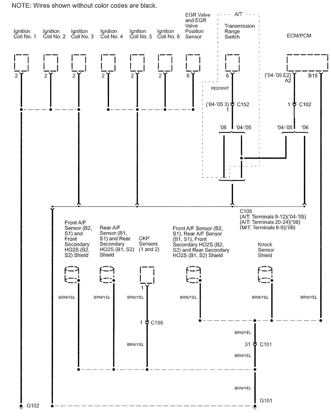
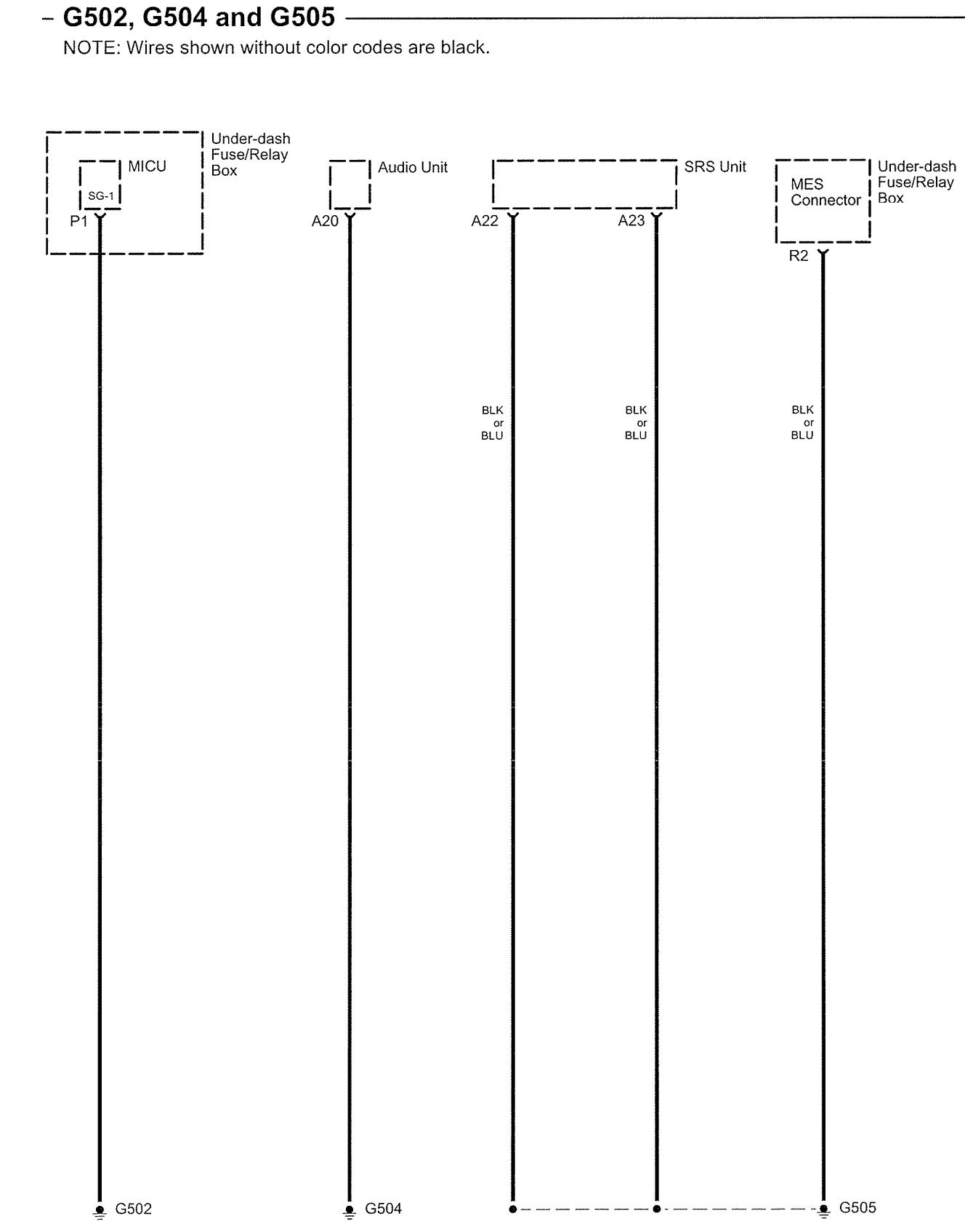
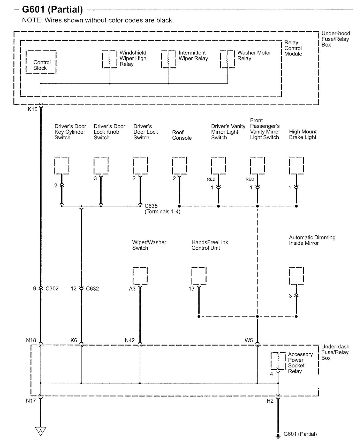
Acura TL (2006) – wiring diagrams – ground distribution
Year of productions: 2006
Ground distribution
Version 1
















Version 2

Version 3













Version 4

WARNING: Terminal and harness assignments for individual connectors will vary depending on vehicle equipment level, model, and market.
