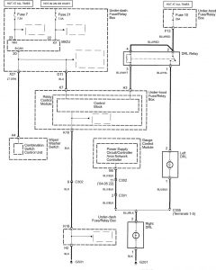
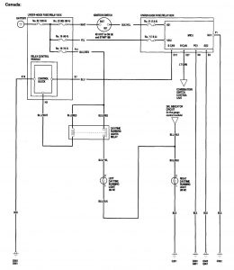
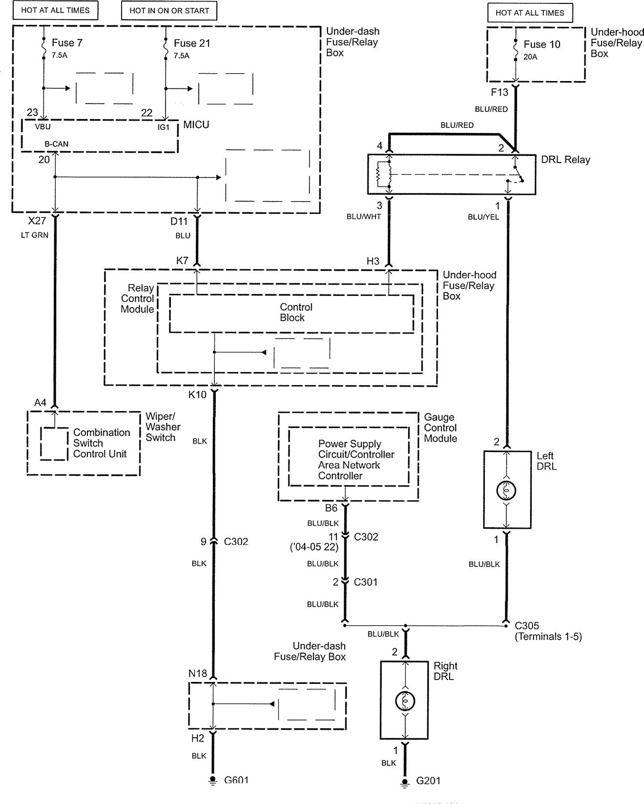
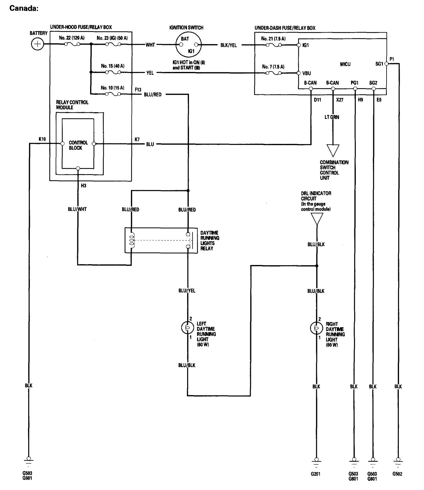
Acura TL (2006) – wiring diagrams – daytime running lamps
Year of productions: 2006
Daytime running lamps
Version 1

Version 2

WARNING: Terminal and harness assignments for individual connectors will vary depending on vehicle equipment level, model, and market.
