Acura TL (2006) – wiring diagrams – audio
Year of productions: 2006
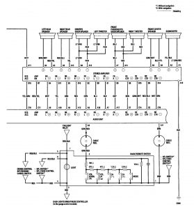
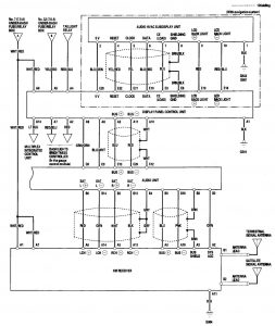
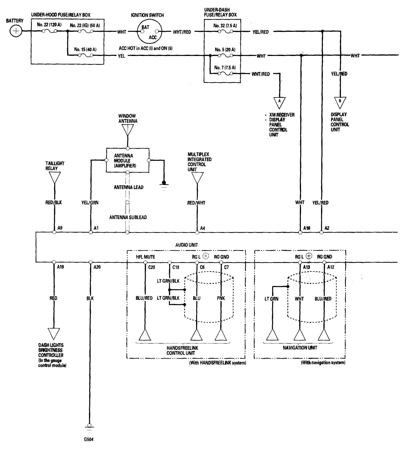
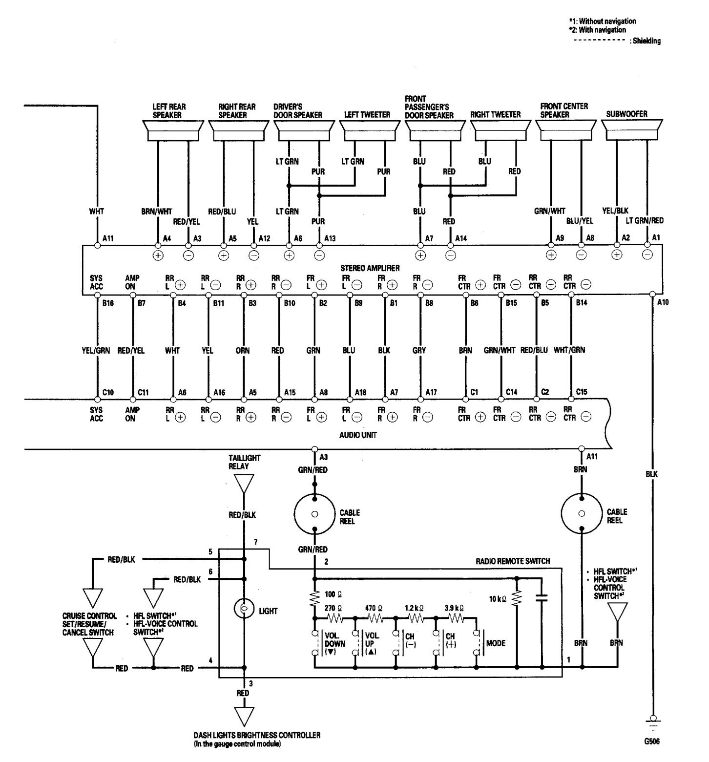
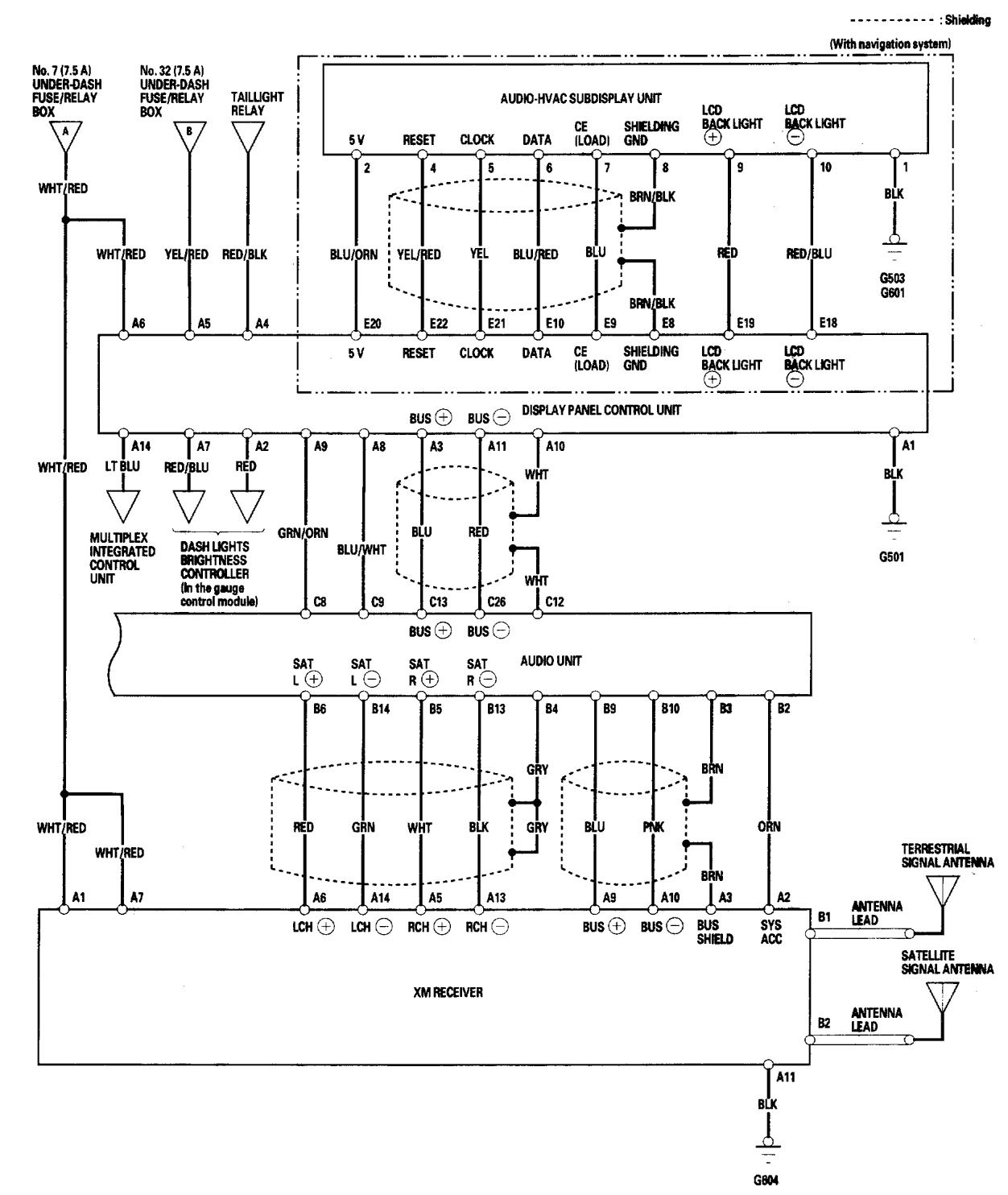
Audio
Version 1





Version 2

Version 3



Version 4



WARNING: Terminal and harness assignments for individual connectors will vary depending on vehicle equipment level, model, and market.
Year of productions: 2006












WARNING: Terminal and harness assignments for individual connectors will vary depending on vehicle equipment level, model, and market.
Copyright © 2026 | MH Magazine WordPress Theme by MH Themes