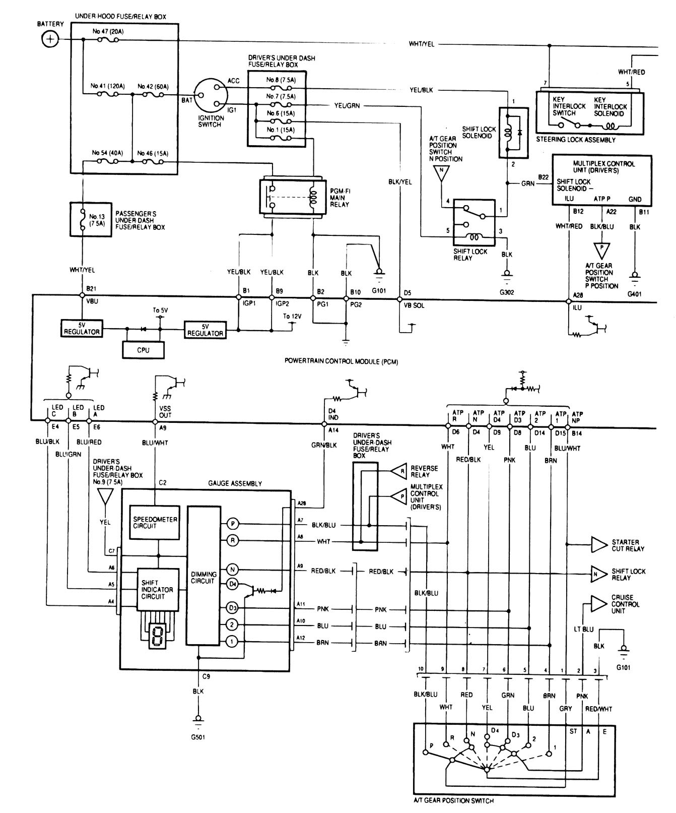
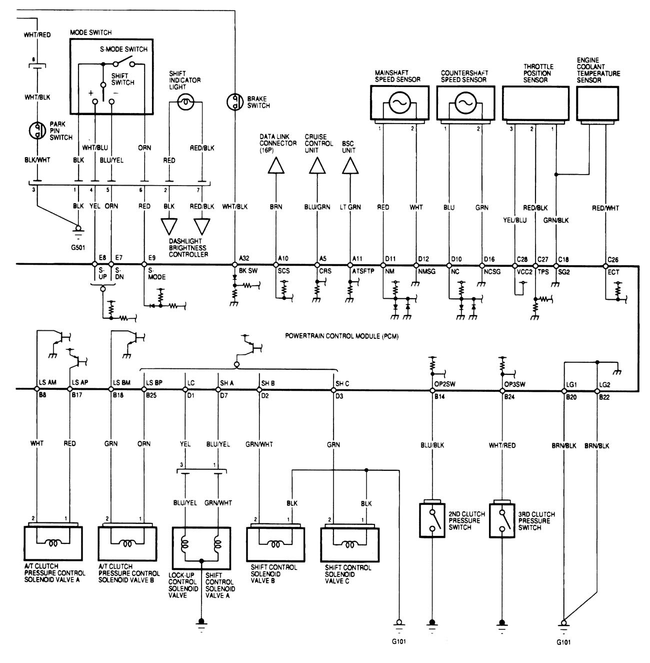
Acura TL (1999 – 2001) – wiring diagrams – transaxle controls
Year of productions: 1999, 2000, 2001
Transaxle controls


WARNING: Terminal and harness assignments for individual connectors will vary depending on vehicle equipment level, model, and market.
