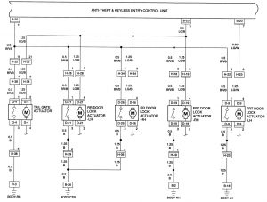
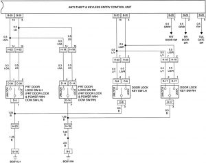
Acura SLX (1998 – 1999) – wiring diagrams – security/anti-theft
Year of productions: 1998, 1999
Security/anti-theft




WARNING: Terminal and harness assignments for individual connectors will vary depending on vehicle equipment level, model, and market.
