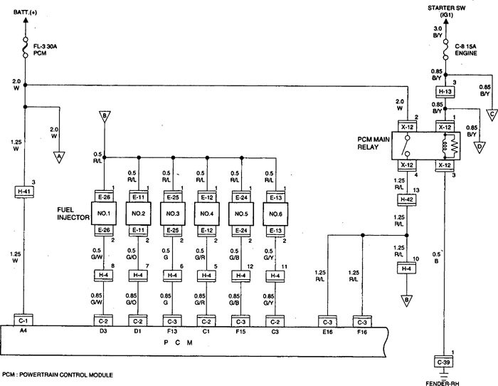
Acura SLX (1998 – 1999) – wiring diagrams – fuel pump
Year of productions: 1998, 1999
Fuel pump

WARNING: Terminal and harness assignments for individual connectors will vary depending on vehicle equipment level, model, and market.
Copyright © 2026 | MH Magazine WordPress Theme by MH Themes