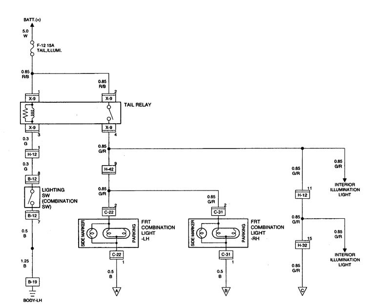
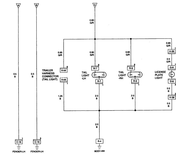
Acura SLX (1998 – 1999) – wiring diagrams – exterior lighting
Year of productions: 1998, 1999
Exterior lighting


WARNING: Terminal and harness assignments for individual connectors will vary depending on vehicle equipment level, model, and market.
Year of productions: 1998, 1999


WARNING: Terminal and harness assignments for individual connectors will vary depending on vehicle equipment level, model, and market.
Copyright © 2025 | MH Magazine WordPress Theme by MH Themes