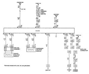
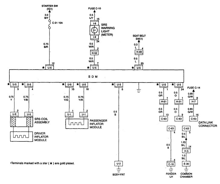
Acura SLX (1998 – 1999) – wiring diagrams – air bags
Year of productions: 1998, 1999
Air bags

WARNING: Terminal and harness assignments for individual connectors will vary depending on vehicle equipment level, model, and market.
Copyright © 2026 | MH Magazine WordPress Theme by MH Themes