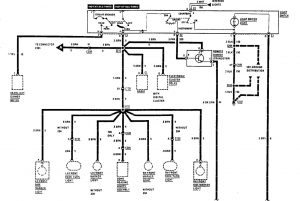
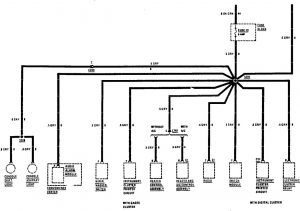
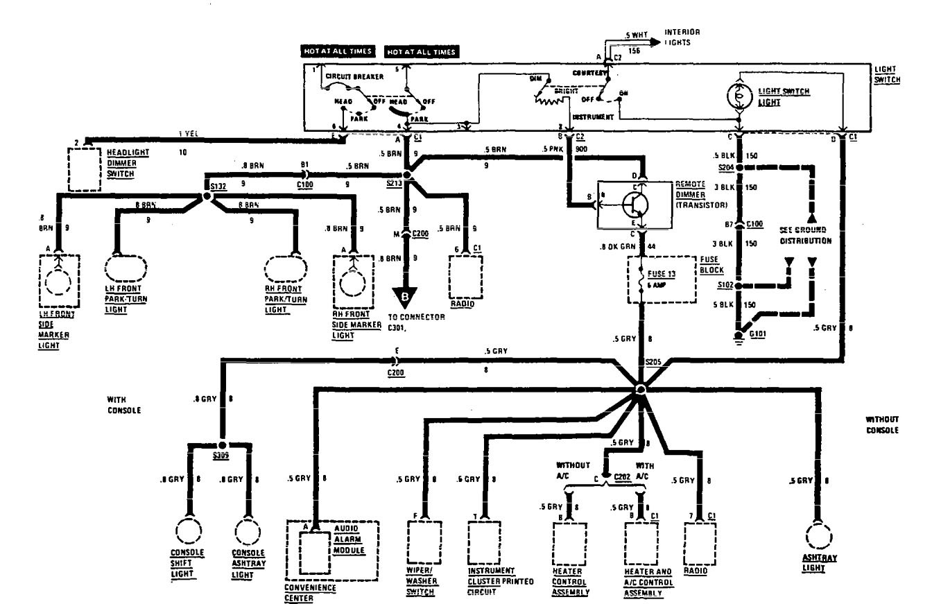
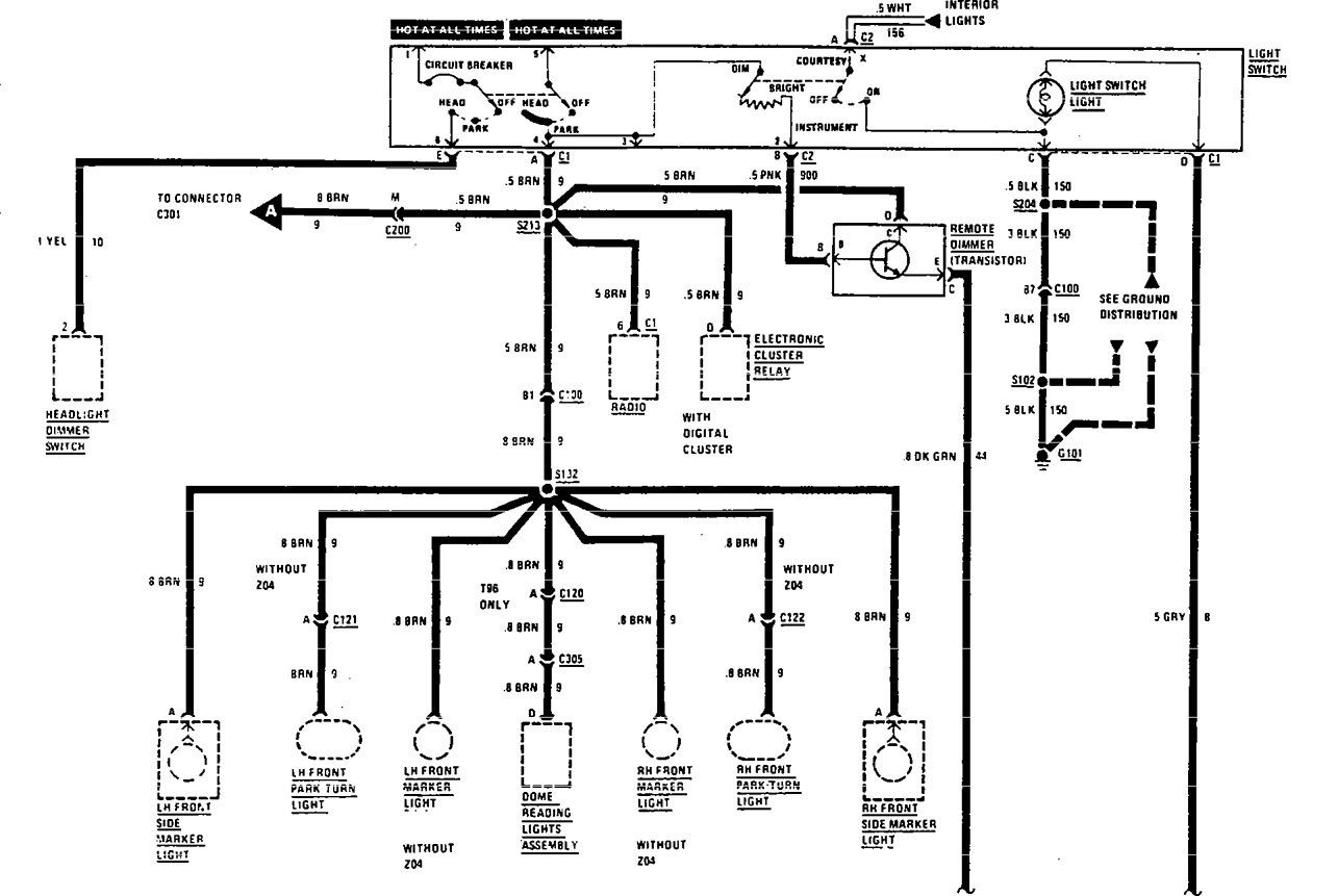
Acura SLX (1997) – wiring diagrams – light switch
Year of productions: 1997
Light switch
Version 1


Version 2



WARNING: Terminal and harness assignments for individual connectors will vary depending on vehicle equipment level, model, and market.
Year of productions: 1997





WARNING: Terminal and harness assignments for individual connectors will vary depending on vehicle equipment level, model, and market.
Copyright © 2025 | MH Magazine WordPress Theme by MH Themes