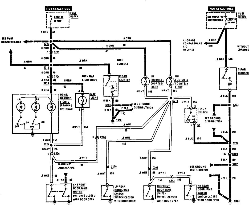
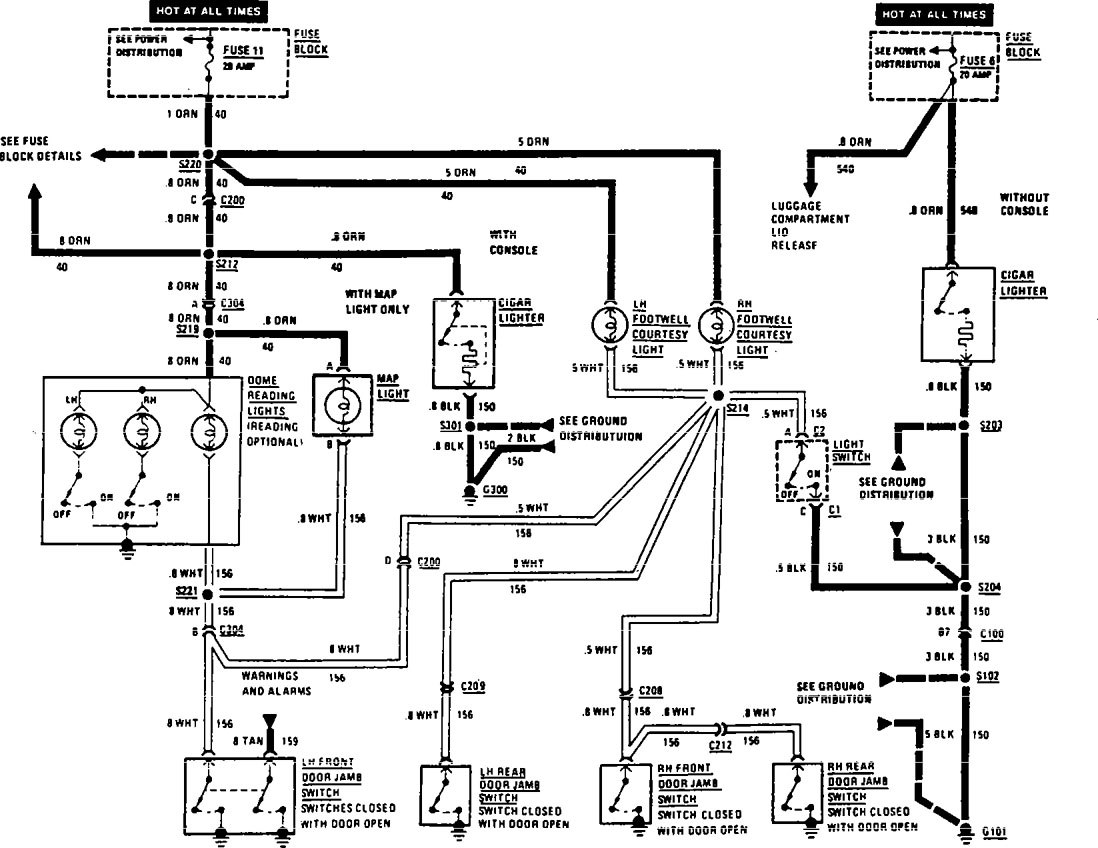
Acura SLX (1997) – wiring diagrams – interior lighting
Year of productions: 1997
Interior lighting
Version 1

Version 2

Version 3

WARNING: Terminal and harness assignments for individual connectors will vary depending on vehicle equipment level, model, and market.
