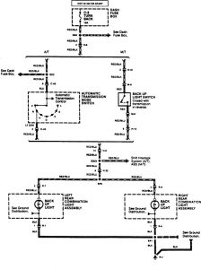
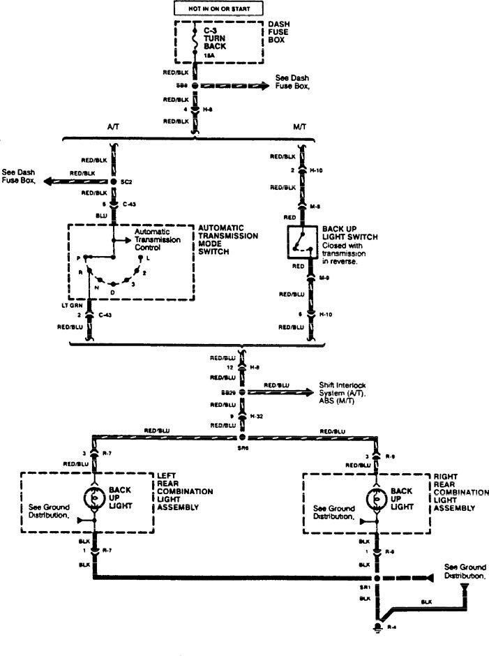
Acura SLX (1996) – wiring diagrams – reverse lamps
Year of productions: 1996
Reverse lamp

WARNING: Terminal and harness assignments for individual connectors will vary depending on vehicle equipment level, model, and market.
Copyright © 2025 | MH Magazine WordPress Theme by MH Themes