Acura RL (2011) – wiring diagrams – connector
Year of productions: 2011
Connector
Version 1 – A/T Park Position Circuit (A/T)

connector (part 1)

connector (part 2)
Version 2 – Back-up Lights Circuit

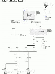
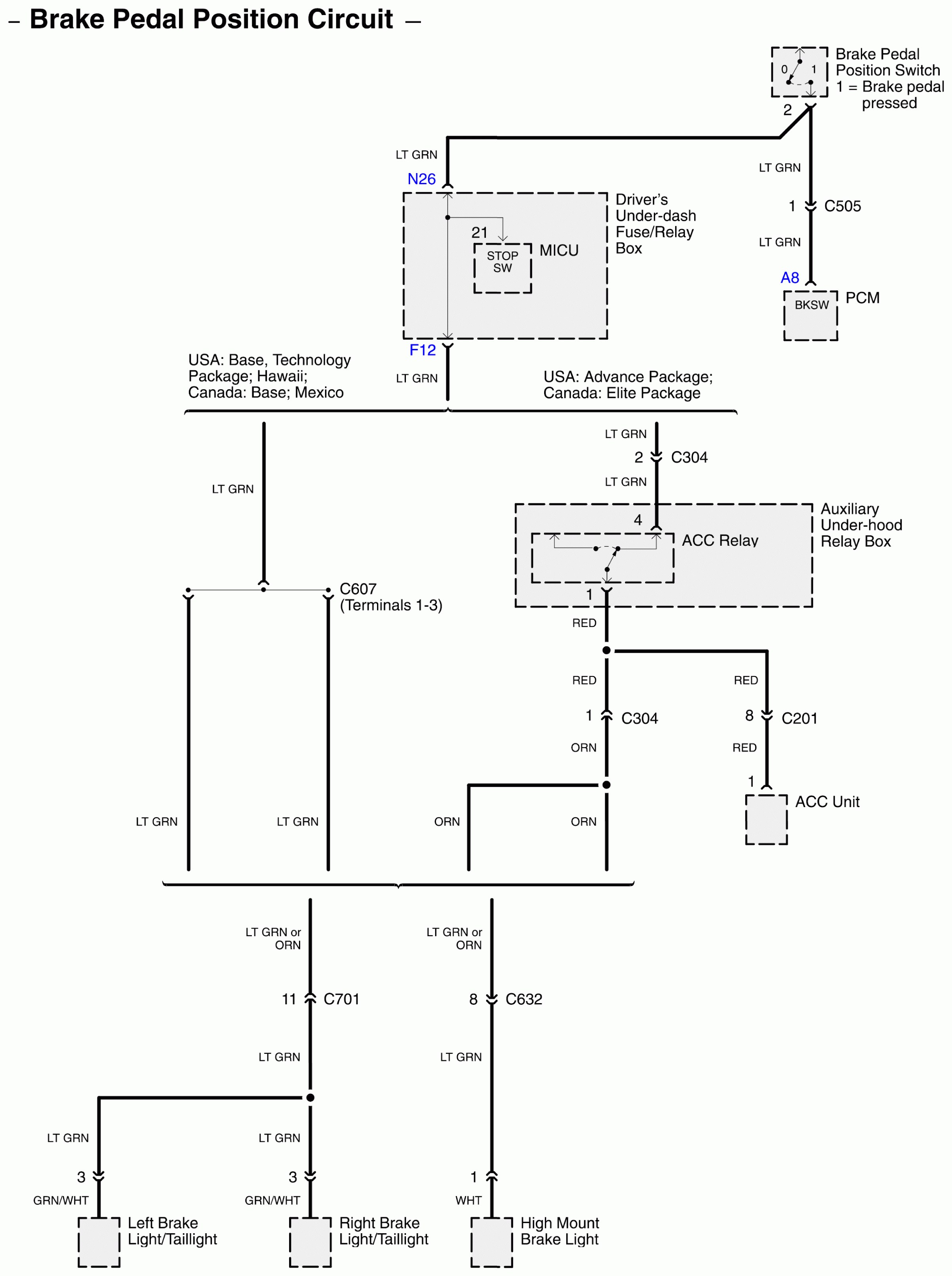
Version 3 – Brake Pedal Position Circuit

Version 4 – Engine Speed Output Signal Circuit

connector
Version 5 – Left Turn Signal Circuit

connector (part 1)

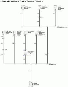
Version 6 – Ground for Climate Control Sensors Circuit



connector (part 3)

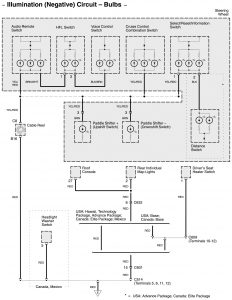
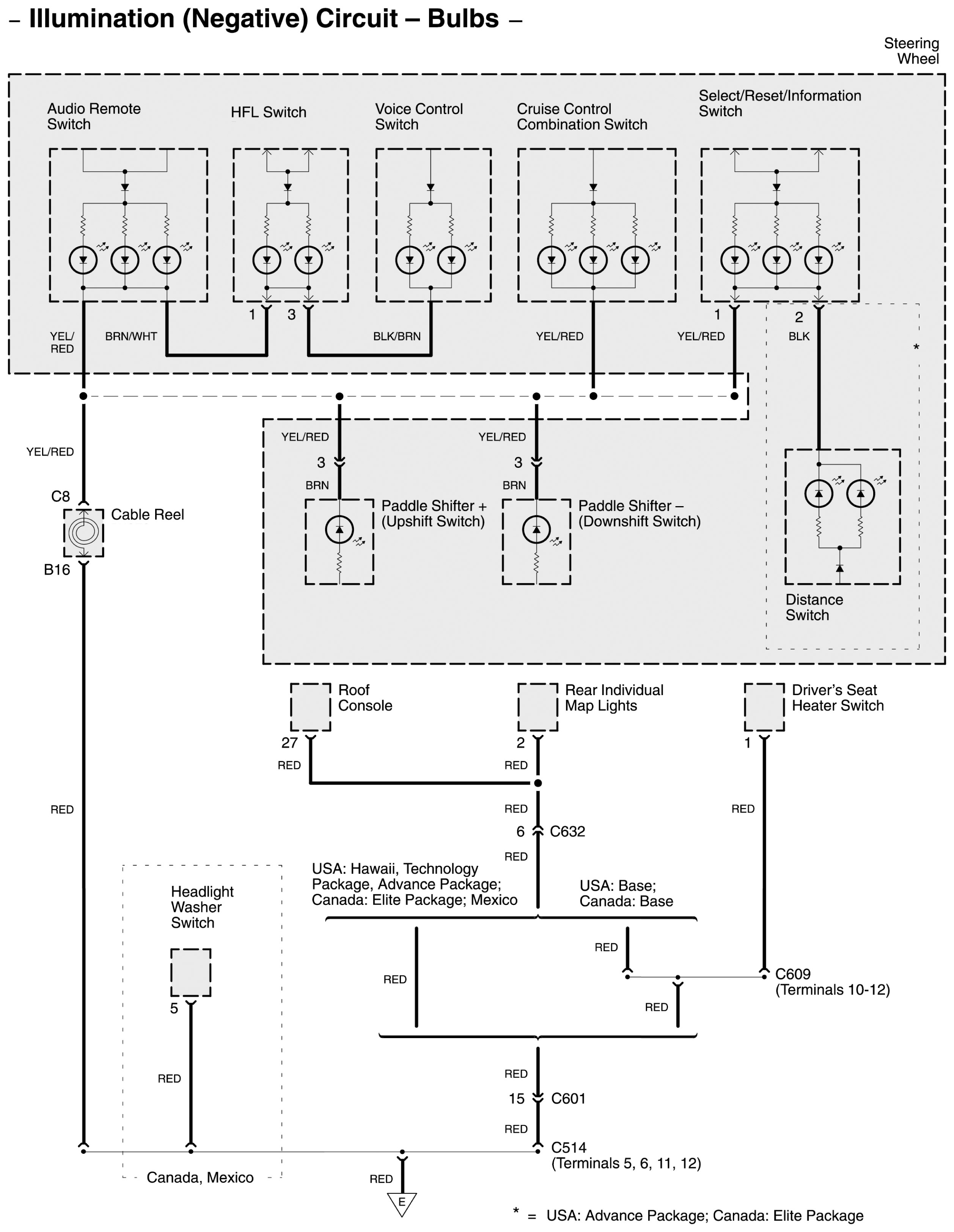
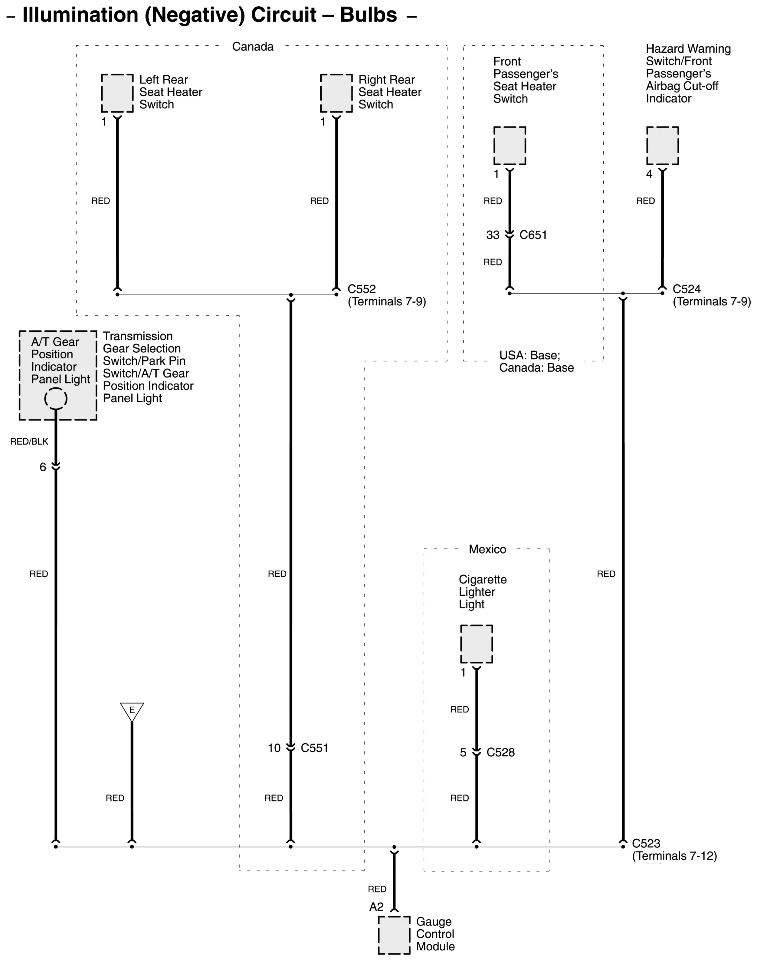
Version 7 – Illumination (Negative) Circuit – Bulbs


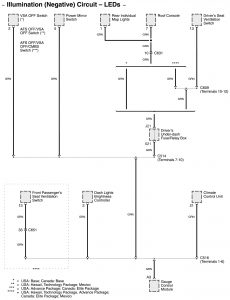
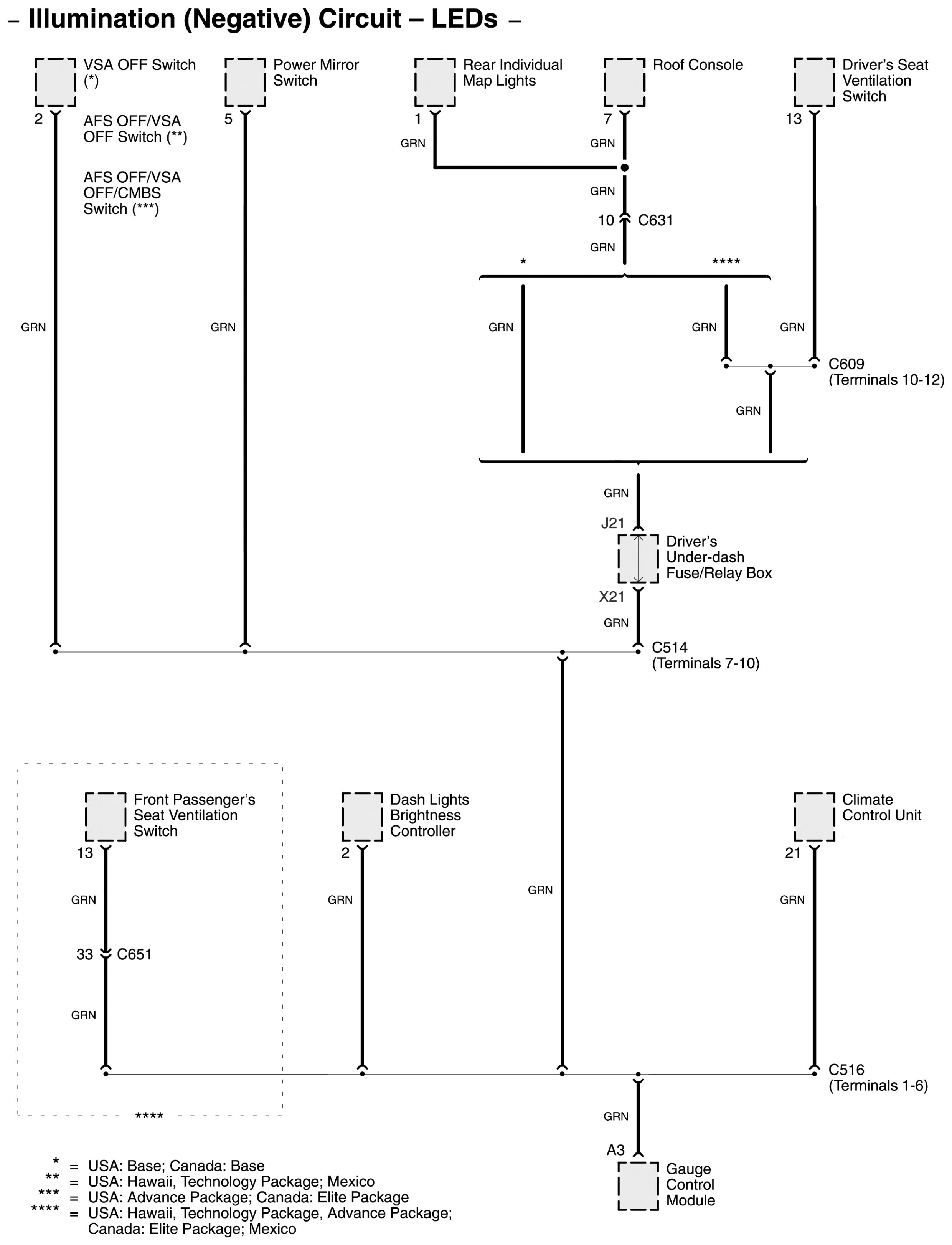
Version 8 – Illumination (Negative) Circuit – LEDs

Version 9 – Illumination (Positive) Circuit





Version 10 – Immobilizer Indicator Control Circuit


Version 11 – Interior Light Switch Circuit

Version 12 – Logic Ground Circuit

Version 13 – Parking Brake Position Circuit

Version 14 – PCM Controlled Power Source Circuit


Version 15 – Reference Voltage for PCM Sensors (VCC1) Circuit



Version 16 – Vehicle Speed Sensor Signal Circuit

WARNING: Terminal and harness assignments for individual connectors will vary depending on vehicle equipment level, model, and market.
