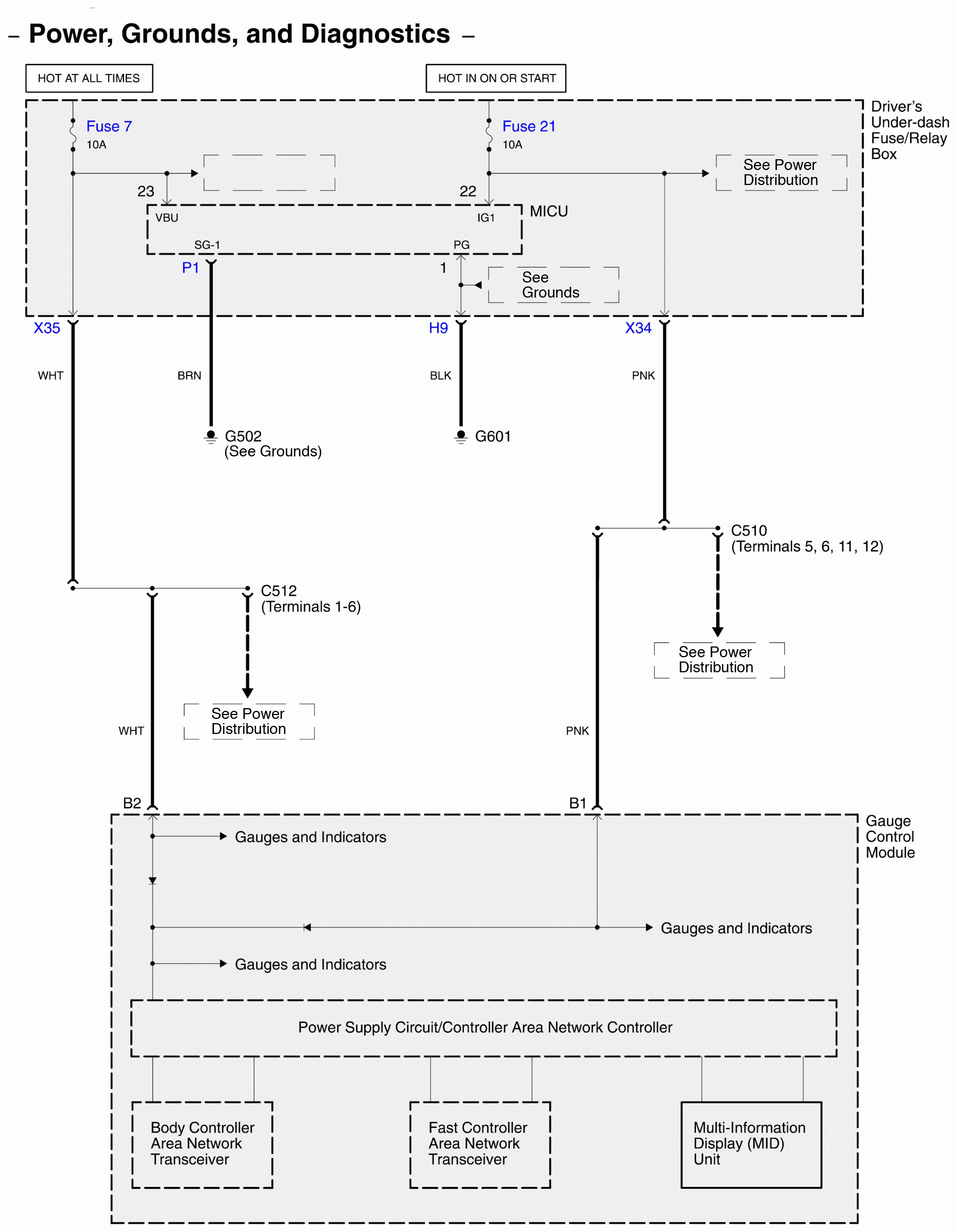
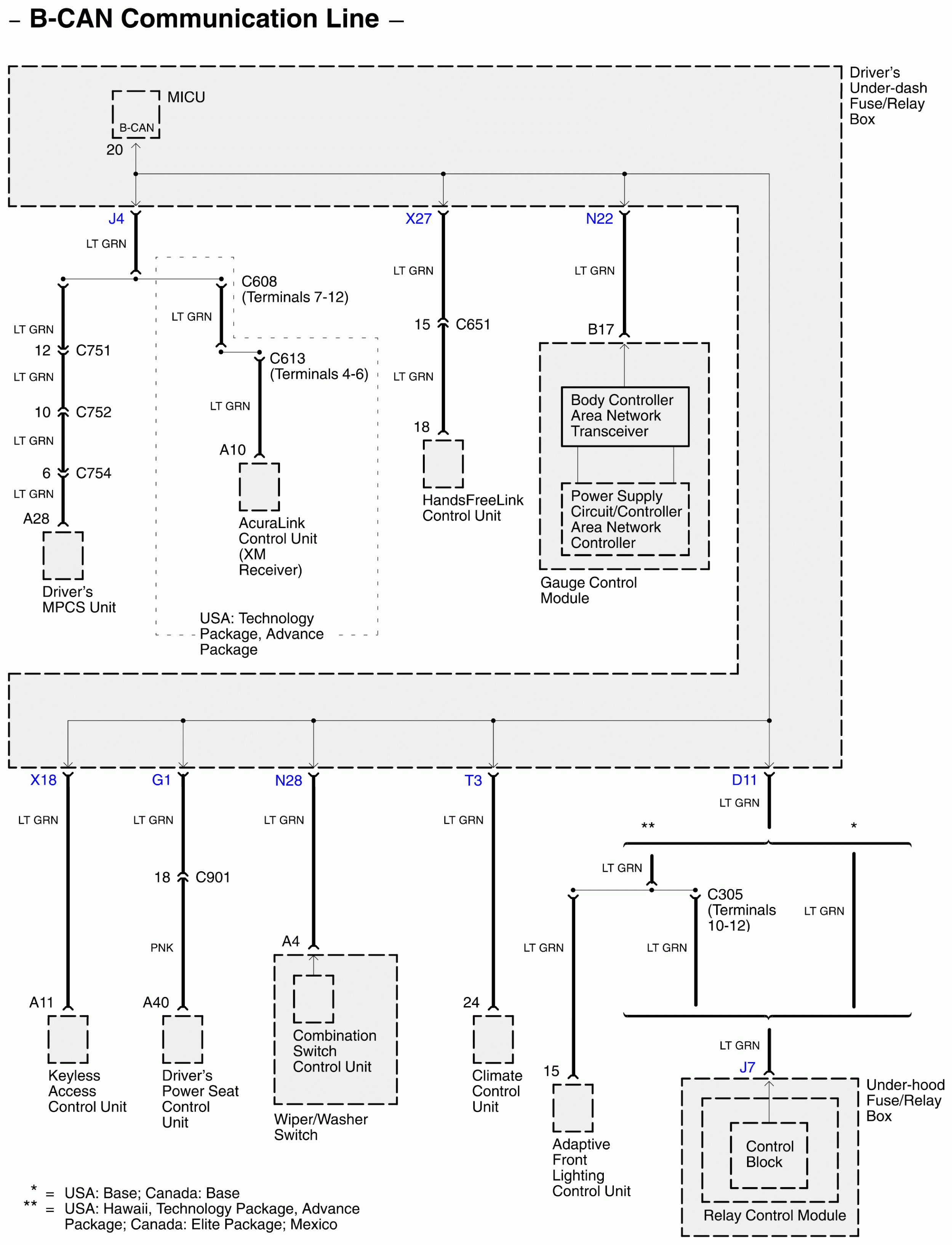
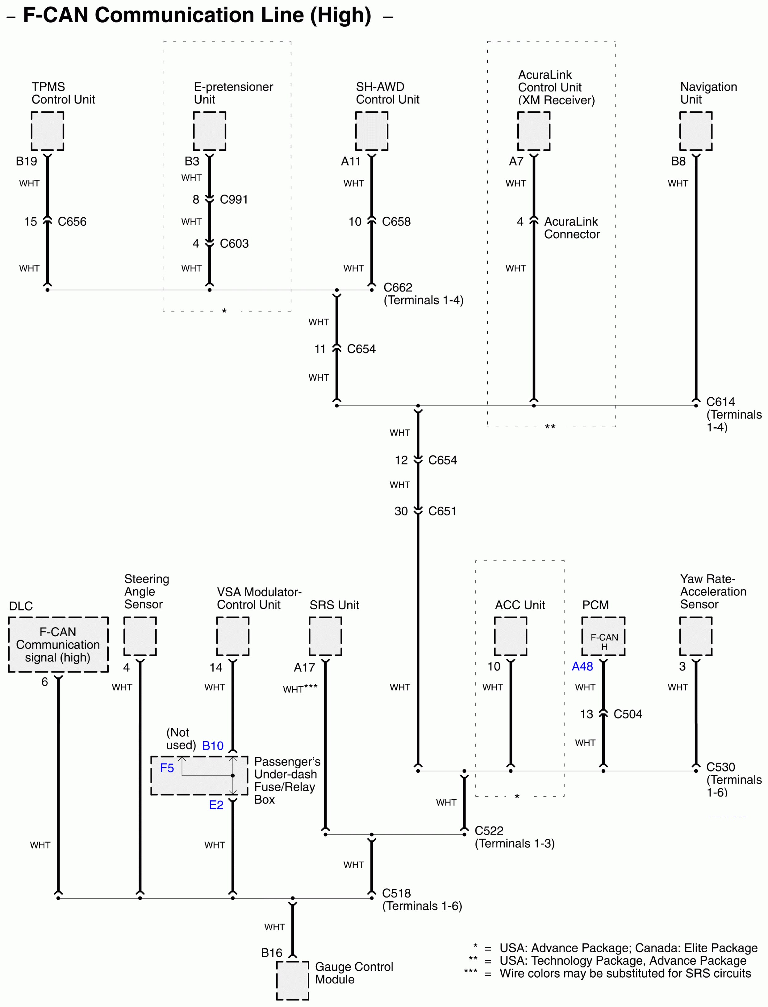
Acura RL (2011) – wiring diagrams – computer data lines
Year of productions: 2011
Computer data lines
Version 1


Version 2

Version 3

Version 4

Version 5

WARNING: Terminal and harness assignments for individual connectors will vary depending on vehicle equipment level, model, and market.
