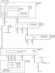
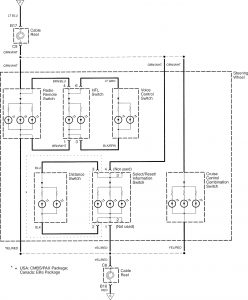
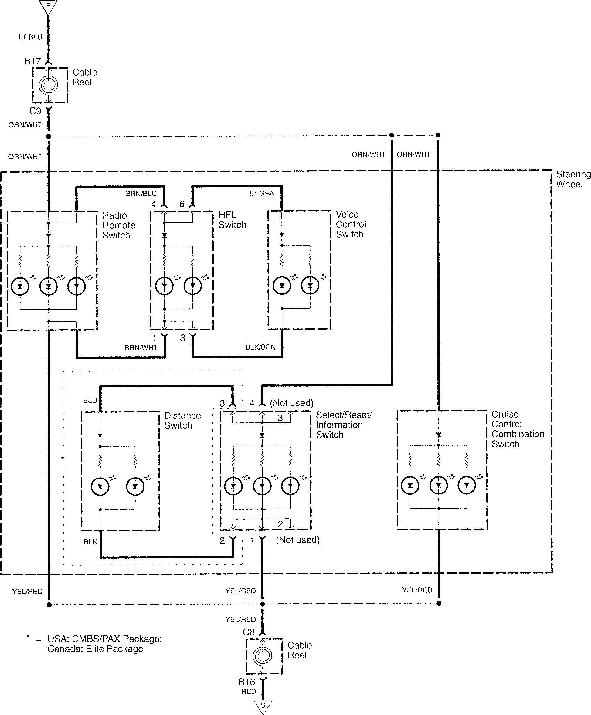
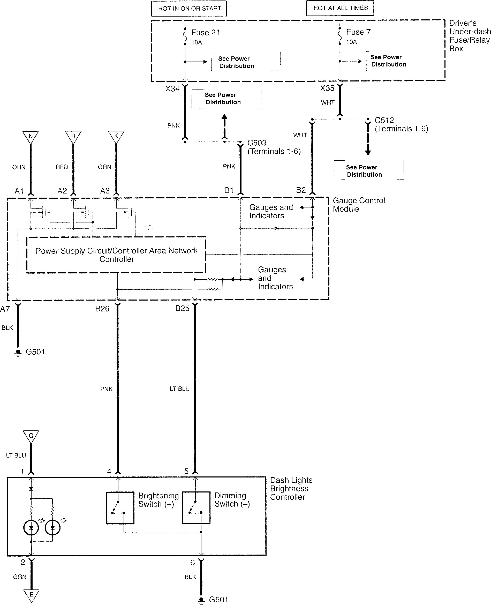
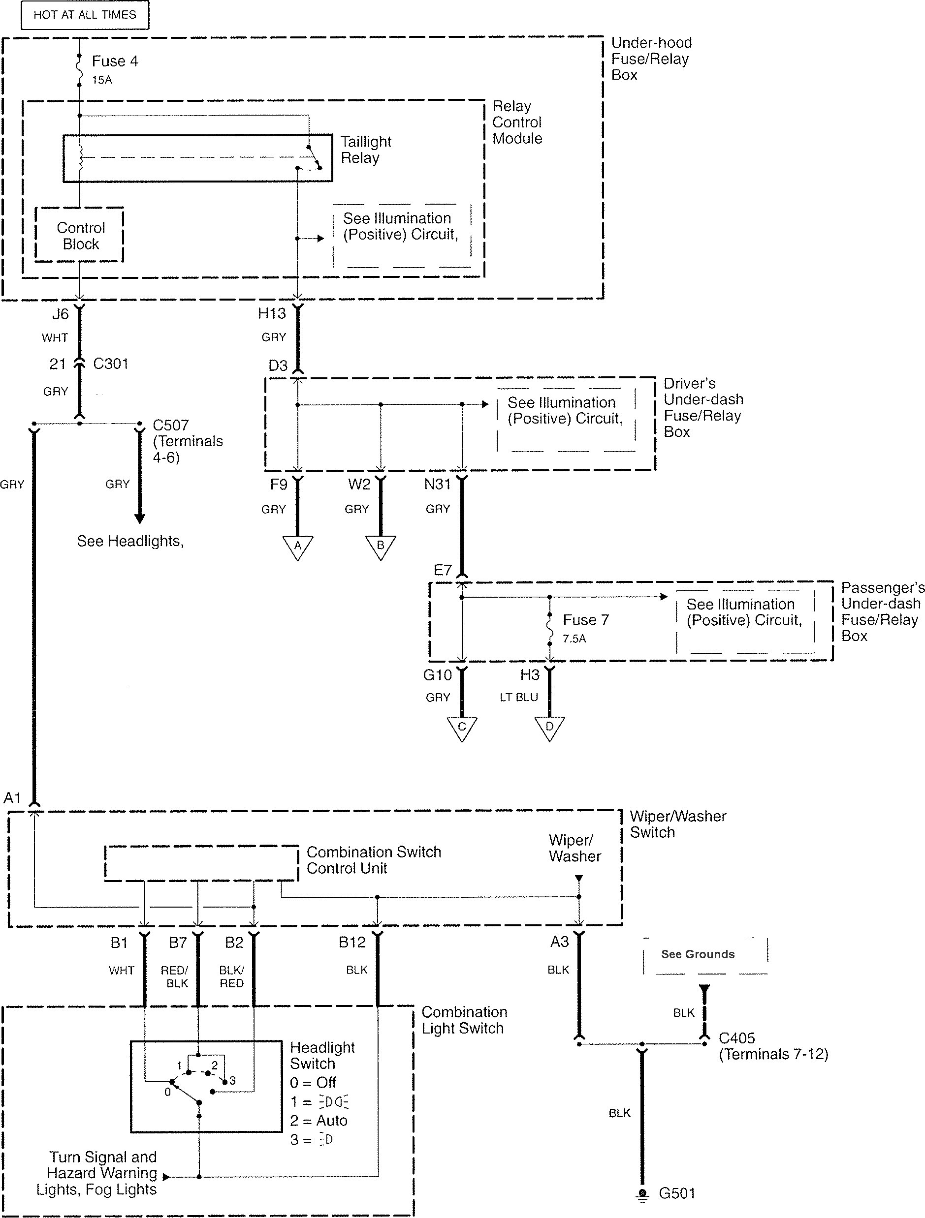
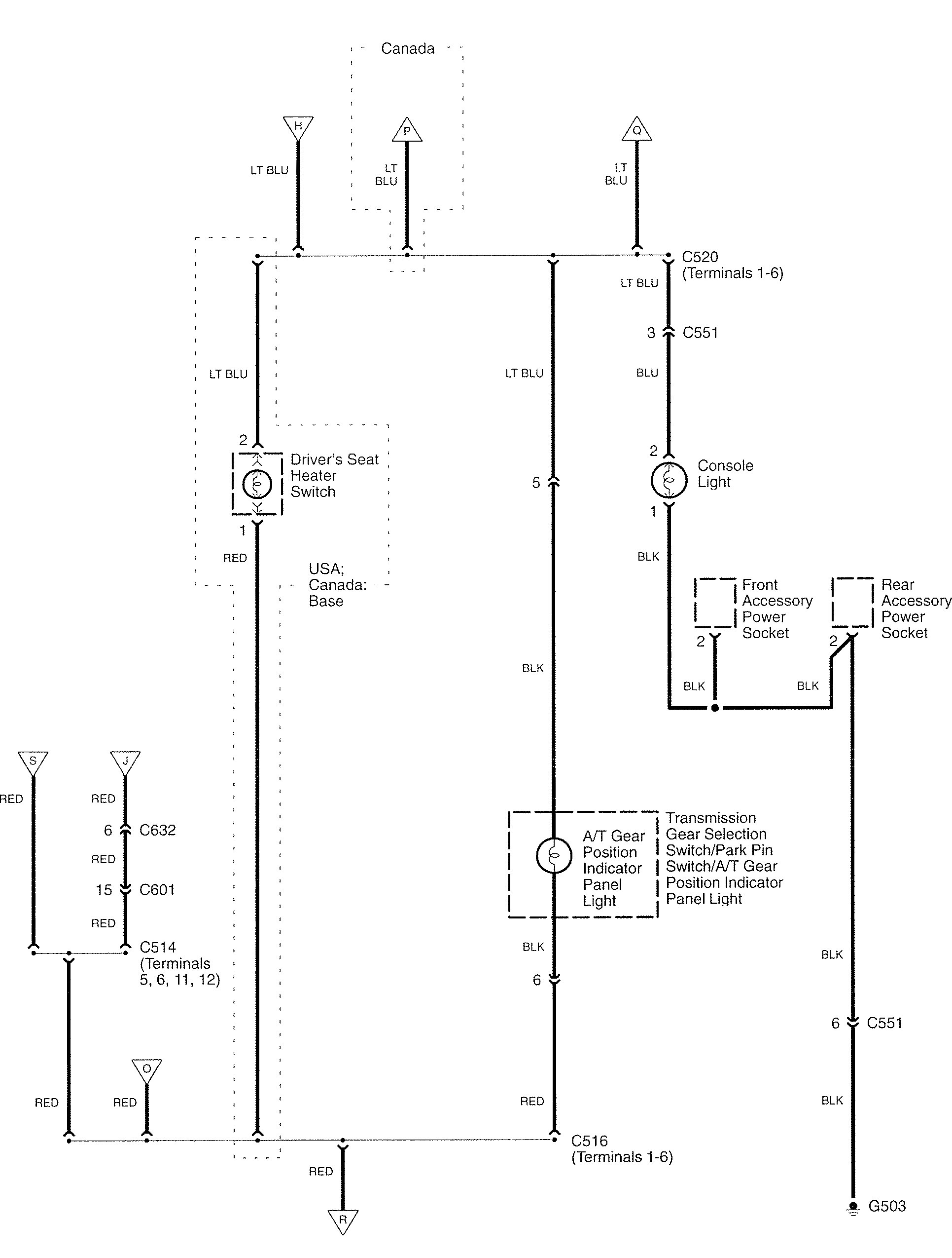
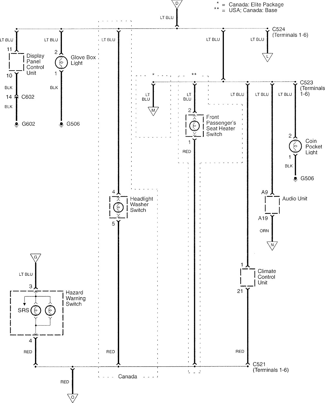
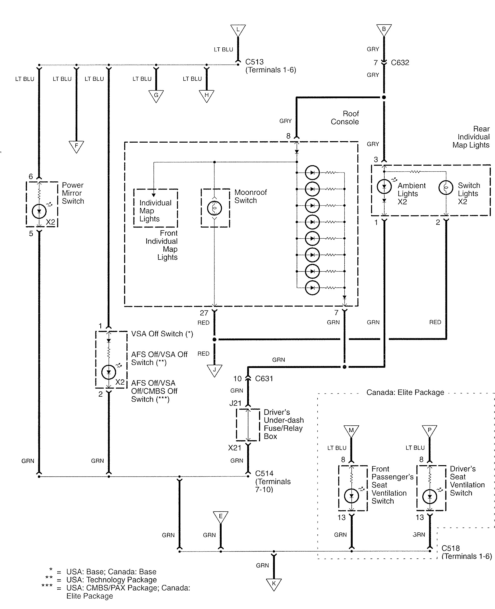
Acura RL (2008) – wiring diagrams – instrument panel lamps
Year of production: 2008
Instrument panel lamps







WARNING: Terminal and harness assignments for individual connectors will vary depending on vehicle equipment level, model, and market.
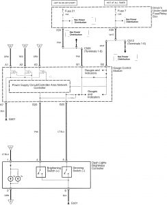
Year of production: 2008







WARNING: Terminal and harness assignments for individual connectors will vary depending on vehicle equipment level, model, and market.
Copyright © 2026 | MH Magazine WordPress Theme by MH Themes