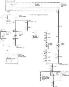
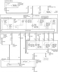
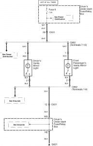
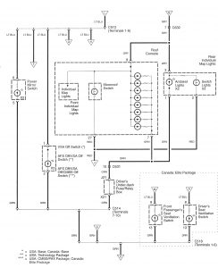
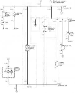
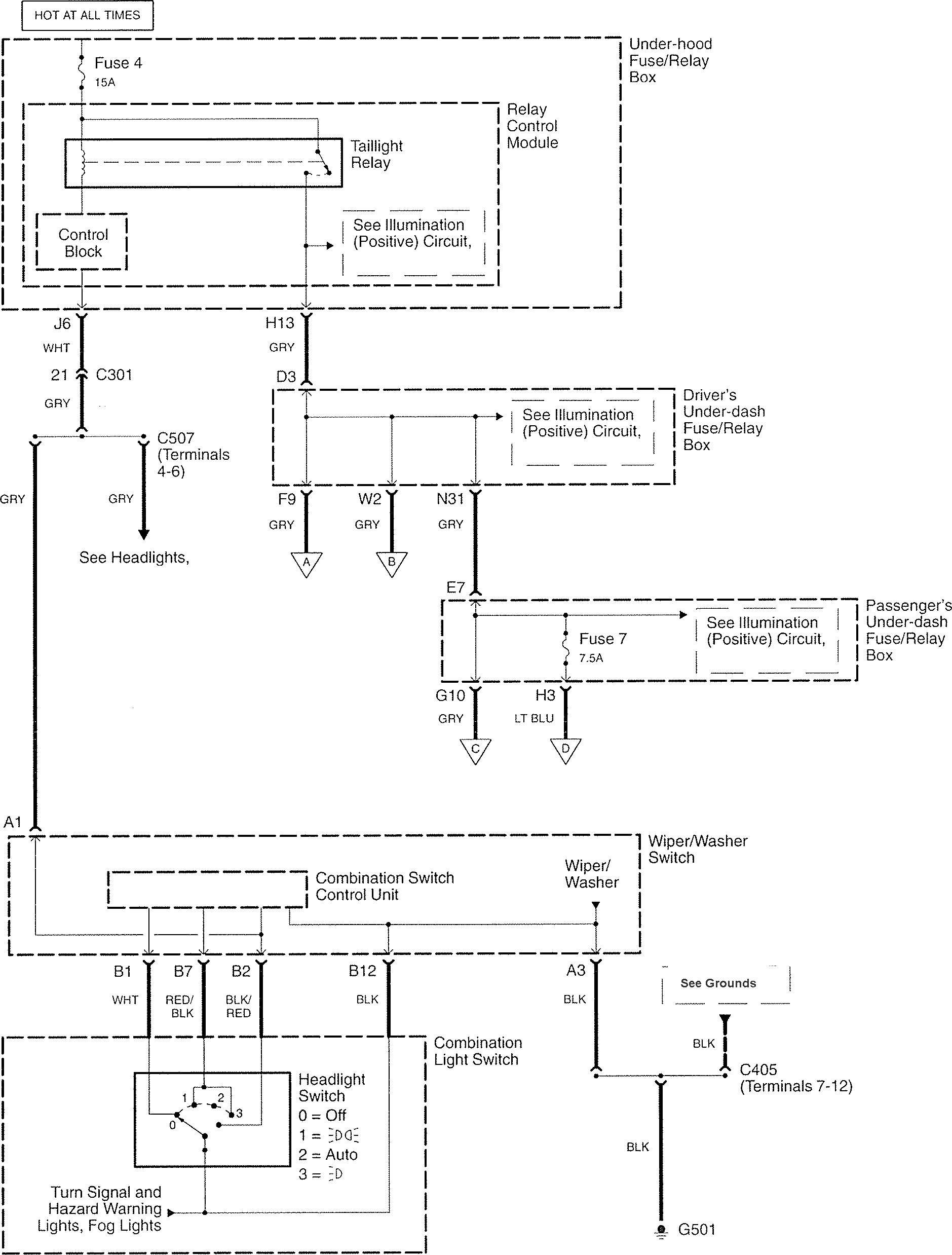
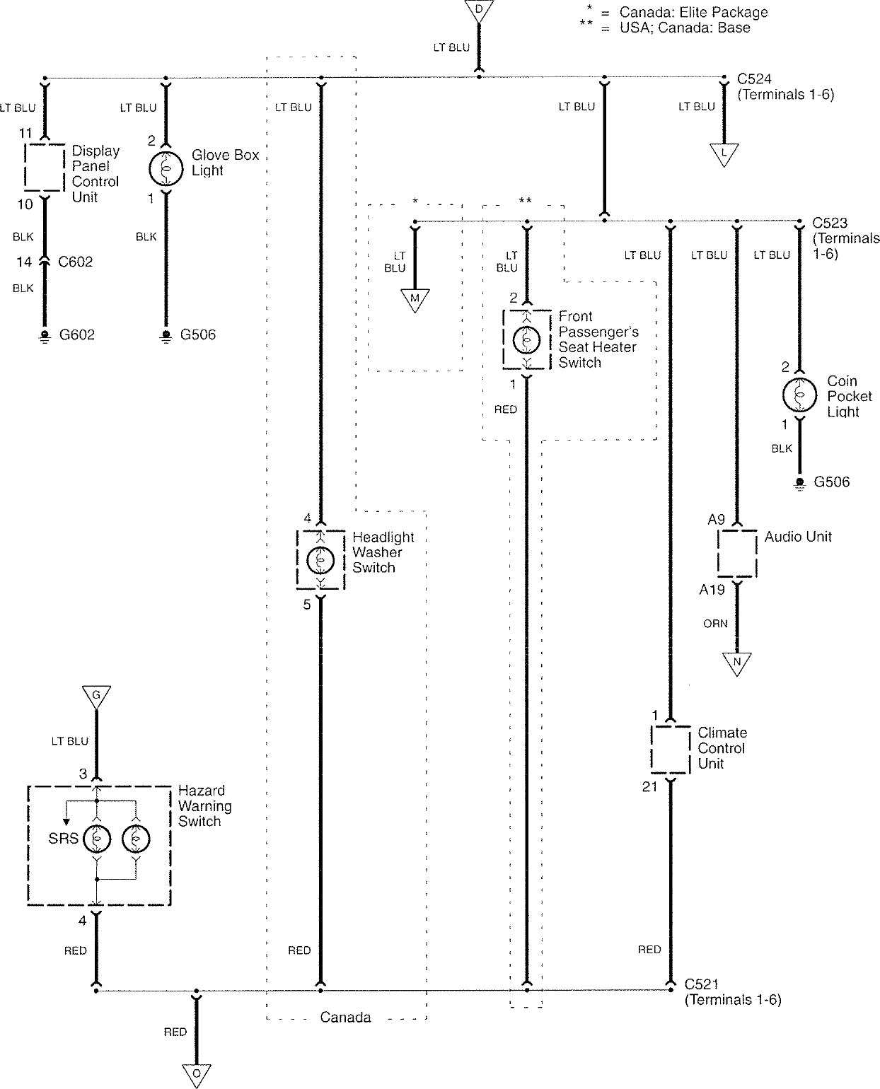
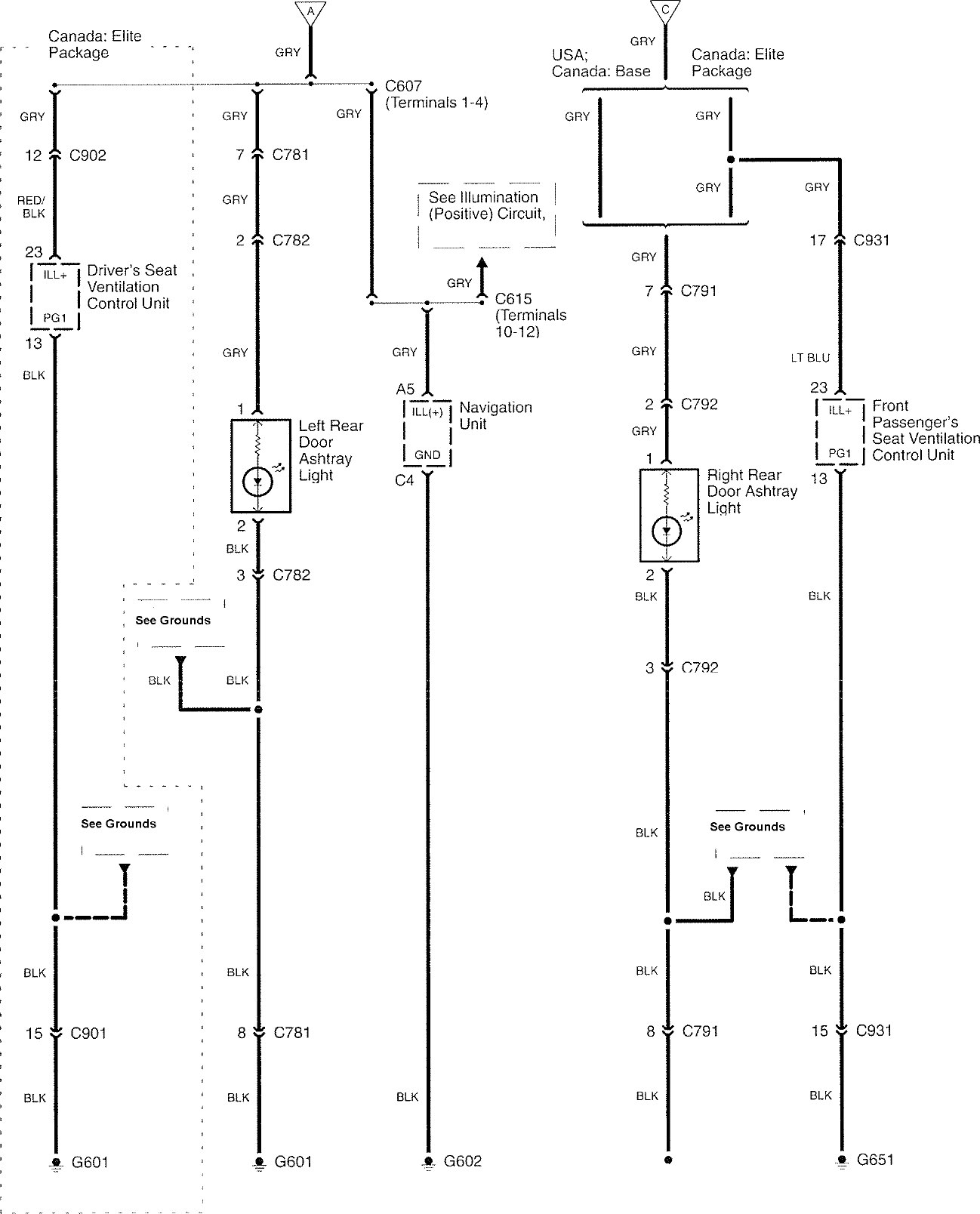
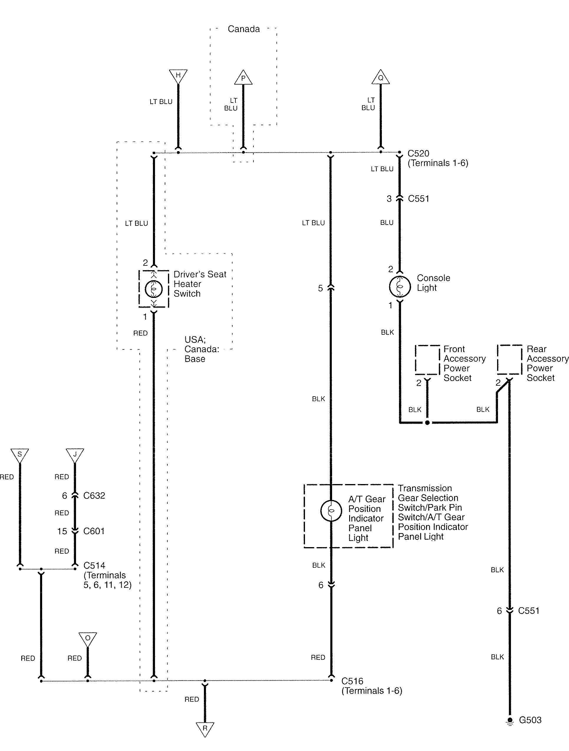
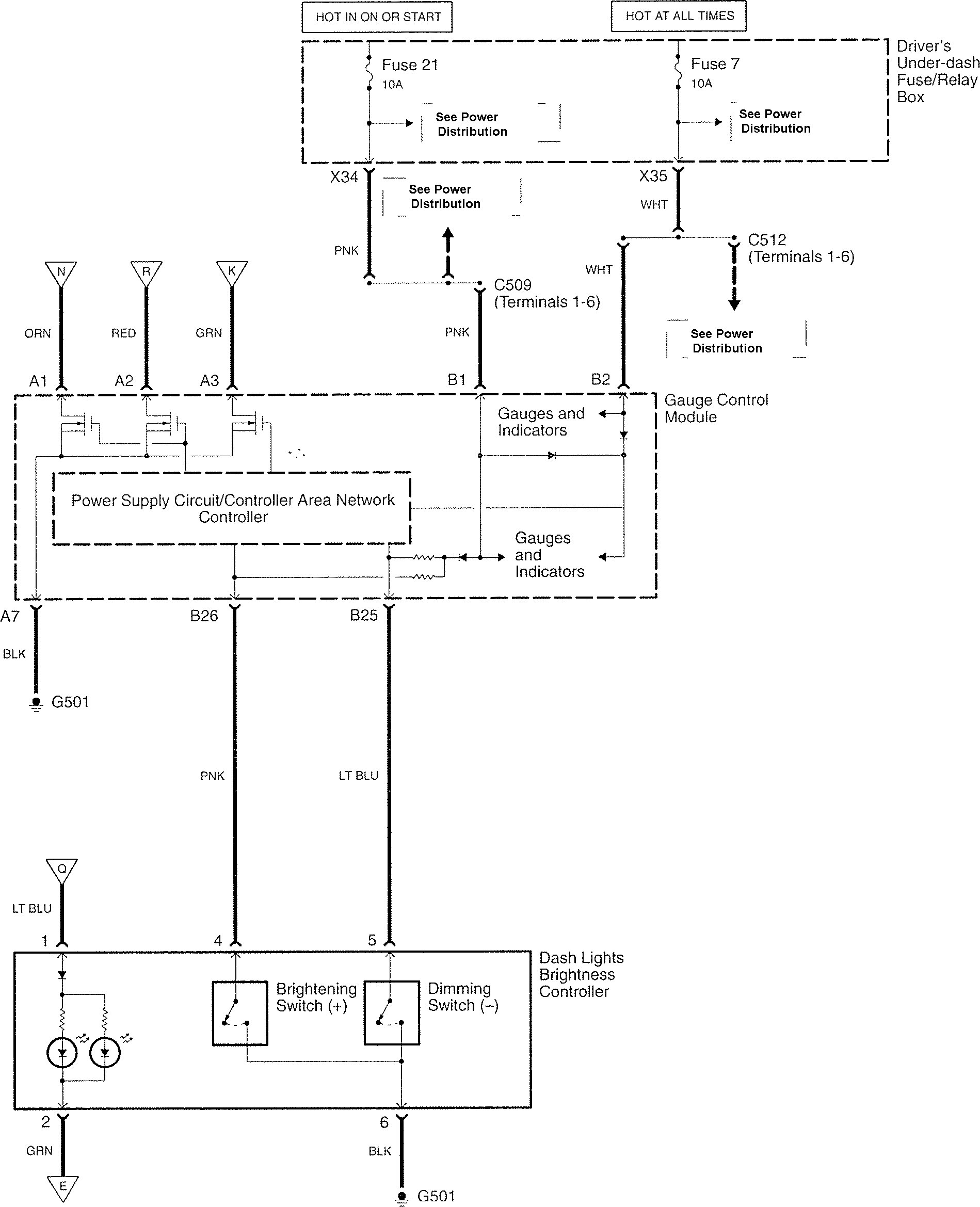
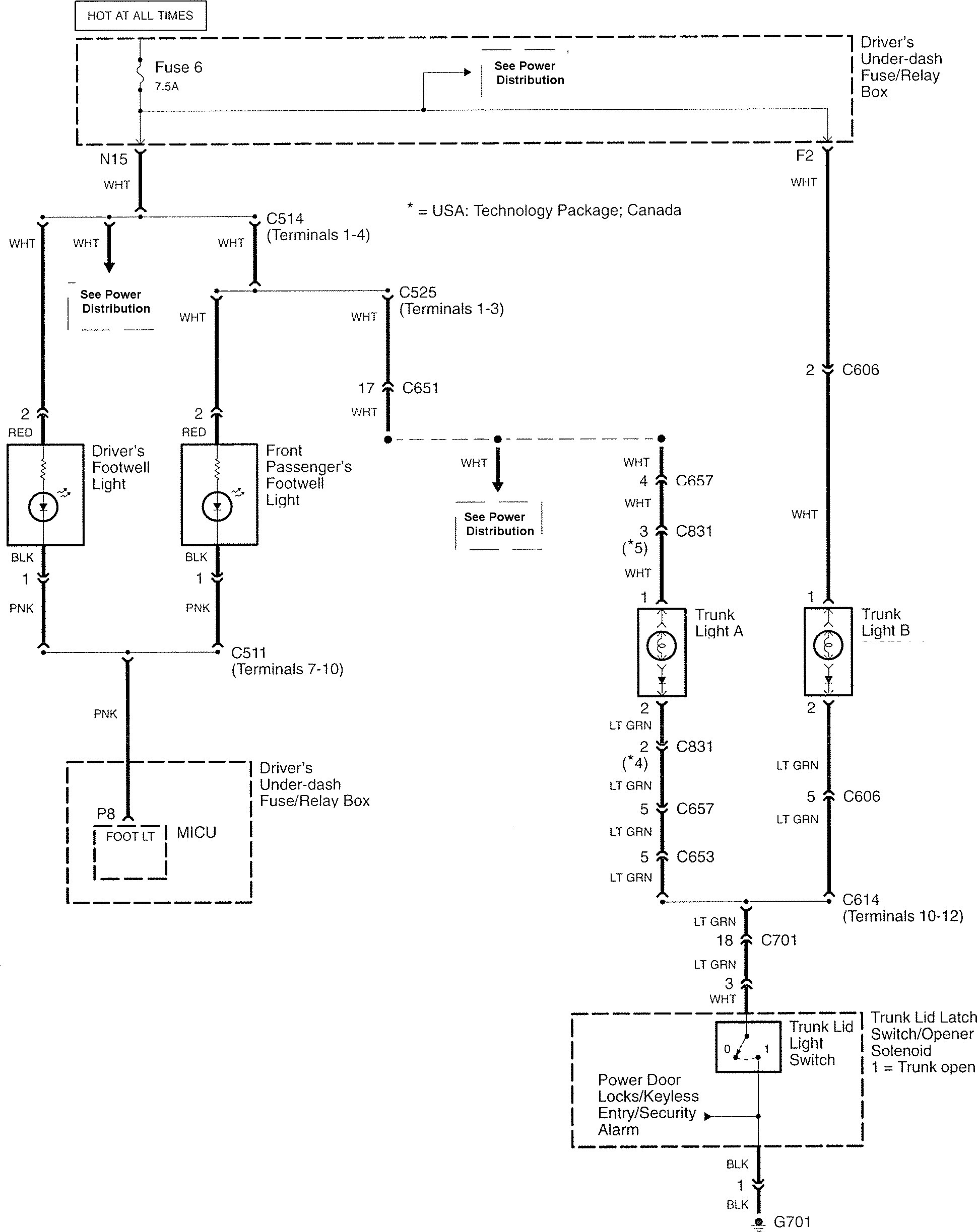
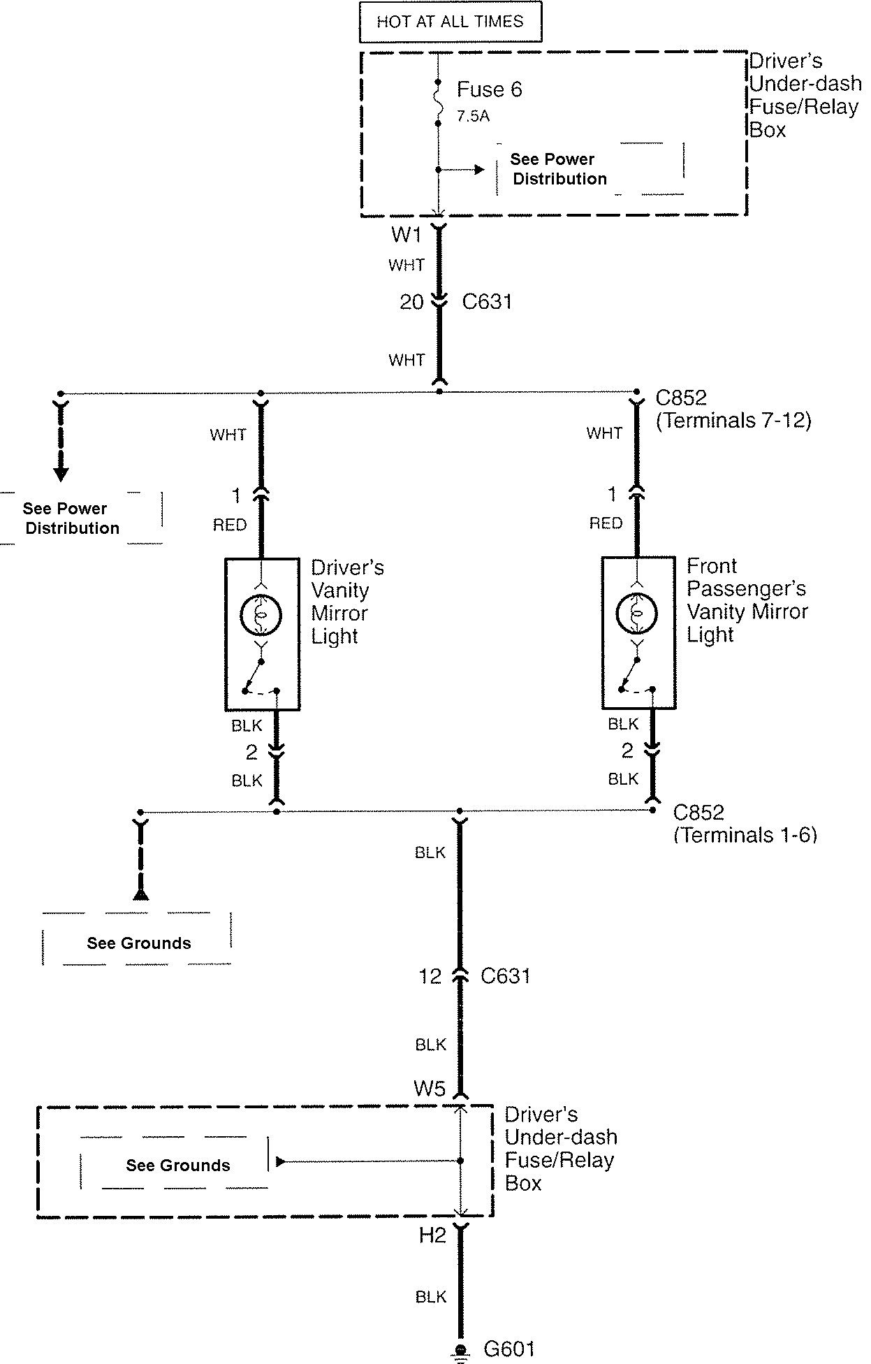
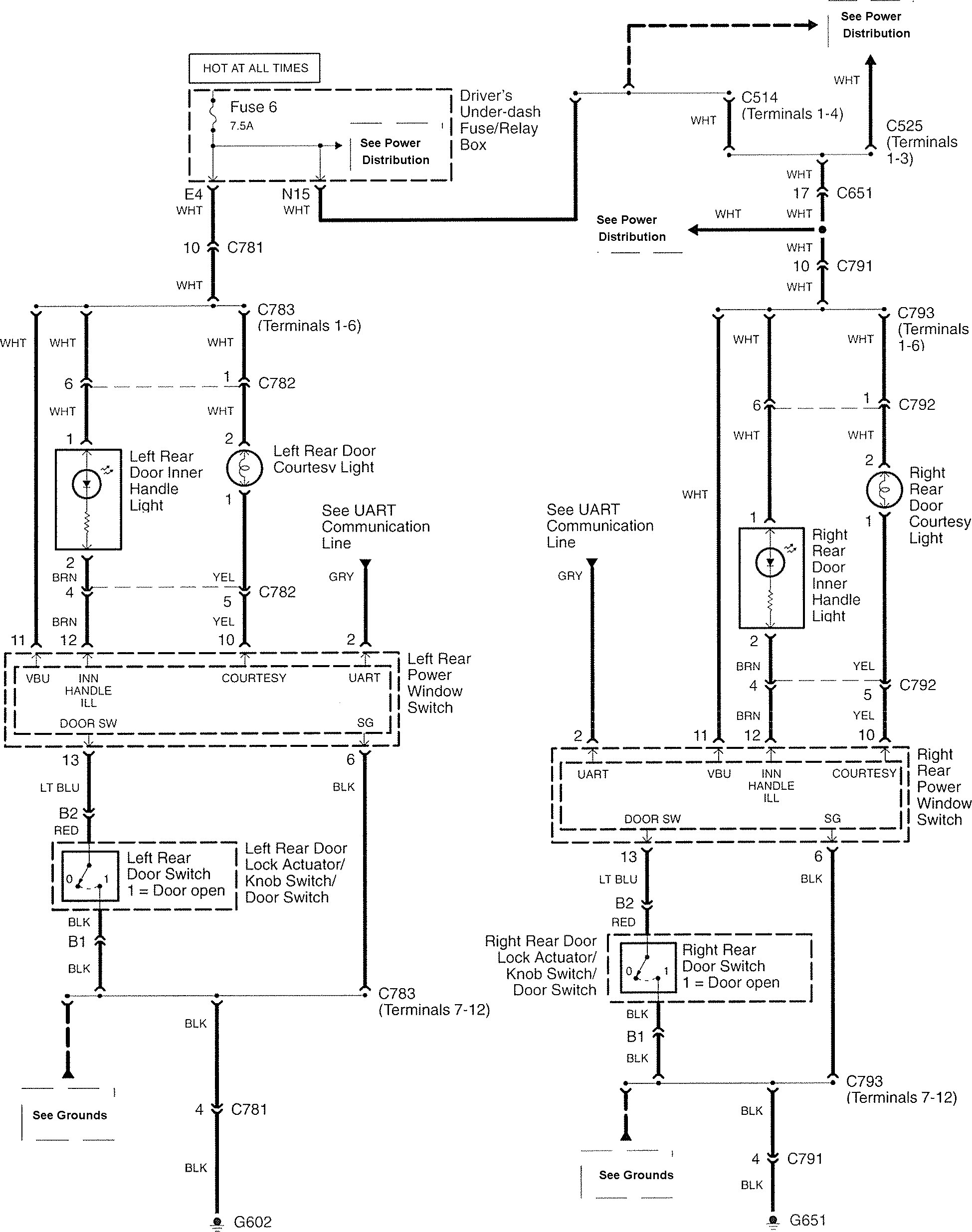
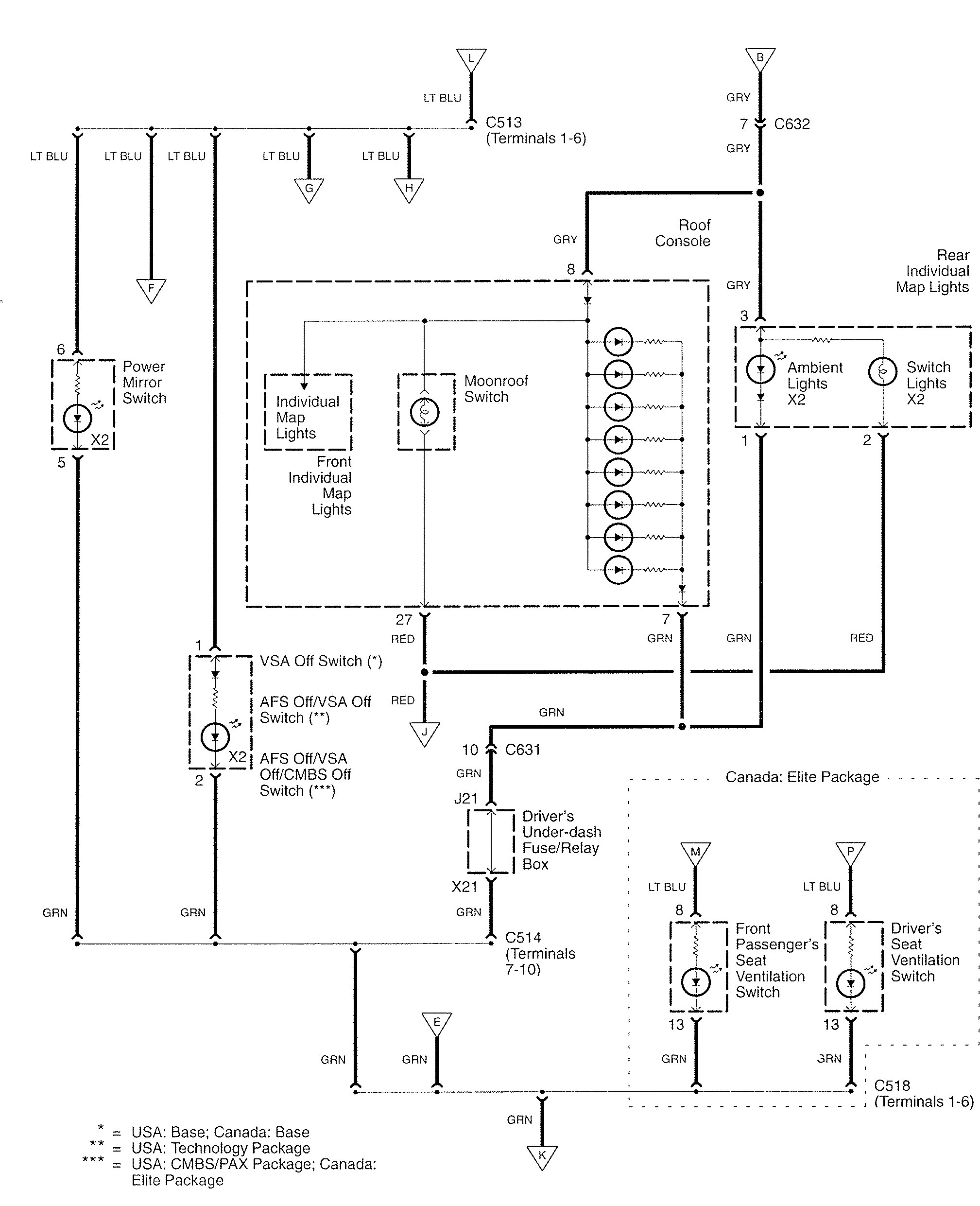
Acura RL (2007) – wiring diagrams – interior lighting
Year of productions: 2007
Interior lighting













WARNING: Terminal and harness assignments for individual connectors will vary depending on vehicle equipment level, model, and market.
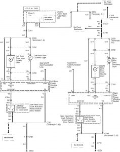
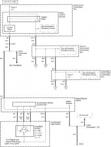
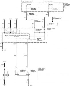
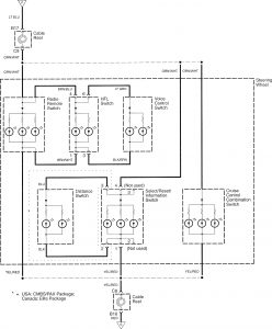
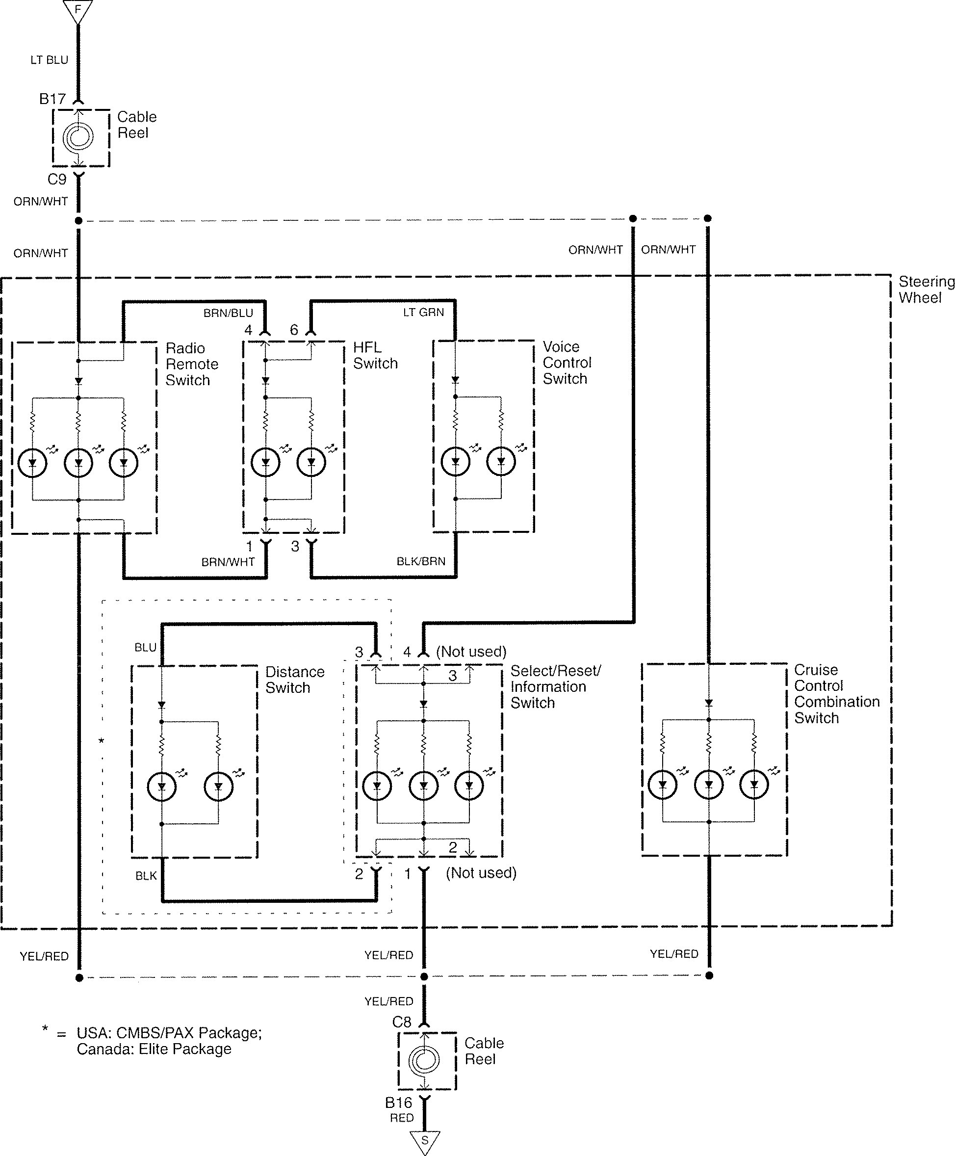
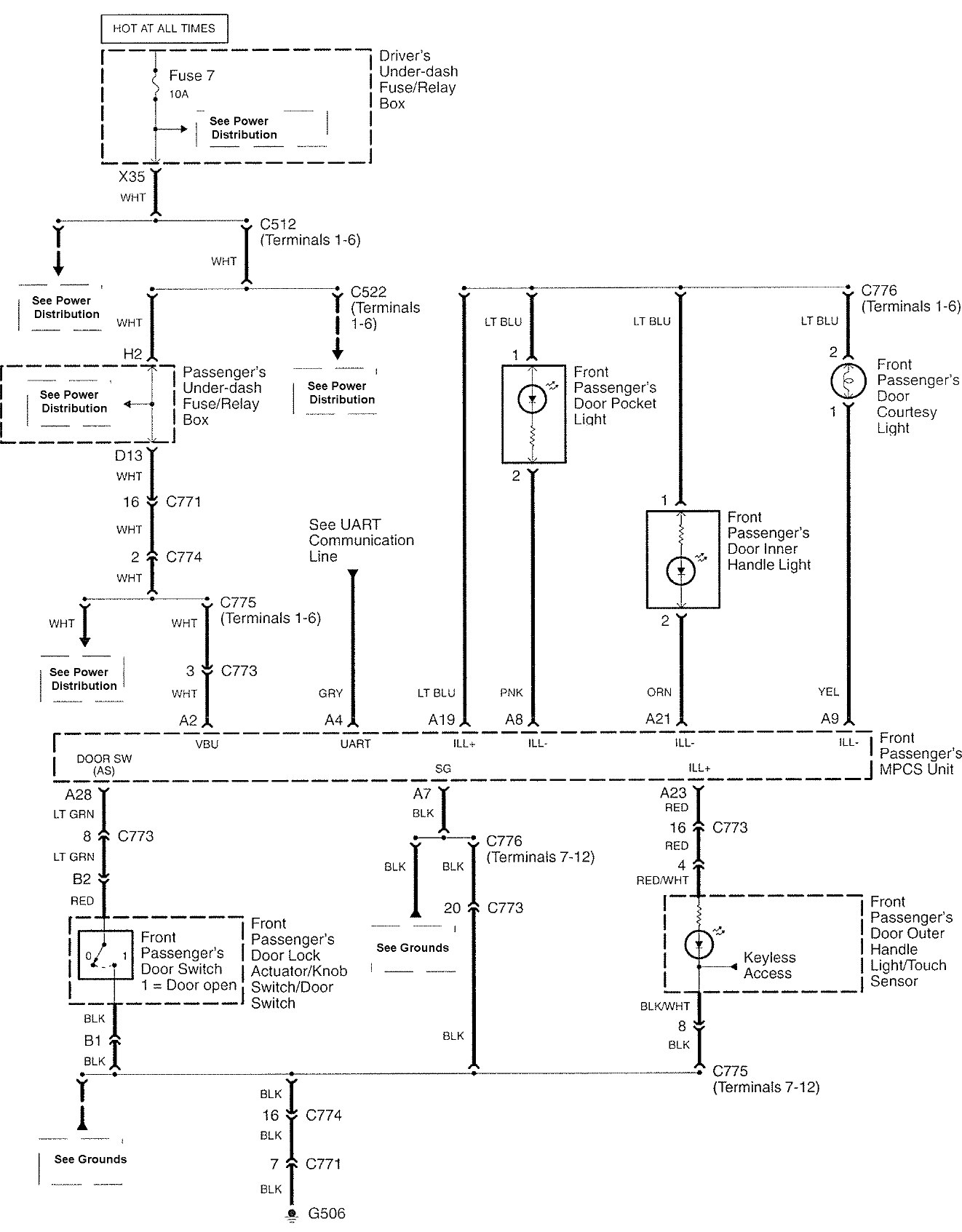
Year of productions: 2007













WARNING: Terminal and harness assignments for individual connectors will vary depending on vehicle equipment level, model, and market.
Copyright © 2026 | MH Magazine WordPress Theme by MH Themes