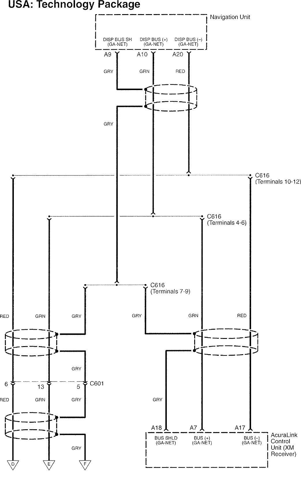
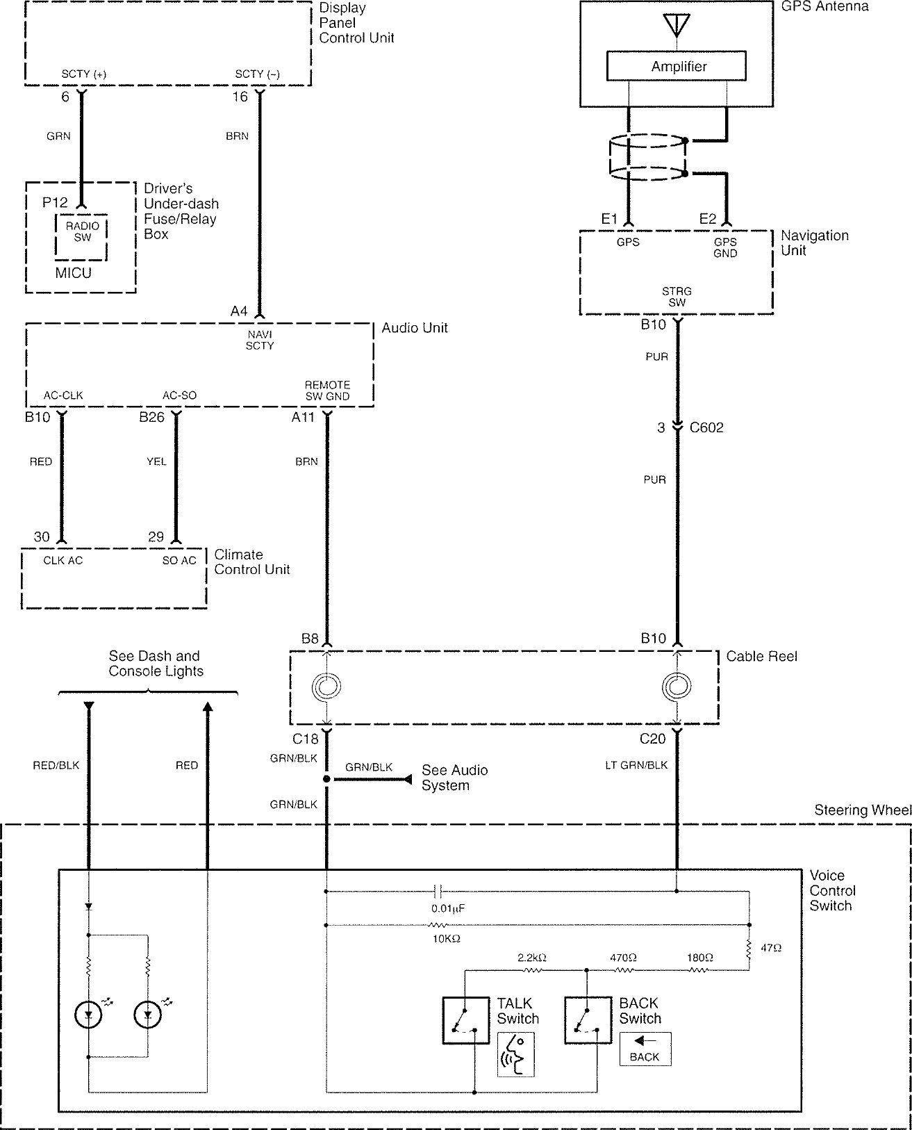
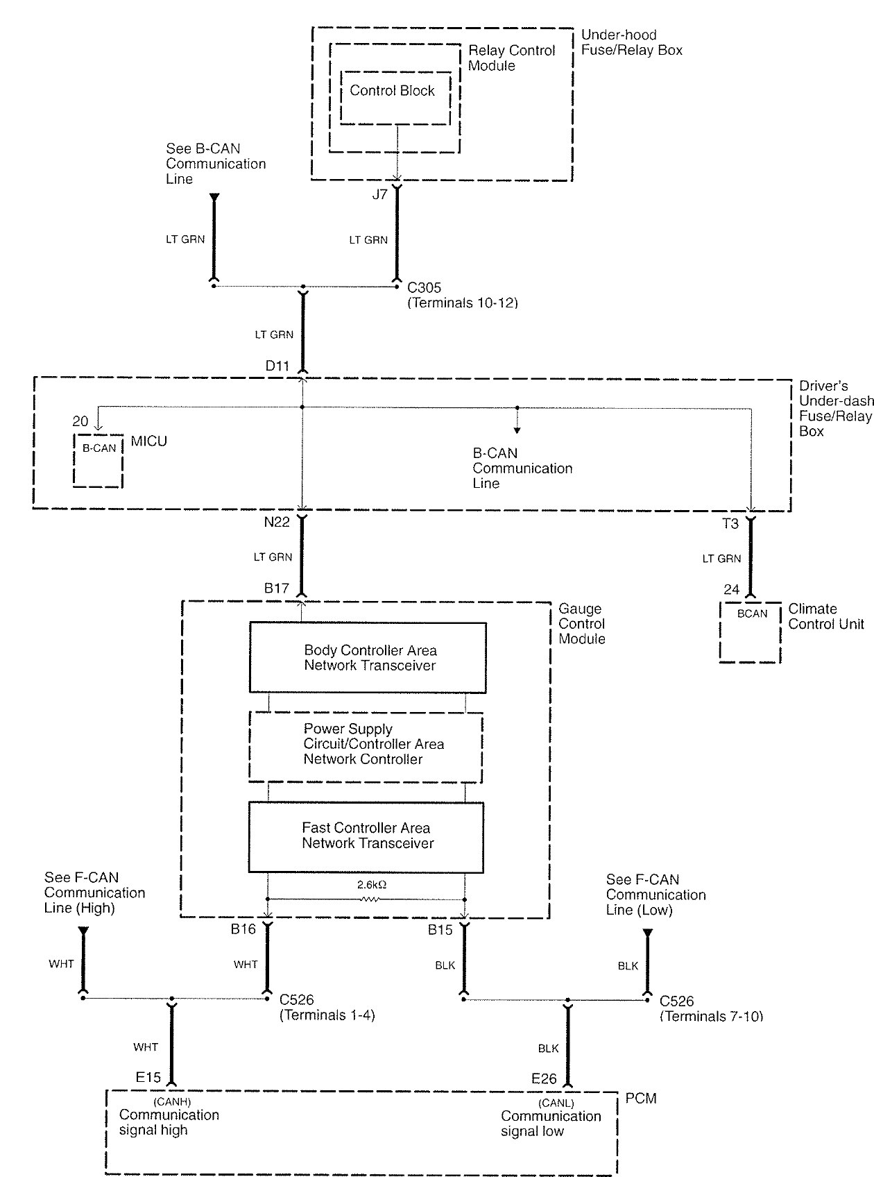
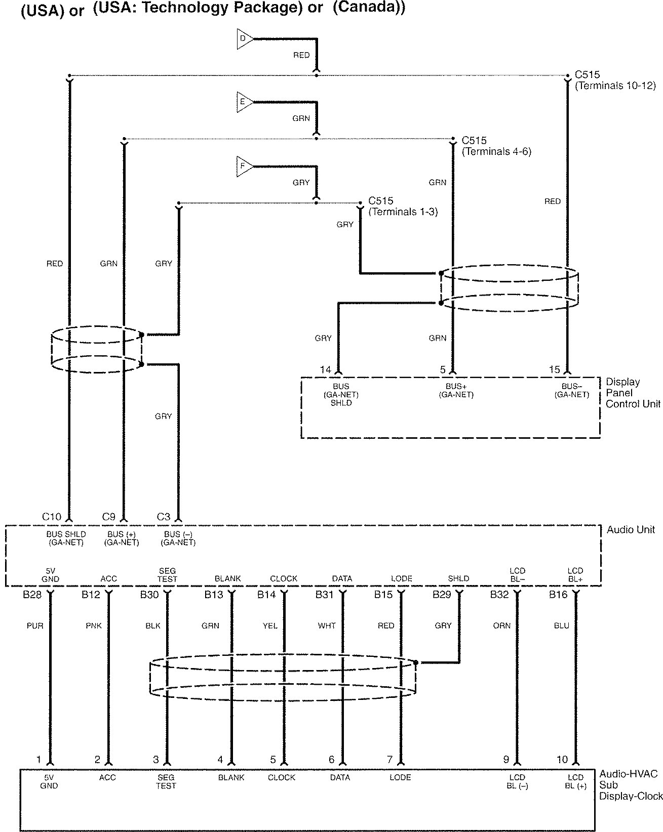
Acura RL (2007) – wiring diagrams – HVAC controls
Year of productions: 2007
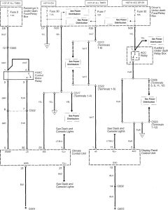
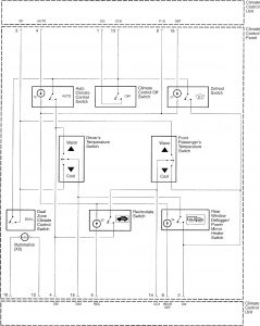
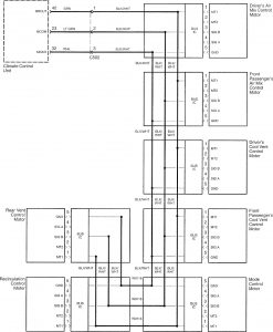
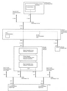
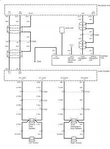
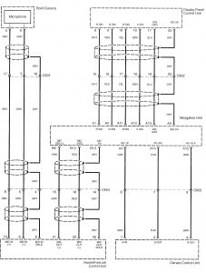
HVAC controls
Version 1











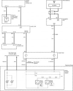
Version 2

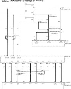
WARNING: Terminal and harness assignments for individual connectors will vary depending on vehicle equipment level, model, and market.
Year of productions: 2007












WARNING: Terminal and harness assignments for individual connectors will vary depending on vehicle equipment level, model, and market.
Copyright © 2026 | MH Magazine WordPress Theme by MH Themes