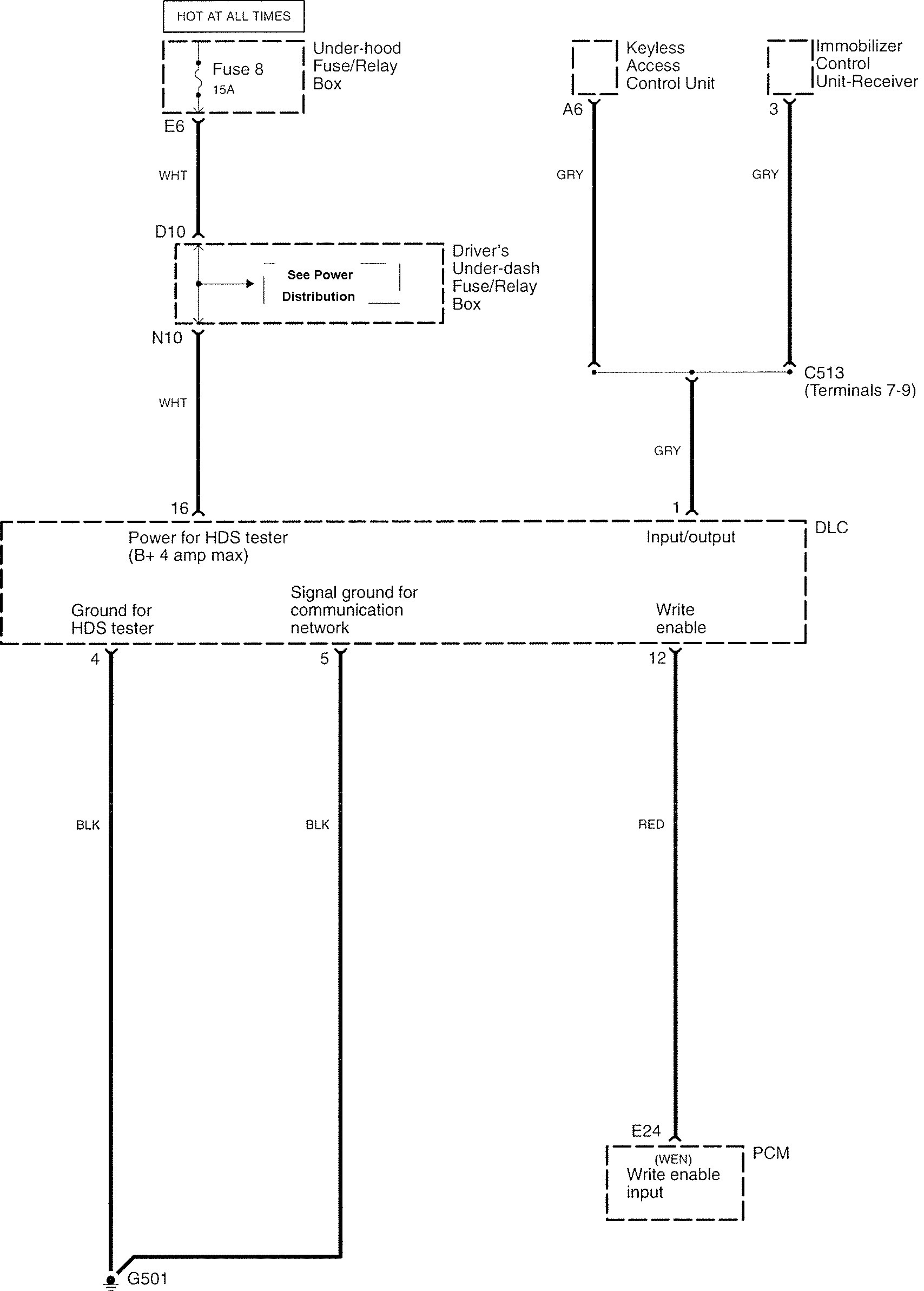
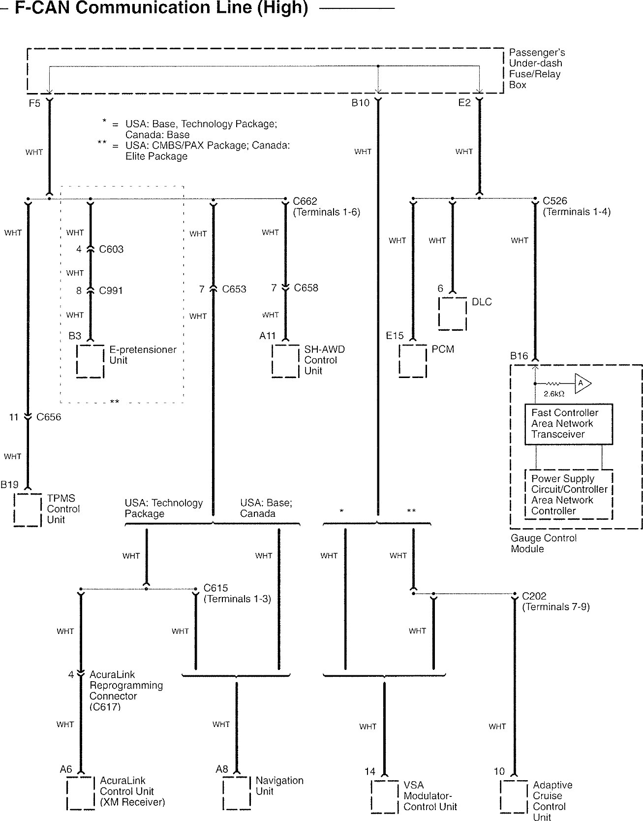
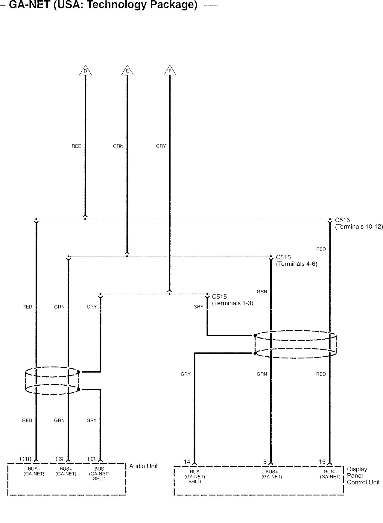
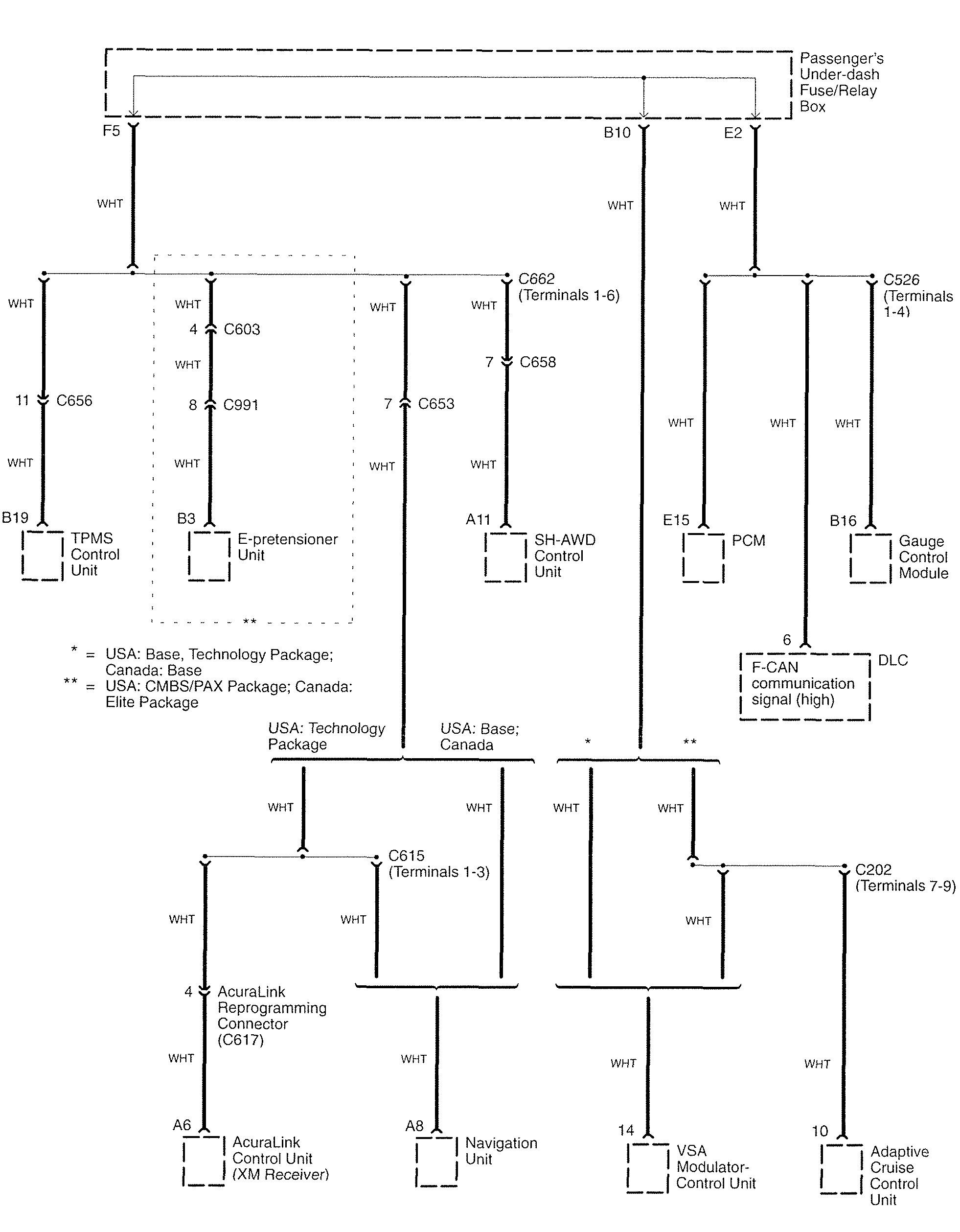
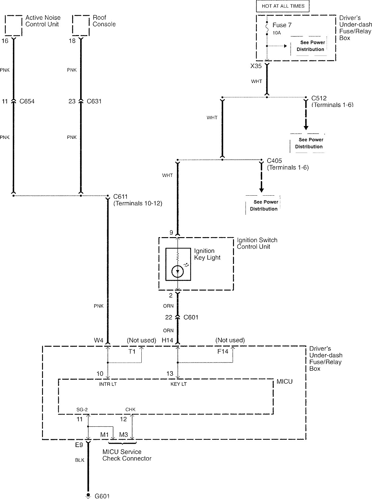
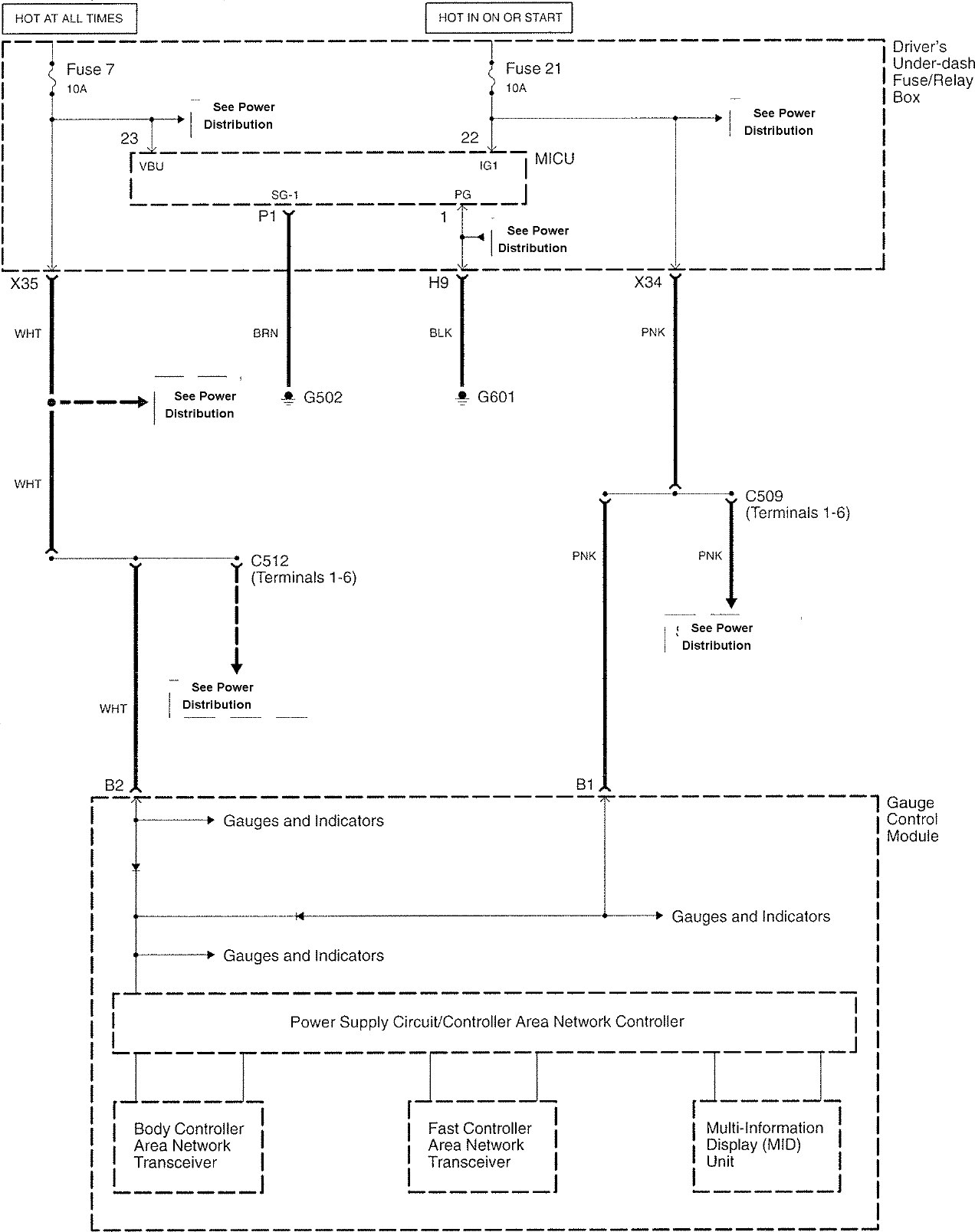
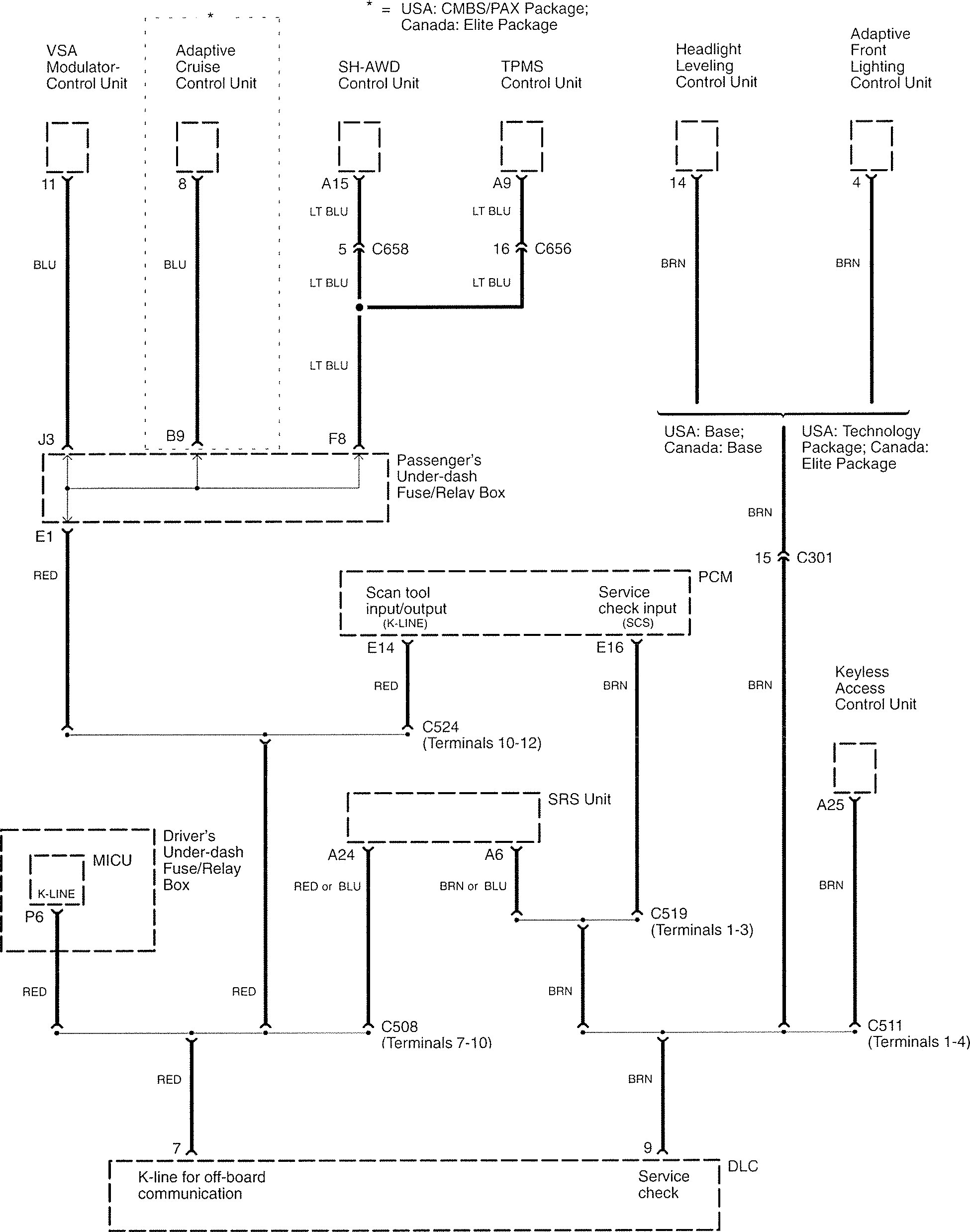
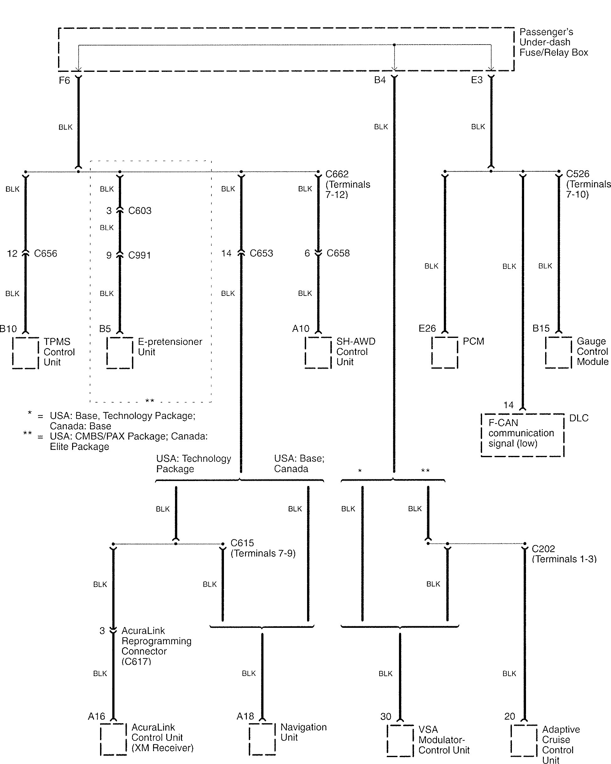
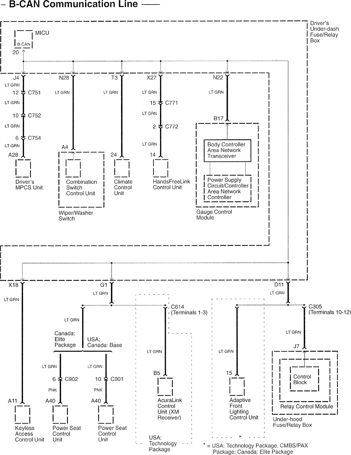
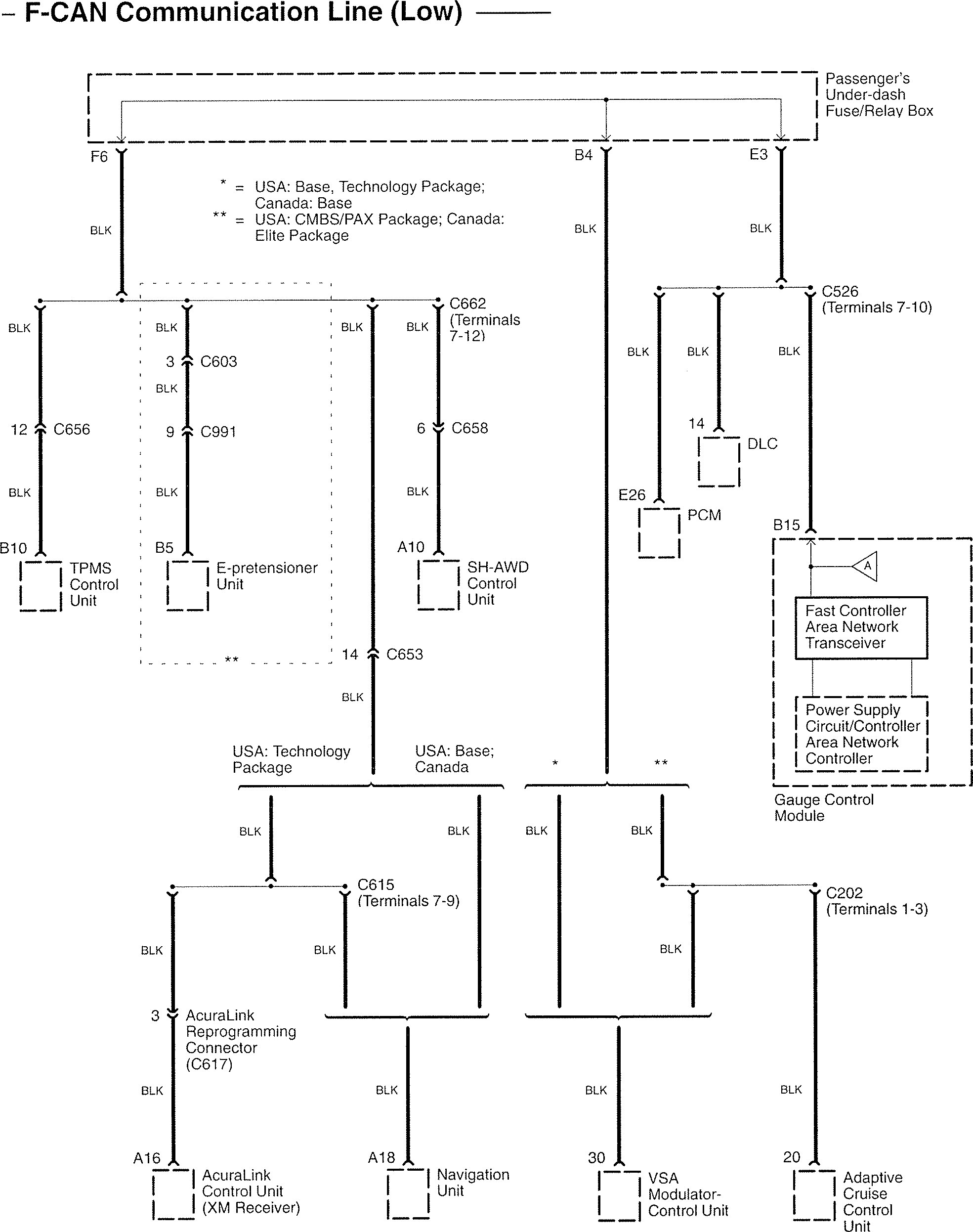
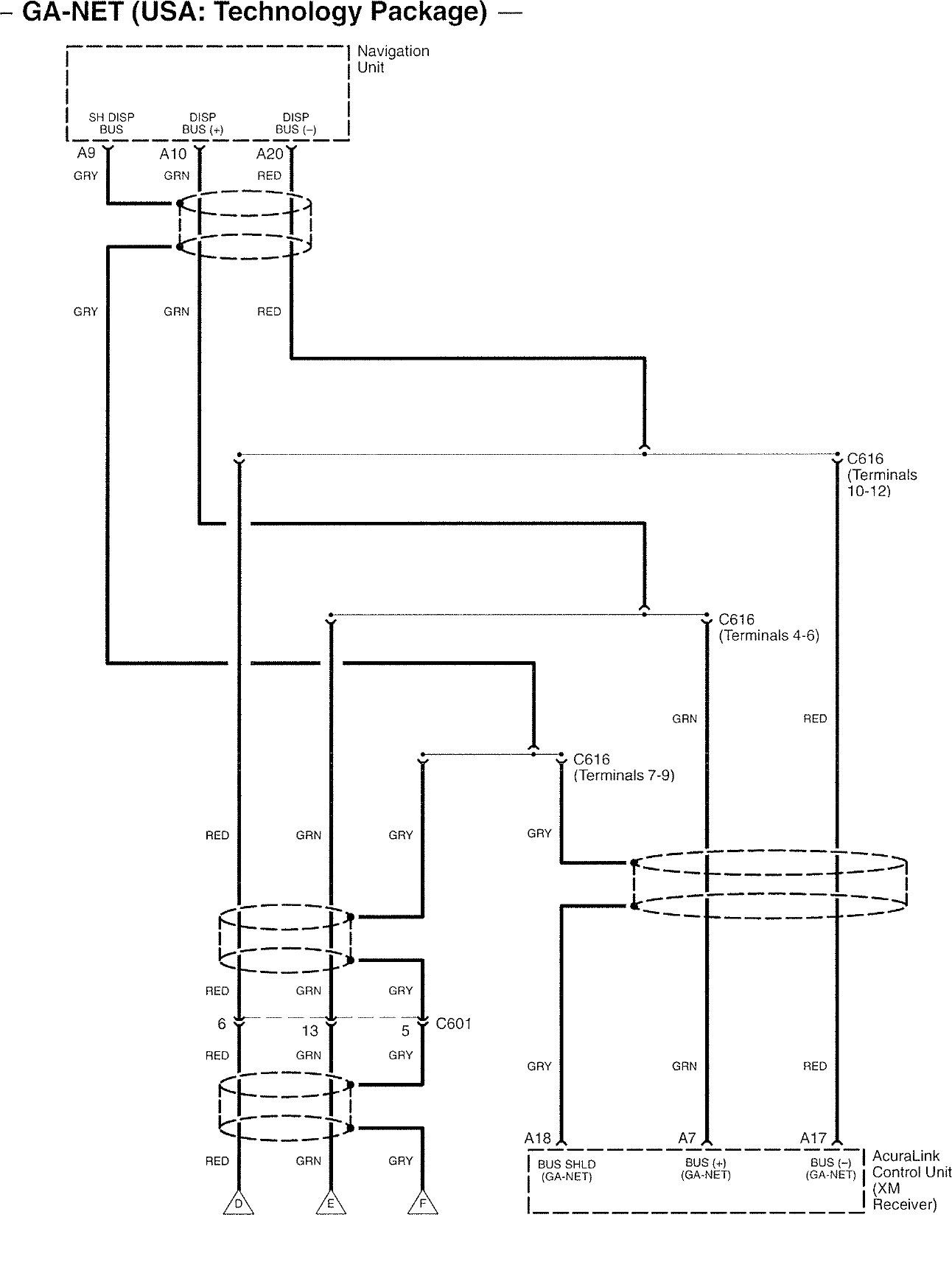
Acura RL (2007) – wiring diagrams – computer data lines
Year of productions: 2007
Computer data lines
Version 1




Version 2







Version 3


Version 4


WARNING: Terminal and harness assignments for individual connectors will vary depending on vehicle equipment level, model, and market.
