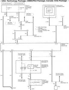
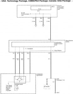
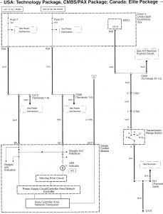
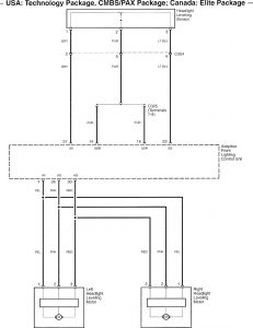
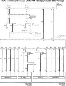
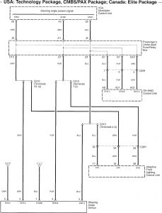
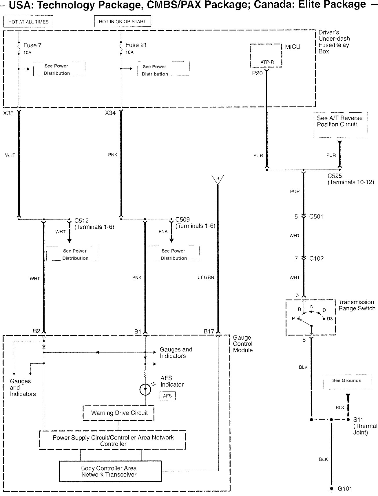
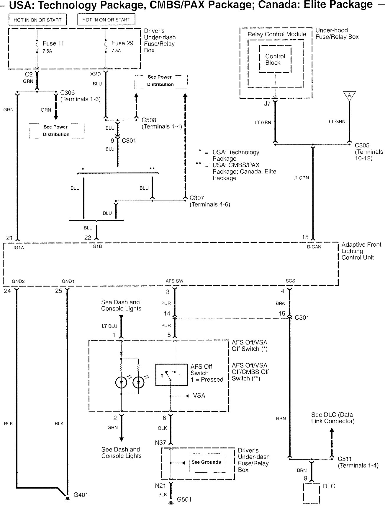
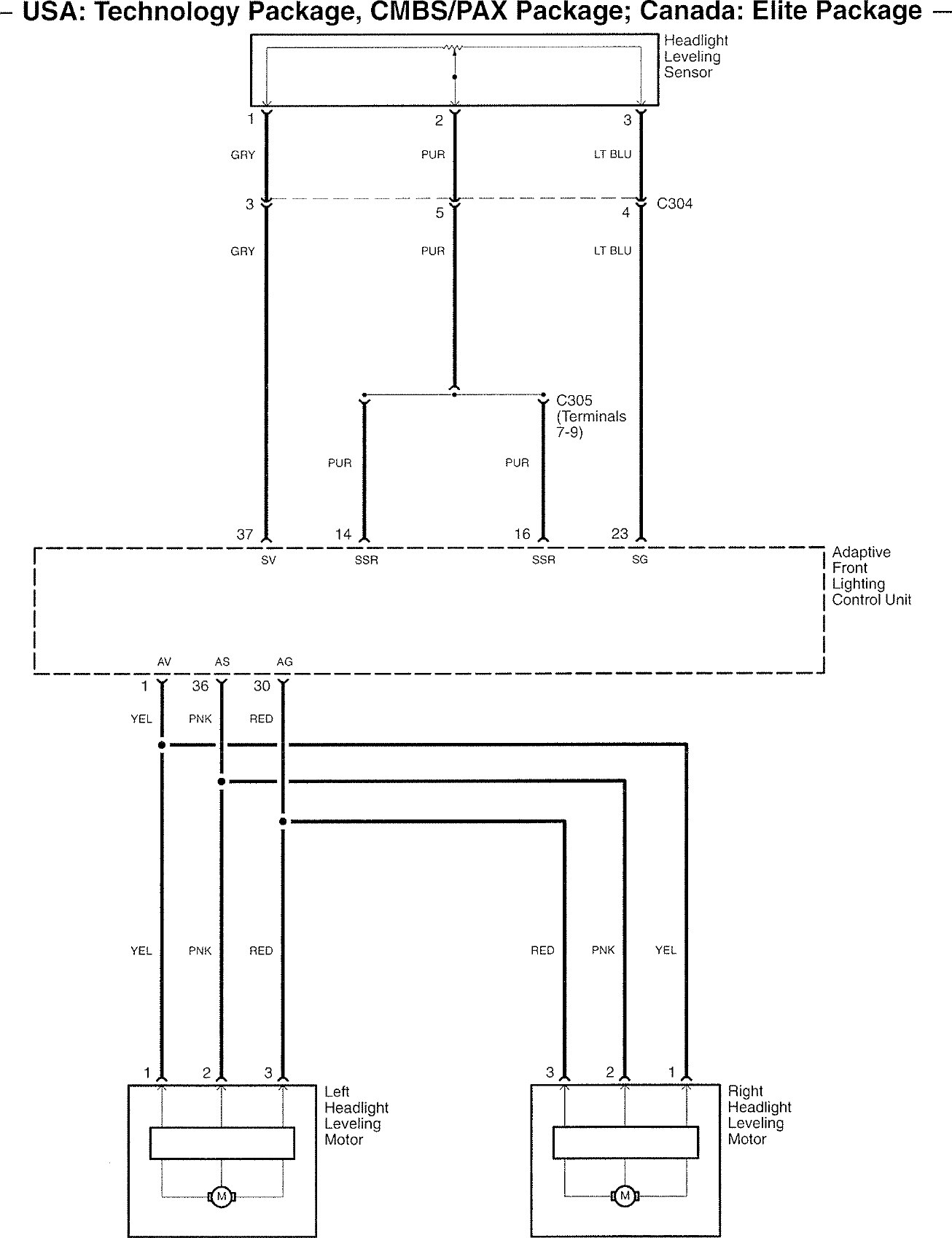
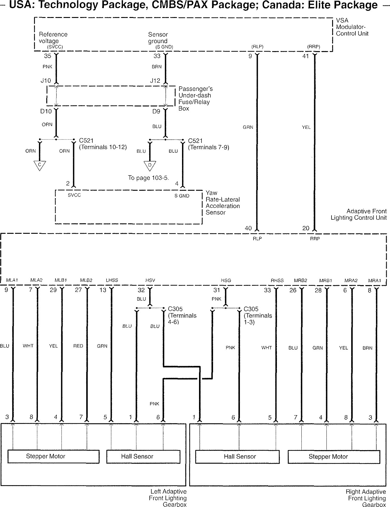
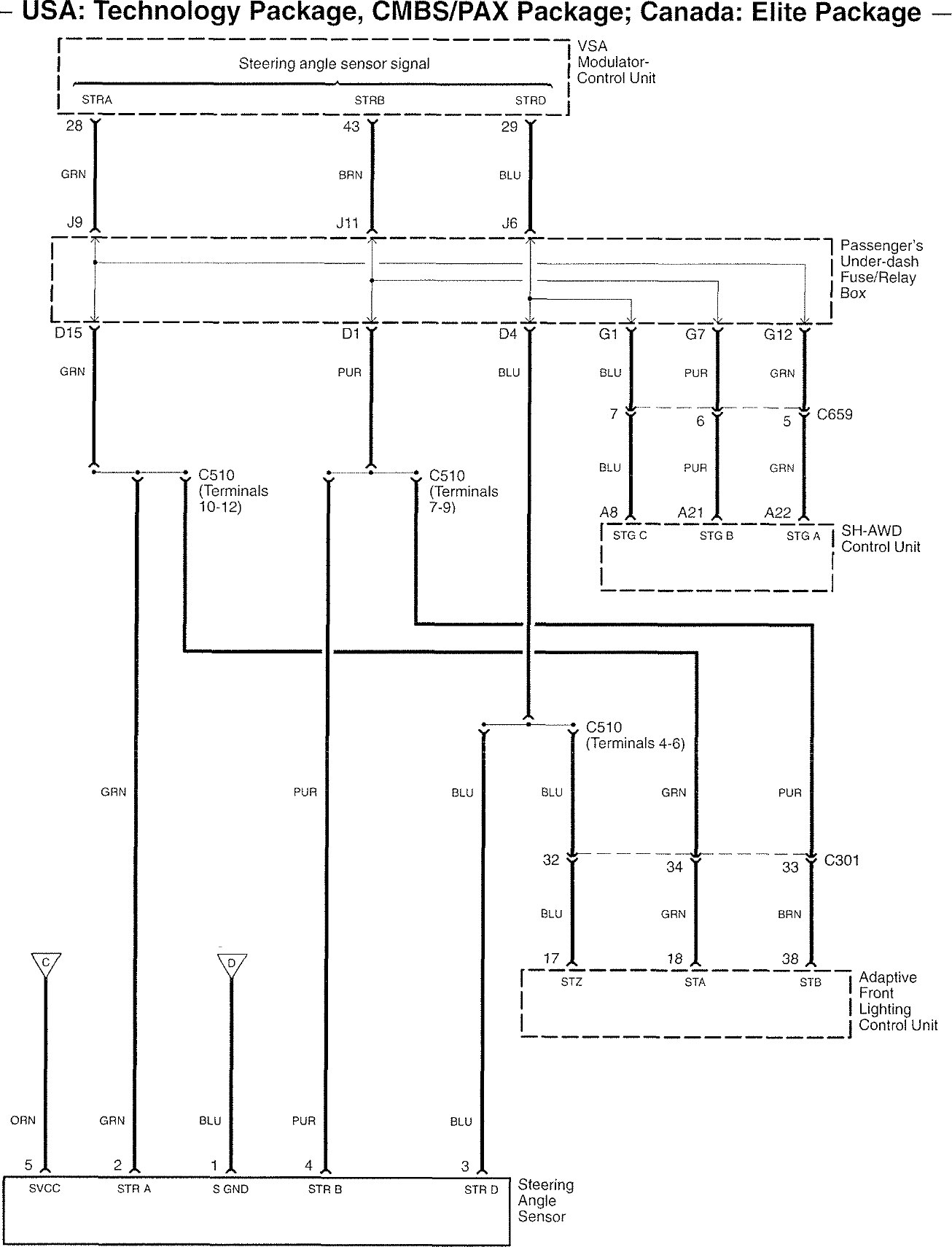
Acura RL (2007 – 2008) – wiring diagrams – adaptive front lighting system
Year of productions: 2007, 2008
Adaptive front lighting system






WARNING: Terminal and harness assignments for individual connectors will vary depending on vehicle equipment level, model, and market.
