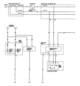
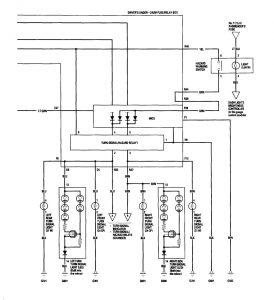
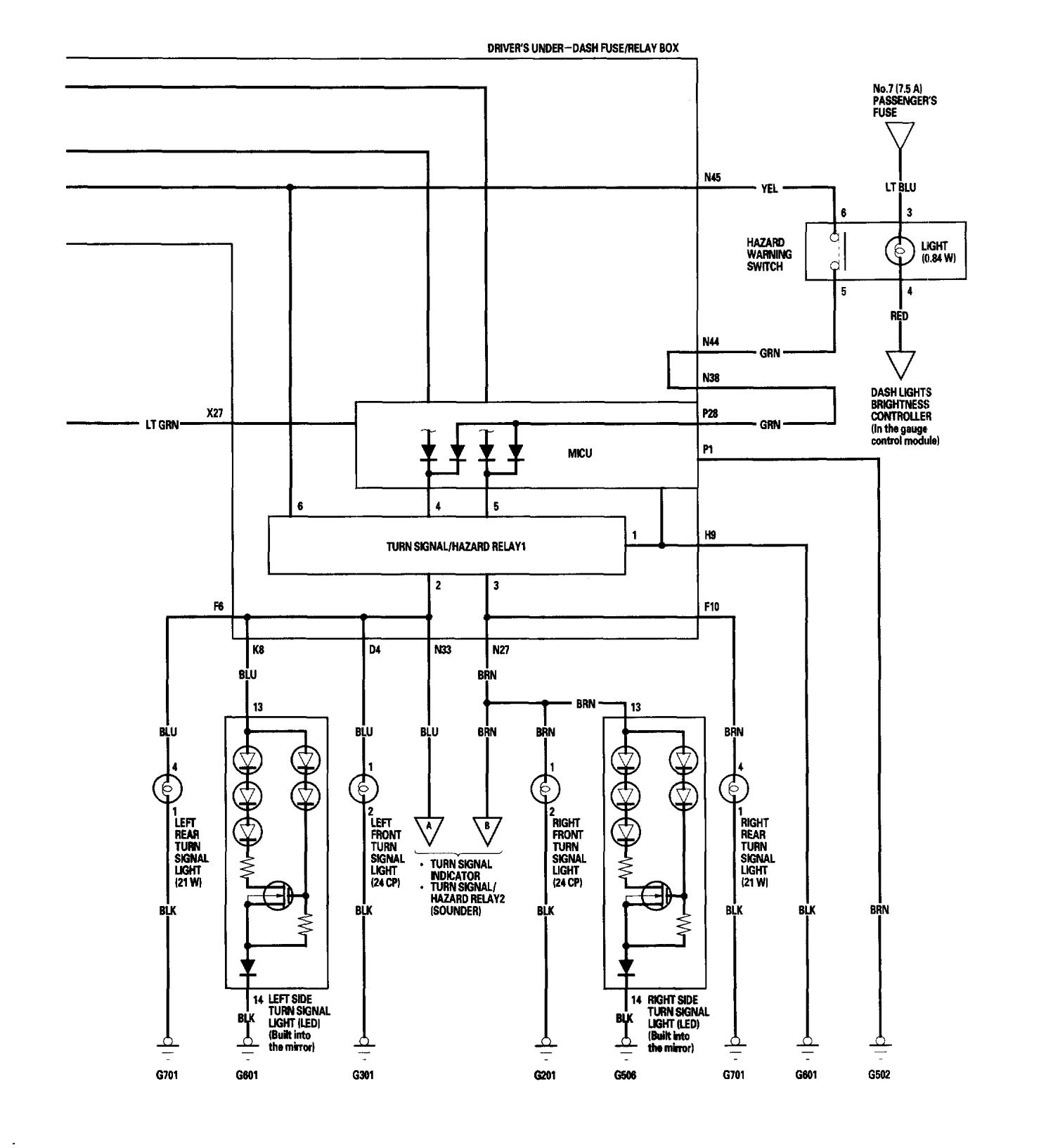
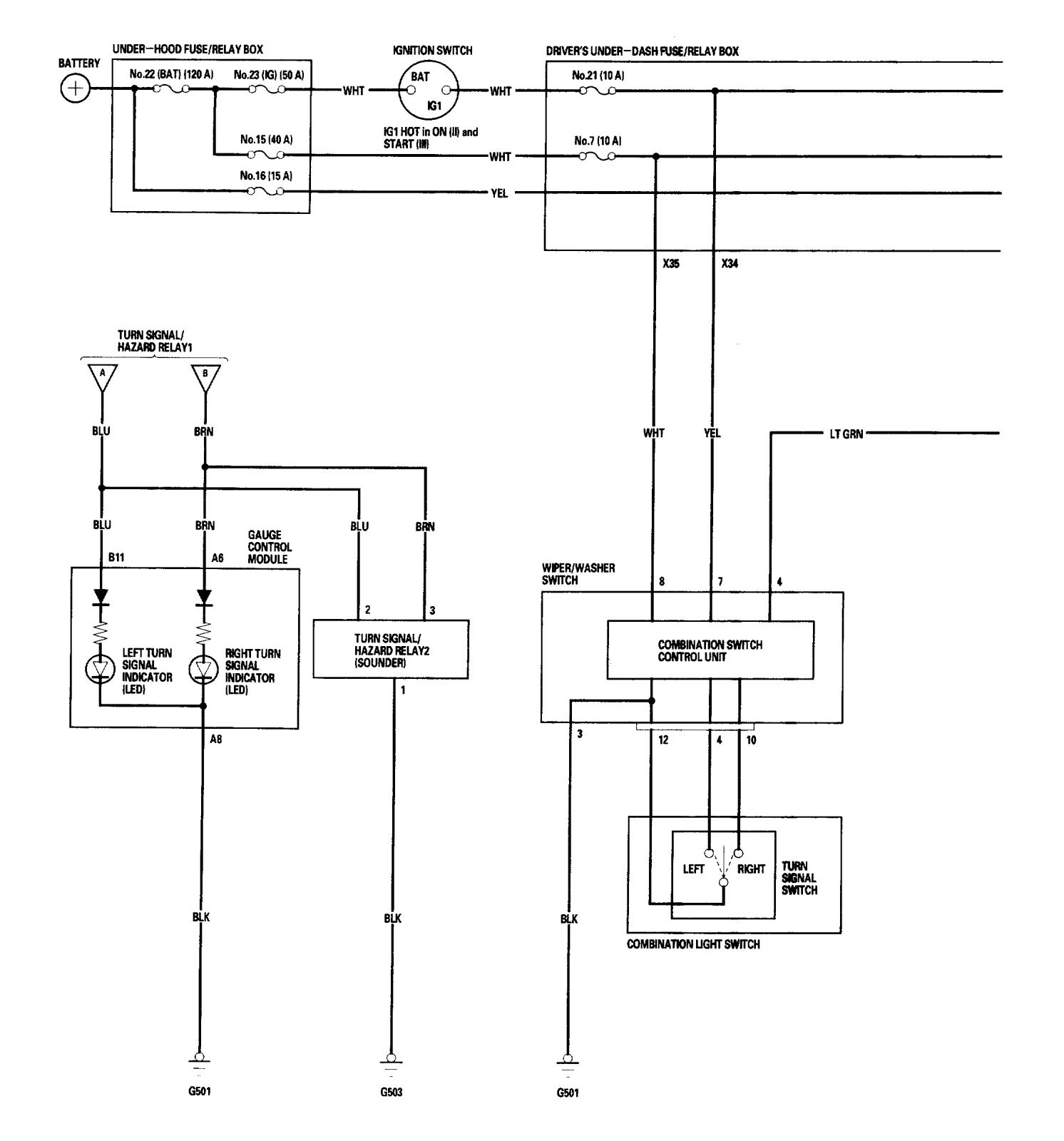
Acura RL (2006) – wiring diagrams – turn signal lamp
Year of production: 2006
Turn signal lamp
Version 1




Version 2


WARNING: Terminal and harness assignments for individual connectors will vary depending on vehicle equipment level, model, and market.
Year of production: 2006






WARNING: Terminal and harness assignments for individual connectors will vary depending on vehicle equipment level, model, and market.
Copyright © 2026 | MH Magazine WordPress Theme by MH Themes