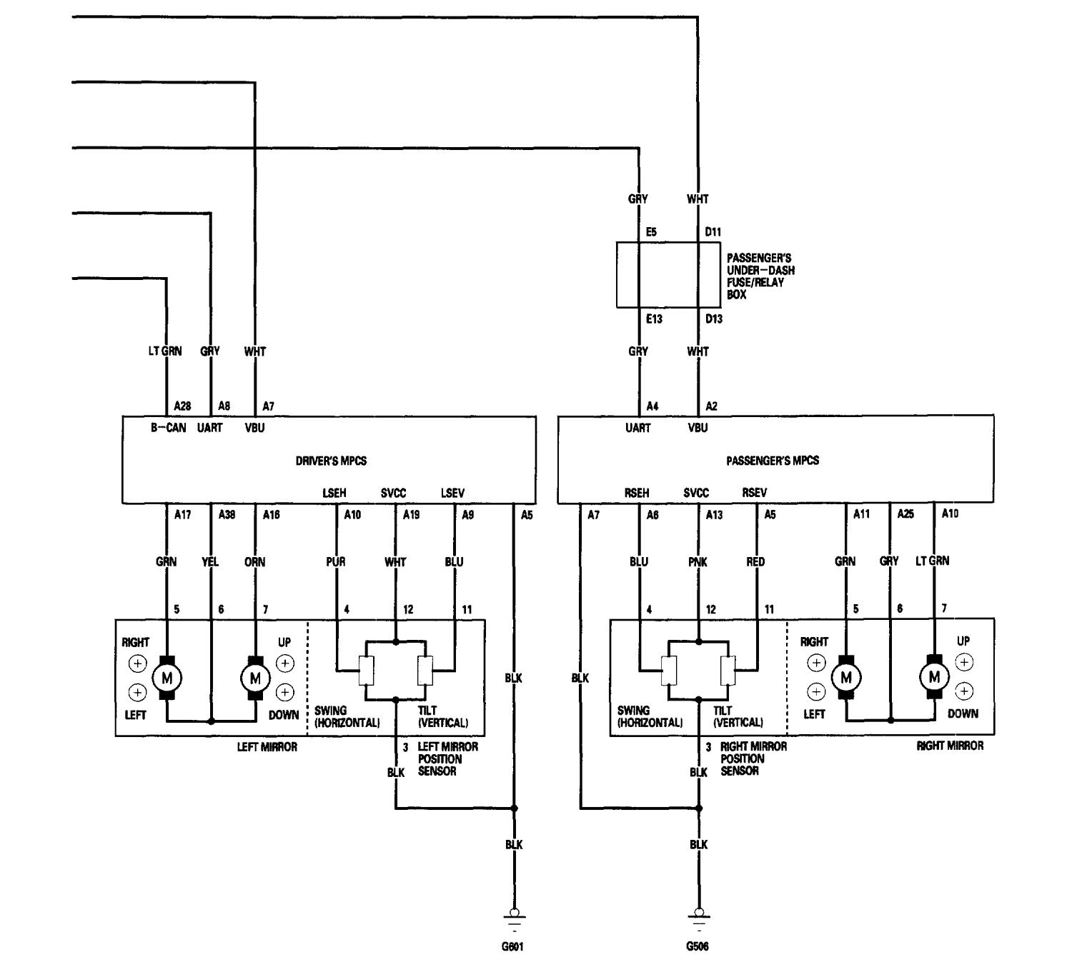
Acura RL (2006) – wiring diagrams – power mirrors
Year of productions: 2006
Power mirrors


WARNING: Terminal and harness assignments for individual connectors will vary depending on vehicle equipment level, model, and market.
Year of productions: 2006


WARNING: Terminal and harness assignments for individual connectors will vary depending on vehicle equipment level, model, and market.
Copyright © 2025 | MH Magazine WordPress Theme by MH Themes